Найти в Дзене
Radio-любитель

Ламповый усилитель низкой частоты

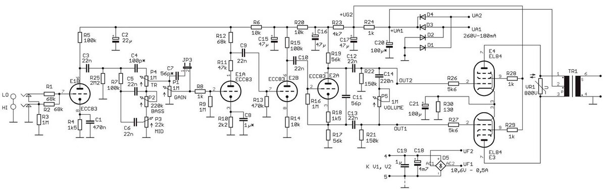
Ламповый усилитель низкой частоты, автор постепенно развивал исходную схему, было опробовано много вариантов с различными изменениями, эта — последняя. Как и любой ламповый усилитель, эту схему можно легко модифицировать, заменив некоторые компоненты без риска ухудшения параметров. Было опробовано несколько вариантов усилителя, и он себя не плохо зарекомендовал. Поэтому для него была разработана печатная плата (как вариант), которая представлена ниже в статье. Схема ламповый усилитель низкой частоты достаточно проста, а конструкция максимально упрощена за счет использования печатной платы, на которой установлены практически все компоненты, за исключением выходных ламп, трансформаторов. Схема ламповый усилитель низкой частоты представлена на рисунке. С двух выбираемых входов с обычным переключателем, реализованный непосредственно через разъёмы 1/4 jack, сигнал поступает на сетку первой половины входной лампы E1 — разумеется, лампа ECC83 (примерный аналог - 6Н2П). Вход HI имеет большую ч

Ламповый усилитель низкой частоты, автор постепенно развивал исходную схему, было опробовано много вариантов с различными изменениями, эта — последняя. Как и любой ламповый усилитель, эту схему можно легко модифицировать, заменив некоторые компоненты без риска ухудшения параметров. Было опробовано несколько вариантов усилителя, и он себя не плохо зарекомендовал.

Вариант исполнения (можно и по другому)
Вариант исполнения (можно и по другому)

Поэтому для него была разработана печатная плата (как вариант), которая представлена ниже в статье. Схема ламповый усилитель низкой частоты достаточно проста, а конструкция максимально упрощена за счет использования печатной платы, на которой установлены практически все компоненты, за исключением выходных ламп, трансформаторов. Схема ламповый усилитель низкой частоты представлена на рисунке.

Принципиальная схема усилителя
Принципиальная схема усилителя

С двух выбираемых входов с обычным переключателем, реализованный непосредственно через разъёмы 1/4 jack, сигнал поступает на сетку первой половины входной лампы E1 — разумеется, лампа ECC83 (примерный аналог - 6Н2П). Вход HI имеет большую чувствительность и сопротивление 1 МОм, вход LO — сопротивление около 100 кОм и примерно вдвое меньшую чувствительность.

Обычные коррекции снимаются с анода E1В. Такие включения с небольшими вариациями использовались многими производителями гитарных усилителей. Изменения подключения корректора средних частот по сравнению с оригиналом. По мнению, конденсатор, подключенный к движку потенциометра, создает более подходящую форму частотную характеристику, чем при регулировании переменным резистором. После коррекций идет первый регулятор усиления (GAIN). Обычно используется логарифмическая кривая потенциометра, но, если вам нужна более агрессивная характеристика усиления, используйте P1 с линейной кривой.

Небольшой конденсатор C7 можно подключить к потенциометру с помощью перемычки или переключателя, подключенного к точке JP3 и выведенного на панель усилителя. Это способствует для более высоких частот, и они будут меньше ослабляться потенциометром. Подходит для более резкого гитарного тона, с емкостью С7 (56 пФ) можно экспериментировать, так и с компонентами в схеме коррекции. Значения компонентов, отмеченных на схеме звездочкой, зависят от личных вкусов пользователя. Вторая половина лампы E1 дополнительно усиливает сигнал, в катоде имеется RC-элемент, при меньшей емкости конденсатора C8 высокие частоты будут подчеркнуты, опять же тема для экспериментов.

Расположение компонентов на печатной плате
Расположение компонентов на печатной плате
Разводка печатной платы усилителя как вариант
Разводка печатной платы усилителя как вариант

В аноде лампы Е1А имеется несколько необычный делитель, снижающий выходное напряжение. Делитель нагружен на сопротивление сеточного резистора R13, в первоисточнике сопротивление было еще меньше. В катоде лампы E2B также имеется большое не зашунтированное сопротивление, возникающая отрицательная обратная связь снова снижает усиление. Усилитель может служить примером полностью использованных 2x ECC83 без лишних компонентов, запас усиления при этом достаточный. Вторая половина E2 служит обычным, проверенным инвертором, необходимым для питания выходных ламп EL84, включенных по двухтактной схеме.

Один сигнал снимается с анода, другой с катода. Стоит упомянуть регулятор выходной громкости (VOLUME). Он подключается между сигналами противоположной полярности, которые он фактически замыкает через конденсатор C14 при установке на минимум. В исходной схеме использовался линейный потенциометр, но процесс регулировки громкости оказался неудовлетворительным. Большинство компонентов, включая входные лампы, размещены на печатной плате, только трансформаторы и выходные лампы EL84 вместе с соответствующими резисторами размещены на шасси. Схема и усилитель опубликованы для ознакомления и как вариант исполнения.

-5