Добавить в корзинуПозвонить
Найти в Дзене
АвтоЭлектриК

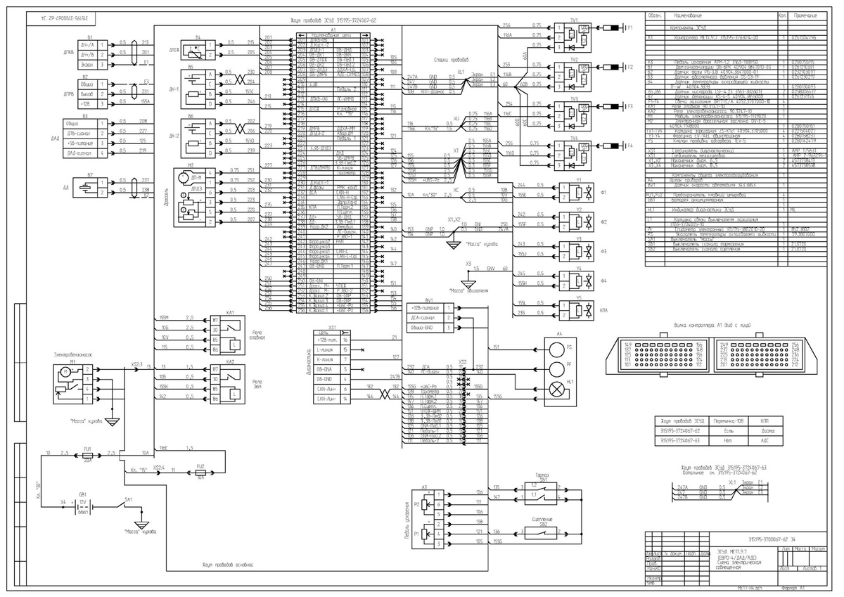
Микас 17.9.7

Автор обитает, в телеграмм канале Автоэлктрик. Автору будет приятна обратная реакция от вас, лайк, подписка и до встречи.

#схема #Микас 17.9.7 #ВАЗ #полезное #справка

Автор обитает, в телеграмм канале Автоэлктрик.

Автору будет приятна обратная реакция от вас,

лайк, подписка и до встречи.

Микас 17.9.7
Микас 17.9.7