Добавить в корзинуПозвонить
Найти в Дзене

Монитор ASUS VS238H-P. Мой, собственный)). Не работает вход HDMI, остальные - норм. Решено.

Салют! Пытался определится, вот. Суть в следующем. Монитор работал много лет без нареканий. Потом пришло время поменять комп))). А на новом компе видеокарта от AMD. Сначала, всё работало норм. Но, после обновлений-изменений, видеокарта перестала "видеть" монитор. Нет изображения с выхода HDMI видеокарты на входе HDMI монитора. Там проблема у видеокарт от AMD, нужно вручную поправить разрешение, ещё что-то, Кароч, танцы-с-бубном))). В процессе меняли разъёмы подключения, кабеля, переходники... HDMI-HDMI, DisplayPort-HDMI. Подключали на "холодную" и на "горячую". И, видимо, в какой-то момент, что-то "тыкнуло", и монитор перестал показывать изо. Пишет - HDMI нет сигнала. С DVI и VGA входов работает, даже через переходник HDMI-DVI и HDMI-VGA. Получается, что HDMI вход монитора не распознаёт сигнал и не переключает скалер на HDMI-вход. Есть схема на похожий монитор. Несколько скринов, нужных в данном случае. Прошил U504, И U402. Ничего не поменялось. Поменял U505. Не работает. Пом

Салют!

Пытался определится, вот.

Всем салют! Предлагаю напрячь свои мозги, заодно мне помочь)). Мой монитор ASUS VS238H-P. Работал исправно много лет. Но несколько месяцев назад начал чудить)). Не работает HDMI вход (непонятка). Далее - 3 фото. Первое - монитор+Андроид коробка для ТВ. Есть изображение. Второе фото - монитор+нетбук , не видит монитор. Третье - нетбук + другой монитор. Есть изображение. Никак понять не могу…
Будни (радио)инженера18 июля 2024

Суть в следующем. Монитор работал много лет без нареканий. Потом пришло время поменять комп))). А на новом компе видеокарта от AMD. Сначала, всё работало норм. Но, после обновлений-изменений, видеокарта перестала "видеть" монитор. Нет изображения с выхода HDMI видеокарты на входе HDMI монитора. Там проблема у видеокарт от AMD, нужно вручную поправить разрешение, ещё что-то, Кароч, танцы-с-бубном))). В процессе меняли разъёмы подключения, кабеля, переходники... HDMI-HDMI, DisplayPort-HDMI. Подключали на "холодную" и на "горячую". И, видимо, в какой-то момент, что-то "тыкнуло", и монитор перестал показывать изо. Пишет - HDMI нет сигнала. С DVI и VGA входов работает, даже через переходник HDMI-DVI и HDMI-VGA. Получается, что HDMI вход монитора не распознаёт сигнал и не переключает скалер на HDMI-вход.

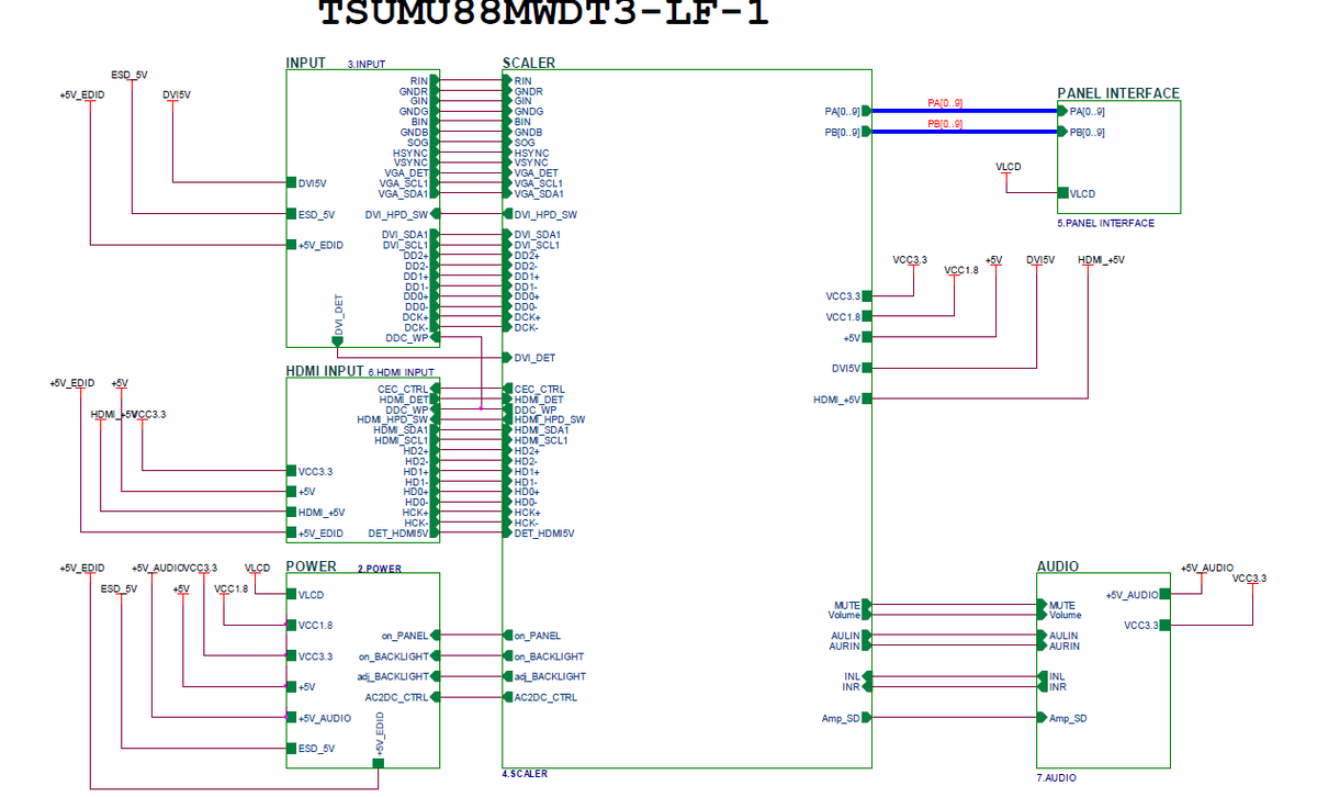
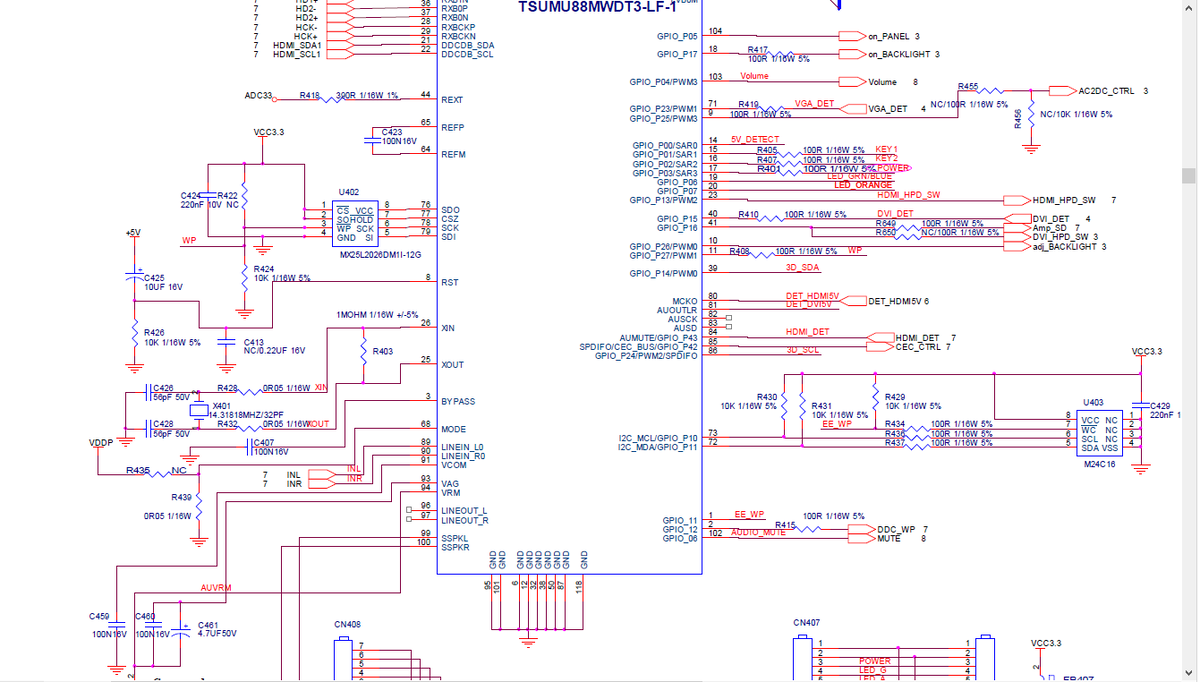
Есть схема на похожий монитор. Несколько скринов, нужных в данном случае.

Прошил U504,

-2

И U402.

-3

Ничего не поменялось. Поменял U505.

Не работает.

Поменял даже скалер...используя нижний подогрев.

Всё так же. Все входы монитора, кроме HDMI работают.

Но, HDMI выход видеокарты работает на другом мониторе.

-5

Тут я снова подключил Андроид Бокс. На ASUS.

Работает.

-7

Оставил, лежал монитор разобранный пару недель)). Думаю, надо решить, или так или так.

Начал снова и по пу пунктам. Проверил всё, что касаемо HDMI.

-8

Вот по пунктам и прошёлся. Прозвонил сигналы до выводов скалера, проверил прохождение сигналов при подключении кабеля.

-9

Всё оказалось норм, кроме этого участка.

-10

Схема не работала, (вернее работала хз как). Q606 и R641 заменил, и ещё, пришлось кинуть перемычку с эмиттера транзистора на общий провод, не было соединения. Вот так это выглядит.

-11

После этого проверил, подключив к системнику. Изо есть, когда картинка биоса.

При запуске системы изо нет. Это значит, при запуске системы разрешение монитора выше, чем при режиме биоса, а разрешение выше монитор не поддерживает, и тёмный экран. Вроде как, сводится к прошивке снова. Хотя я U504 уже прошивал. Поискал и нашел еще прошивку U504, что отвечает за HDMI. Прошил, притом, в оригинале 24С02, но такой не было, поставил 24С08.

-13

Запаял на место и....

-14

наконец! Собрал монитор. Включаю...

-15

Да блииин.... снова разобрал. Разъём на матрицу протёр резинкой и приклеил.

-16

И собрал снова.

-17

Итог. Когда разбирались с драйверами, подключали-отключали, меняли кабеля-разъёмы, похоже, прошла "искра" и пробило.

Вывод: как написано в инструкциях -НЕ ПОДКЛЮЧАЙТЕ И НЕ ОТКЛЮЧАЙТЕ HDMI КАБЕЛИ не отключив устройства от сети!

P.S. На самом деле работы гораздо больше, чем я описал, потому что некоторые действия проходишь по нескольку раз. И проверяешь соединения, и прошиваешь по нескольку раз, меняя микросхему, прошивку, программатор и т.д. Но суть в том, что описано выше - нерабочая часть схемы плюс "слёт" прошивки.

Всем добра!