Найти в Дзене
СамЭлектрик.ру

Почему в АВР нужно разрывать не только фазы, но и нейтрали

Был у меня случай, долго над ним думал, почему так. Дано: дом, в нём генератор, щит под трёхфазку, всё в дифзащите, строилось от однофазного генератора, все временные нагрузки от него, тут человек порешал с другим человеком и получил от него подключение, однофазку, линию притянул (так-то у человека заказаны ТУ, но их исполнение затягивалось), тут у него электрики кончились и мне надо поженить этот цирк. СтОит отметить, что у этого человека второе по параноидальности заземление из всех мною виденных - там реально всё село можно заземлить и ничего не будет. Ставлю перекидной рубильник, заземляю гену, подключаю внешнюю сеть от того товарища, едем туда втыкать там в щит, включаю, проверяю наличие напряжения на выходе, ток нулевой, значит, утечки по линии нет, едем обратно, проверяю напряжение, оно есть, то есть линия цела, включаю - дом гаснет из-за сработки УЗО. Переводим на гену - всё работает. Подключаю внешку - отрубает. И тут мне приходит в голову мысль не просто проверить наличие нап

Был у меня случай, долго над ним думал, почему так. Дано: дом, в нём генератор, щит под трёхфазку, всё в дифзащите, строилось от однофазного генератора, все временные нагрузки от него, тут человек порешал с другим человеком и получил от него подключение, однофазку, линию притянул (так-то у человека заказаны ТУ, но их исполнение затягивалось), тут у него электрики кончились и мне надо поженить этот цирк.

СтОит отметить, что у этого человека второе по параноидальности заземление из всех мною виденных - там реально всё село можно заземлить и ничего не будет.

Ставлю перекидной рубильник, заземляю гену, подключаю внешнюю сеть от того товарища, едем туда втыкать там в щит, включаю, проверяю наличие напряжения на выходе, ток нулевой, значит, утечки по линии нет, едем обратно, проверяю напряжение, оно есть, то есть линия цела, включаю - дом гаснет из-за сработки УЗО. Переводим на гену - всё работает. Подключаю внешку - отрубает.

И тут мне приходит в голову мысль не просто проверить наличие напряжения, а именно его измерить. Генератор (модель не помню, но мощность 8 кВт китайских, хотя хозяин и утверждает, что на сварку он даже не рычал, молотил без изменений тона) выдаёт 240, линия приходит 200. Понятно, что село, сети хреновые, да ещё и этот "удлинитель" ЕМНИП около 250 метров СИП 2*16 через лес по деревьям... Но тут я замерил с фазы на землю - 220, а самое интересное - с нуля на землю - 30 вольт! Вот это было неожиданно...

Это был рассказ подписчика.

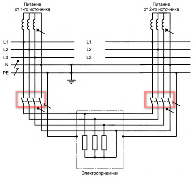
Я дополню. Вывод из сказанного - на вводе в электрощит нужно коммутировать не только фазы, но и нейтраль. Соответственно, если ввода два - от генератора и от сети - то и рвать нейтрали нужно в двух местах.

Обсуждали на канале этот факт подробно: