Найти в Дзене

LM324. Управление водой в доме и на даче.

Дренаж воды и наполнение баков в одном флаконе! Попался мне наборчик от наших друзей. Чем примечателен? С помощью данной схемы можно управлять водоснабжением в доме или на дачном участке в зависимости от нужд хозяина. К примеру, надо откачивать отработанную воду, а другим надо накачивать баки с водой.
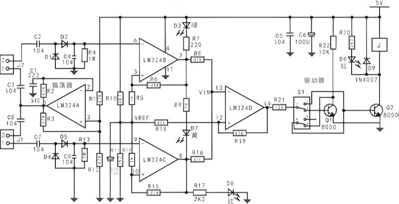
Этот простой и дешевый набор делает и то и другое. Так выглядит принципиальная схема этого устройства: А так уже в собранном виде: На фото видим переключатель. При отжатом состоянии плата работает в режиме закачки воды, а при нажатом - в режиме откачки, т.е. дренажа.
Интересной особенностью схемы является гистерезис.
Датчики подключаются к разъемам J1, J2.
В моём случае требовалось устройство для откачивания воды из ёмкости, куда сливалась вода из септика.
Итак, кнопка нажата. Разъём J2 - нижний датчик, J1 - верхний.
Не стал мудрить, а использовал уже готовые датчики поплавкового типа: Выбрал именно их, так как обычные голые провода в качестве датчиков не очень подходят. Во-первых, их буд

Дренаж воды и наполнение баков в одном флаконе!

Попался мне наборчик от наших друзей. Чем примечателен? С помощью данной схемы можно управлять водоснабжением в доме или на дачном участке в зависимости от нужд хозяина. К примеру, надо откачивать отработанную воду, а другим надо накачивать баки с водой.
Этот простой и дешевый набор делает и то и другое.

LM324 drainage DIY kit
LM324 drainage DIY kit

Так выглядит принципиальная схема этого устройства:

-2

А так уже в собранном виде:

-3

На фото видим переключатель. При отжатом состоянии плата работает в режиме закачки воды, а при нажатом - в режиме откачки, т.е. дренажа.
Интересной особенностью схемы является гистерезис.
Датчики подключаются к разъемам J1, J2.
В моём случае требовалось устройство для откачивания воды из ёмкости, куда сливалась вода из септика.
Итак, кнопка нажата. Разъём J2 - нижний датчик, J1 - верхний.
Не стал мудрить, а использовал уже готовые датчики поплавкового типа:

-4

Выбрал именно их, так как обычные голые провода в качестве датчиков не очень подходят. Во-первых, их будет разъедать агрессивная среда стоков, а во-вторых, держать под напряжением от датчиков, хоть и совсем мизерным, эту воду, соприкасающуюся с землей мне показалось совсем неразумным.
Установил их на стойку из дюралевого уголка.

-5

Очень важно! Чтобы обеспечить герметичное соединения датчиков, находящихся в агрессивной среде стоков необходимо сделать так: берем какую-то трубку, коробочку или что-то ещё, где размещаем выводы датчиков и их подключение к проводу, идущему в коробочку с устройством. После соединения проводов изолируем их друг от друга термоусадкой, после чего тестируем в обязательном порядке работоспособность устройства!
Убедившись, что все работает как надо, заливаем эту трубку или коробочку эпоксидкой.
Только эпоксидка создаст надёжную герметизацию соединений от агрессивной среды. Никакие силиконы, клеи, герметики не обеспечат нужную герметизацию!
Недостаток - невозможность простого демонтажа. Но лично мне он и не нужен, если всё нормально функционирует.

-6

Итак, как оно работает?
Подключаем устройство. Датчики-поплавки в нижнем положении. На розетке, куда подключается насос, напряжения нет.
Нижний датчик всплыл (в верхнем положении), загорается желтый диод, активируется режим ожидания. Вода доходит до верхнего датчика, датчик всплыл, загорается красный и зеленый диоды, насос включается.
Верхний датчик в нижнем положении (поплавок упал), насос продолжает работать, красный диод выключается. Уровень воды падает, доходит до нижнего датчика, поплавок падает, насос отключается. Нижний датчик всплыл (в верхнем положении), загорается желтый диод, активируется режим ожидания.
Вот такой цикл.
Плата установлена в коробочку, а на коробочку прилепил обычную розетку, куда подключаю насос.

-7

Светодиоды выводить наружу не стал из соображений уменьшения вероятности проникновения влаги внутрь корпуса, хотя можно их и вывести для наглядности.

Устройство проверено, работает уже 2 месяца без сбоев и замечаний.

-8

Всем удачных самоделок и мирного неба над головой!