Добавить в корзинуПозвонить
Найти в Дзене
Павел Зеленцов

Оптронный интерфейс для соединения радиостанции с компьютером

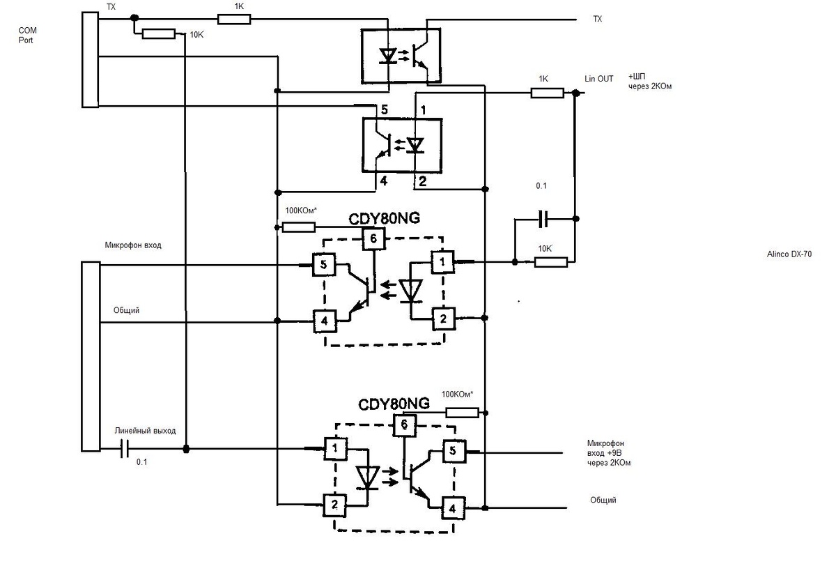
Радиолюбители часто используют простейшие интерфейсы (модемы), для соединения своих радиостанций с компьютером. Что позволяет использовать радиостанцию для работы цифровыми видами связи. В своё время, я тоже этим увлекался. Но, все имеющиеся тогда схемы, имели один существенный недостаток. Они или вообще не имели никакой гальванической развязки, или имели трансформаторную развязку для звуковых сигналов приёма, и передачи. Но, обычный трансформатор является плохой защитой от ВЧ напряжения, что опасно для компьютера. Да и помехи от компьютера, сохдают проблемы при приёме. И тогда я решил попробовать, для соединения Alinco DX-70, использовать оптронную развязку, вместо трансформаторной. Схема работала превосходно. Суть в том, что мы рассматриваем транзисторный оптрон, как транзистор, который мы заводим в линейный режим. Я отошёл от радиолюбительства. И на сколько знаю, никто больше подобное не использовал. По этому, я решил опубликовать данную схему. Возможно кому то идея покажется интер

Радиолюбители часто используют простейшие интерфейсы (модемы), для соединения своих радиостанций с компьютером. Что позволяет использовать радиостанцию для работы цифровыми видами связи. В своё время, я тоже этим увлекался. Но, все имеющиеся тогда схемы, имели один существенный недостаток. Они или вообще не имели никакой гальванической развязки, или имели трансформаторную развязку для звуковых сигналов приёма, и передачи. Но, обычный трансформатор является плохой защитой от ВЧ напряжения, что опасно для компьютера. Да и помехи от компьютера, сохдают проблемы при приёме. И тогда я решил попробовать, для соединения Alinco DX-70, использовать оптронную развязку, вместо трансформаторной. Схема работала превосходно. Суть в том, что мы рассматриваем транзисторный оптрон, как транзистор, который мы заводим в линейный режим. Я отошёл от радиолюбительства. И на сколько знаю, никто больше подобное не использовал. По этому, я решил опубликовать данную схему. Возможно кому то идея покажется интересной, и захочется её повторить.