Добавить в корзинуПозвонить
Найти в Дзене
Что умею, то творю

Купил проект дома на маркетплейсе

Есть такое высказывание: «Если не можешь бежать — иди, не можешь идти — ползи, не можешь ползти — ляг и лежи по направлению к цели». Пока получается, лежим)). Но все же по направлению к цели. Решился на покупку проекта дома на одном известном маркетплейсе. Буду ли строить именно этот дом? Не знаю. Наверное, да. Возможно, внесу определенные изменения. Было крайне интересно посмотреть, что внутри проектной документации. Сразу скажу, я не эксперт. И статья не ставить целью что-то прорекламировать или, наоборот, раскритиковать. После "долгих долгих" раздумий пришли к выводу, что двух, или трехкомнатная квартира на земле (я про площадь дома) это самый лучший вариант. И так нашли проект одноэтажного дома общей площадью до 100 кв. метров. А точнее 102,92кв. метров. Какие были опасения при покупке данного проекта?
Прежде всего-то, что он окажется набором красивых рекламных буклетиков (с вариантами внутреннего дизайна, сформированными в какой-то там программе). Второе (исходит из первого) от

Есть такое высказывание:

«Если не можешь бежать — иди, не можешь идти — ползи, не можешь ползти — ляг и лежи по направлению к цели».

Пока получается, лежим)). Но все же по направлению к цели.

Решился на покупку проекта дома на одном известном маркетплейсе.

Буду ли строить именно этот дом? Не знаю. Наверное, да.

Возможно, внесу определенные изменения.

Было крайне интересно посмотреть, что внутри проектной документации.

Сразу скажу, я не эксперт. И статья не ставить целью что-то прорекламировать или, наоборот, раскритиковать.

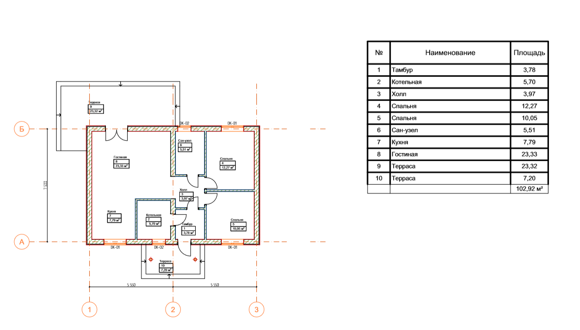
После "долгих долгих" раздумий пришли к выводу, что двух, или трехкомнатная квартира на земле (я про площадь дома) это самый лучший вариант.

И так нашли проект одноэтажного дома общей площадью до 100 кв. метров.

А точнее 102,92кв. метров.

Какие были опасения при покупке данного проекта?
Прежде всего-то, что он окажется набором красивых рекламных буклетиков (с вариантами внутреннего дизайна, сформированными в какой-то там программе).

Второе (исходит из первого) отсутствие "конкретики", крайне необходимой при самостоятельном строительстве (имею в виду, конечно же, размеры и разные технические нюансы).

Третье (наоборот) слишком сложные расчеты и как итог, "отсыл" к профессионалам, что-то типа - "конечно же, вы можете попробовать это сделать сами, но лучше обратиться в профессиональные строительные организации".

Но, к счастью, этого не случилось. И имея не совсем высокие навыки в чтении чертежей, мне все вполне "зашло".

Давайте коротко пробежимся по полученной мной документации.

Документ состоит из 39 листов. Разбит на 6 разделов:

1 Общая информация о проекте

2 Фасады

3 Основание

4 Фундамент

5 1 этаж

6 Кровля

Общая информация о проекте

В ней указаны rонструкции принятые в проекте: фундамент - свайно-ростверковый, наружные стены - газобетонный блок D500 t=300 мм., с утеплением теплового контура, утеплитель - пенополистирол t=100 мм., перекрытие - деревянное сборное t=200 мм., внутренняя отделка - штукатурка - гипсовая Knauf, наружная отделка - декоративная штукатурка.

Общие указания, а также указания по производству кладочных и монолитных работ. Ни какой "воды", все по делу!

Приводится ряд чертежей с габаритными размерами и в разрезе.

-2

В разделе Фасады обозначены высотные отметки (прошу прощения, что, возможно, выражаюсь не профессиональным языком).

-3

В разделе Основание - чертежи для разметки основания под фундамент, включая "свайное поле" места установки свай.

-4

В разделе Фундамент размещена общая схема ростверка, опалубочный план, а также приведены ряд 3D снимков фундамента.

-5

-6

В раздел 1этажа включены кладочные планы несущих стен и перегородок, а также схемы перемычек и армопояса.

-7

Также добавлен 3D вид стен.

-8

В раздел Кровля состоит их схем балок перекрытия, схемы кровли и стропил, также приведены 3D рисунки кровли.

-9

-10

Подвожу итог

Приобретенным проектом вполне доволен. Стало более понятно то, что раньше не совсем понимал.

Не все, что указано в проекте, буду реализовывать. А именно: есть вопрос по фундаменту (возможно будет плита). Также на пол в проекте уложены плиты перекрытия (не мой вариант, в планах полы по грунту). Большая терраса также не вписывается в мой план. Буду ее смещать относительно дома.

После ознакомления с проектом понимаешь "масштаб" работы. Появилась уверенность, что это вполне возможно реализовать.

Приятный бонус от продавца - расчет смета (таблиц в Exel). Чтобы закупить именно то, что нужно в необходимом объеме.

Еще раз повторюсь, это не реклама! Писать и просить выслать проект а также ссылки на продавца не надо. Заходите на просторы интернета - предложений более чем. Данный проект приобрел на одном из маркетплейсов. Кстати ценник с момента покупки значительно снизился. но я об это не жалею.