Добавить в корзинуПозвонить
Найти в Дзене
Den Electro

Увеличиваем напряжение USB порта!

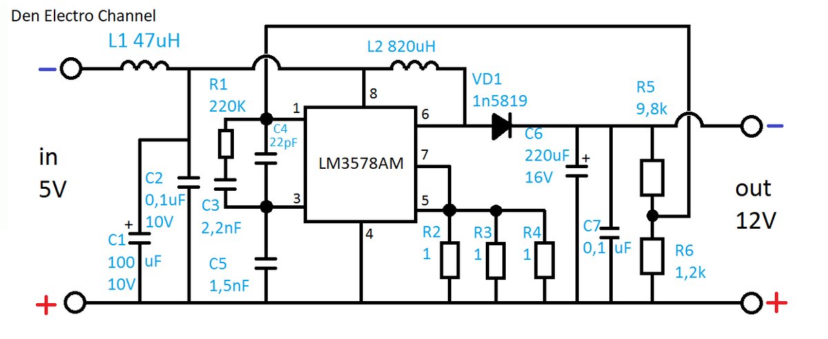
Привет всем! Сегодня мы детально рассмотрим, как можно увеличить напряжение стандартного USB-разъема с 5 Вольт до 12 Вольт с помощью импульсного DC-DC преобразователя на микросхеме LM3578AM. Такая схема идеально подойдет для питания маломощных устройств, например, небольших вентиляторов или светодиодных светильников. Важно помнить, что ток нагрузки не должен превышать 150 мА. Принцип работы схемы Поскольку наш преобразователь является импульсным, на входе установлена индуктивность L1. Её задача — предотвращать проникновение импульсных помех в цепи устройства, питающегося от USB-порта. В основе микросхемы U1 (LM3578AM) лежит импульсный генератор с широтно-импульсной модуляцией (ШИМ) и встроенный выходной ключ на биполярном транзисторе. Этот ключ подключен к выводам 6 (коллектор) и 5 (эмиттер) микросхемы. Вывод 7 служит входом для контрольной схемы защиты по току. Она отслеживает ток, проходящий через ключ, по падению напряжения на низкоомных резисторах R2-R4. Если ток превышает допустим

Привет всем! Сегодня мы детально рассмотрим, как можно увеличить напряжение стандартного USB-разъема с 5 Вольт до 12 Вольт с помощью импульсного DC-DC преобразователя на микросхеме LM3578AM.

Такая схема идеально подойдет для питания маломощных устройств, например, небольших вентиляторов или светодиодных светильников. Важно помнить, что ток нагрузки не должен превышать 150 мА.

Принцип работы схемы

Поскольку наш преобразователь является импульсным, на входе установлена индуктивность L1. Её задача — предотвращать проникновение импульсных помех в цепи устройства, питающегося от USB-порта.

В основе микросхемы U1 (LM3578AM) лежит импульсный генератор с широтно-импульсной модуляцией (ШИМ) и встроенный выходной ключ на биполярном транзисторе. Этот ключ подключен к выводам 6 (коллектор) и 5 (эмиттер) микросхемы.

Вывод 7 служит входом для контрольной схемы защиты по току. Она отслеживает ток, проходящий через ключ, по падению напряжения на низкоомных резисторах R2-R4. Если ток превышает допустимое значение, срабатывает защита.

Напряжение "накачивается" на индуктивности L2. Затем это переменное напряжение выпрямляется с помощью диода Шоттки VD1 и сглаживается конденсаторами С6 и С7, формируя стабильное выходное напряжение.

Настройка выходного напряжения

Микросхема LM3578AM использует опорное напряжение 1 Вольт на контрольном входе (вывод 1). Выходное напряжение преобразователя можно точно настроить с помощью двух резисторов — R5 и R6, которые образуют делитель напряжения.

Принцип прост: напряжение на делителе делится таким образом, чтобы при желаемом выходном напряжении (например, 12В) на выводе 1 микросхемы было ровно 1В. Чем больше коэффициент деления этого делителя (R5-R6), тем выше будет выходное напряжение. В теории, максимальное выходное напряжение может достигать 30 Вольт.

Для увеличения выходного напряжения вам нужно либо уменьшить сопротивление резистора R6, либо увеличить сопротивление R5.