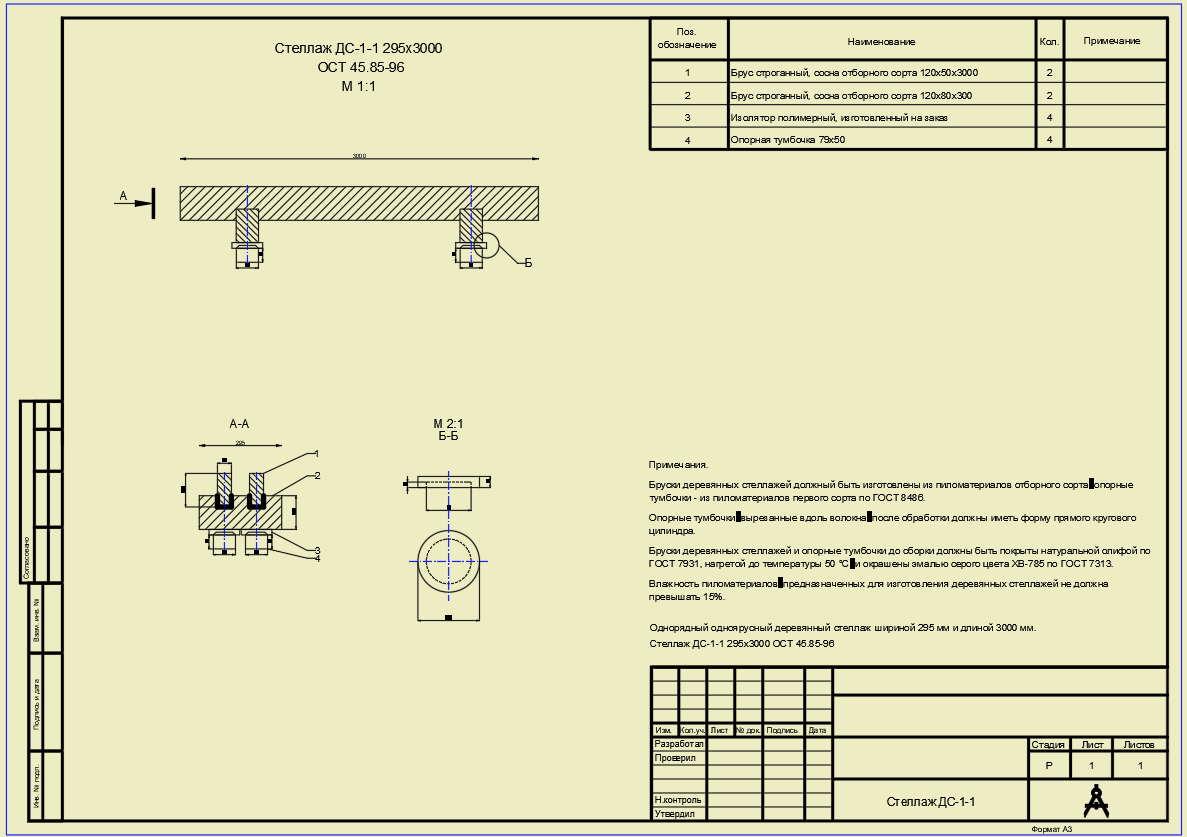
Стеллаж ДС-1-1 предназначен для стационарной установки аккумуляторов на предприятиях связи. · ДС — деревянный стеллаж · 1-1 — однорядный, одноярусный · 295х3000 — ширина и длина стеллажа в миллиметрах · ОСТ 45.85-96 — стандарт изготовления · Тип конструкции: деревянный стеллаж · Количество рядов: 1 · Количество ярусов: 1 · Ширина: 295 мм · Длина: 3000 мм · Климатическое исполнение: УХЛ для категории размещения 4.2 по ГОСТ 15150 Стеллаж предназначен для установки: · Свинцовых аккумуляторов типов от СК-1 до СК-68 · Свинцовых аккумуляторов типов от СКЭ-16 до СКЭ-68 · Свинцовых аккумуляторов закрытого типа · Щелочных аккумуляторов емкостью до 125 А·ч · Бруски: изготавливаются из пиломатериалов отборного сорта · Опорные тумбочки: изготавливаются из пиломатериалов первого сорта по ГОСТ 8486 · Допуски размеров: o ±2 мм по толщине и ширине брусков o ±3 мм по длине брусков o ±2 мм по диаметру опорных тумбочек o ±2 мм по высоте опорных тумбочек · Опорные тумбочки имеют форму прямого кругового ци
