Добавить в корзинуПозвонить
Найти в Дзене
Ремонт от А до Я

Ремонт ПК на базе материнской платы Gigabyte H510M H rev. 1.1

Ремонт ПК на базе материнской платы Gigabyte H510M H rev. 1.1 Коллеги родственницы попросили посмотреть залитый водой компьютер. Во время урагана сорвало крышу в частном доме, и вода бежала прямо во включенный системный блок. Методом замены выяснилось, что сгорели SSD жесткий диск и 1 из 2 модулей памяти DDR4. Блок питания и видеокарта исправны. На нажатии на кнопку включения блок питания включается, вентиляторы крутятся, индикация горит, однако запуска не происходит. Даже с исправными модулями оперативной памяти и жестким диском. Проверю отдельно материнскую плату. Подключаю кнопку включения ПК к контактам 6 и 8 разъема F_PANEL. Блок питания подключаю к разъему ATX и ATX_12V на материнской плате. Проверяю батарейку BIOS на батарее 3 В. Проверяю генерацию на кварце NX2-генерация есть. Проверяю нет ли КЗ по линии питания процессора. Один вывод тестера на 12V другой на дроссели вокруг процессора DA_DL1- DF_DL1. КЗ отсутствует. Начинаю проверку с цепи +5VSB (дежурки). Смотрю наличие на

Ремонт ПК на базе материнской платы Gigabyte H510M H rev. 1.1

Коллеги родственницы попросили посмотреть залитый водой компьютер. Во время урагана сорвало крышу в частном доме, и вода бежала прямо во включенный системный блок.

Методом замены выяснилось, что сгорели SSD жесткий диск и 1 из 2 модулей памяти DDR4. Блок питания и видеокарта исправны. На нажатии на кнопку включения блок питания включается, вентиляторы крутятся, индикация горит, однако запуска не происходит. Даже с исправными модулями оперативной памяти и жестким диском.

Проверю отдельно материнскую плату.

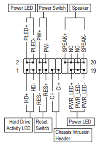
Подключаю кнопку включения ПК к контактам 6 и 8 разъема

F_PANEL.

Блок питания подключаю к разъему ATX и ATX_12V на материнской плате.

-2

Проверяю батарейку BIOS на батарее 3 В.

Проверяю генерацию на кварце NX2-генерация есть.

Проверяю нет ли КЗ по линии питания процессора. Один вывод тестера на 12V другой на дроссели вокруг процессора DA_DL1- DF_DL1. КЗ отсутствует.

Начинаю проверку с цепи +5VSB (дежурки).

Смотрю наличие напряжения +5VSB на BC43.2. Напряжение присутствует +5,0 В.

Далее проверяю дежурку +3V . На схеме эта цепь называется 3VDUAL_PCH. Буду смотреть на NQ9.2. Напряжение присутствует +3,43 В.

-3

Далее проверяю сигнал "RSMRST", его уровень должен быть "высоким".

RSMRST смотрю на SIO.114 или на резисторе OR72. На обоих концах 3,45 В.

Снижение напряжение до 0 В при нажатии кнопки «POWER» происходит.

Проверить изменение напряжения после включения.

-4

Проверю доходит ли сигнал включения от кнопки до мультиконтроллера.

-5

До контроллера сигнал доходит, при нажатии кнопки напряжение с 3,4 В опускается до 0 В.

Проверяю напряжения питания

5VDUAL

Измерил +5,06 В

-6

VDDQ

+1,2 В

-7

VPP_25V

Измерил +2,53 В

-8

Проверка BIOS

-9

Проверил значение напряжения 3VDUAL на материнской плате. Программатор работает с напряжением 3,3 В. Измерил 3,46 В.

Подключил к программатору CH341 - зашил свежую прошивку!

BIOS исправен.

На данном этапе понимая, что у меня нет достаточно знаний по данной тематике решил купить восстановленную точно-такую же плату.

Частный мастер по ремонту материнских плат не только продал мне исправную плату, но и продиагностировал старую.

Неисправность заключалась в том, что хаб не сбрасывал RESET.

Это не удивительно ведь материнская платы была залита, со слов мастера велика вероятность, что хаб надо отреболить и все заработает.

Посмотрел сколько стоит трафаретная маска (500 руб), сколько хаб (3500 руб) и решил, что причина неисправности может быть как в окислах под хабом, так и самом неисправном хабе и решил сдать мастеру эту плату за 500 руб в качестве донора.

Буду заниматься такими вещами когда появиться опыт в накатке шаров. Пока его особо нет, т.к. на работе нет ни одного изделия которое нужно реболить.

Родственнице сказал стоимость материнской карты, SSD и планки памяти DDR4.

Заменил и все заработало. Стоимость ремонта составила 15000 руб при стоимости компьютера 100000 руб это 15 %. Как мне сказали мои коллеги, раннее работавшие в подобных сервисах стоимость ремонта составляет не менее 30 % от стоимости изделия.

-10