Добавить в корзинуПозвонить
Найти в Дзене
AutoCAD Electrical

Кабельные подключения к щиту

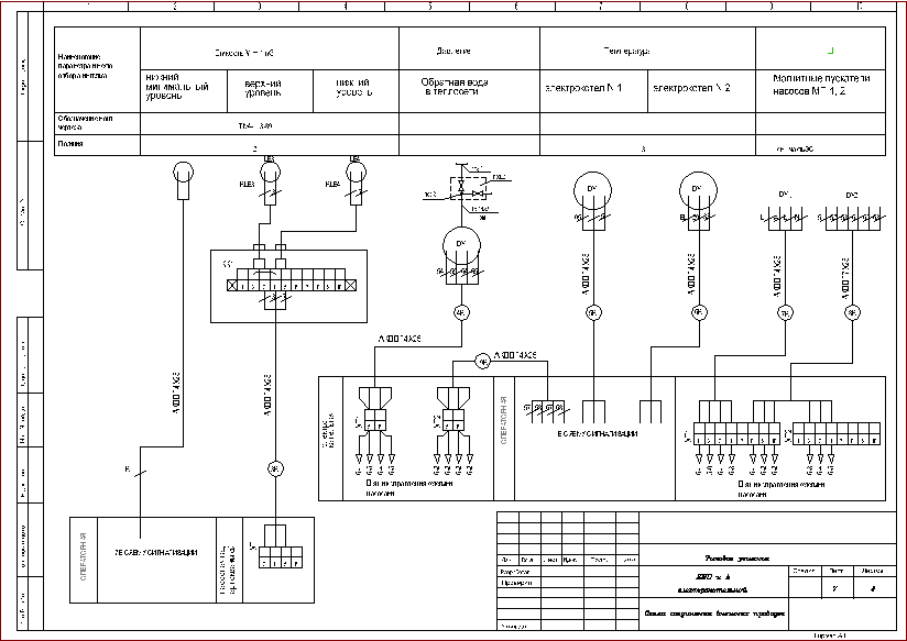
Данные «Редактора клеммных колодок» можно использовать для создания чертежей кабельных подключений к щиту. Например, в проекте имеется схема соединения внешних проводок. Данные о клеммах проекта передаются в «Редактор клеммных колодок». В диалоге «Выбор клеммной колодки» выбираем клеммник +Щ-ХТ1, который содержит 10 клемм, (+Щ – код места размещения клеммника). Нажимаем кнопку Правка. В диалоге «Редактор клеммных колодок…» нажимаем кнопку Заменить код места в блоке Приемники. В диалоге «Переключить коды места» с помощью кнопок Переключить… устанавливаем: Внутренний адрес – Щ (приборы в щите) Внешний адрес – М (приборы по месту) В диалоге «Редактор клеммных колодок…» выбираем первую клемму и нажимаем на пиктограмму Вставить вспомогательную принадлежность в блоке Запас. В диалоге «Вставить вспомогательную принадлежность» вводим данные в поля Номер и Количество, при необходимости назначаем каталожные данные. Нажимаем кнопку Вставить выше, вспомогательная принадлежность добавлена перед п

Данные «Редактора клеммных колодок» можно использовать для создания чертежей кабельных подключений к щиту.

Например, в проекте имеется схема соединения внешних проводок.

Данные о клеммах проекта передаются в «Редактор клеммных колодок».

-2

В диалоге «Выбор клеммной колодки» выбираем клеммник +Щ-ХТ1, который содержит 10 клемм, (+Щ – код места размещения клеммника).

Нажимаем кнопку Правка.

В диалоге «Редактор клеммных колодок…» нажимаем кнопку Заменить код места в блоке Приемники.

-3

В диалоге «Переключить коды места» с помощью кнопок Переключить… устанавливаем:

Внутренний адрес – Щ (приборы в щите)

Внешний адрес – М (приборы по месту)

-4

В диалоге «Редактор клеммных колодок…» выбираем первую клемму и нажимаем на пиктограмму Вставить вспомогательную принадлежность в блоке Запас.

-5

В диалоге «Вставить вспомогательную принадлежность» вводим данные в поля Номер и Количество, при необходимости назначаем каталожные данные.

Нажимаем кнопку Вставить выше, вспомогательная принадлежность добавлена перед первой клеммой.

-6

Открываем вкладку Предварительный просмотр компоновки диалога «Редактор клеммных колодок…».

-7

Назначаем:

· Формат аннотации – %W (номер подключенного провода)

· Масштаб при вставке

· Угол при вставке

Нажимаем кнопку Вставить клеммную колодку.

Клеммник +Щ-ХТ1 размещен на чертеже.

Аналогично размещаем клеммник +Щ-ХТ2.

Средствами AutoCAD дорисовываем кабели, подходящие к клеммникам.

-8