Найти в Дзене
Проект И.Т.П

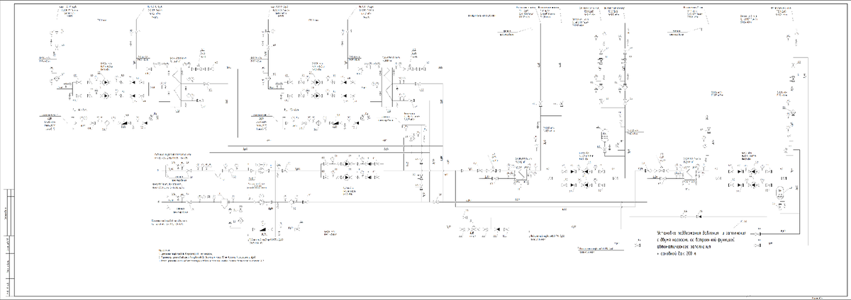
Проект индивидуального теплового пункта (ИТП) мощностью 0,879 Гкал/ч

Закончил проект ИТП (тепломеханика, узел учета на вводе теплосети, узел учета в контуре ГВС+) общей максимальной мощностью 0,879 Гкал/ч: роект выполнен полностью в Revit, спецификация так же выполнена в Revit. Заказать проект, заполнив небольшую форму, можно здесь: https://forms.yandex.ru/u/62d81292bf7fde0924872e26/ или написать в любое представительство в описании канала.
Оглавление
Модель ИТП, разработанная в Revit
Модель ИТП, разработанная в Revit

Закончил проект ИТП (тепломеханика, узел учета на вводе теплосети, узел учета в контуре ГВС+) общей максимальной мощностью 0,879 Гкал/ч:

  • отопление - 0,3710 Гкал/ч;
  • вентиляция- 0,027 Гкал/ч;
  • ГВСmax - 0,4810 Гкал/ч;

Посмотреть проект

Чертежи

Спецификация

роект выполнен полностью в Revit, спецификация так же выполнена в Revit.

Заказать проект, заполнив небольшую форму, можно здесь: https://forms.yandex.ru/u/62d81292bf7fde0924872e26/

или написать в любое представительство в описании канала.