Найти в Дзене
RADIO INFO

Модификация радиоприемника на DSP микросхеме BK1198

Добрый день дорогие друзья. На станицах моего канала, я уже много раз рассказал о проблемах для радиолюбителей с приобретением качественных комплектующих для их деятельности, особенно этим сильно грешит китайская торговая площадка AliExpress. К великому сожалению, о том что приобрели подделку и фальсификат, радиолюбители в основном узнают только после того как у них не заработало, то куда они это поставили. Для примера можете посмотреть здесь: Китайцы с AliExpress непорядочно ведут себя с нашими радиолюбителями и здесь: «Классификация поддельных радиодеталей из Китая». Я к примеру, для избежание проблем качеством деталей, очень широко использую в своих конструкциях б/у детали, недавно разобрал на детали телевизор Samsung CS-21Z45ZQQ и об этом на моем канале есть небольшой видеоролик: Из этого телевизора я извлек достаточно качественный модуль УНЧ, но об этом расскажу в следующий раз, а темой нашего сегодняшнего разговора будет как модифицировать самый простой китайский радиоп

Добрый день дорогие друзья.

На станицах моего канала, я уже много раз рассказал о проблемах для радиолюбителей с приобретением качественных комплектующих для их деятельности, особенно этим сильно грешит китайская торговая площадка AliExpress. К великому сожалению, о том что приобрели подделку и фальсификат, радиолюбители в основном узнают только после того как у них не заработало, то куда они это поставили. Для примера можете посмотреть здесь: Китайцы с AliExpress непорядочно ведут себя с нашими радиолюбителями и здесь: «Классификация поддельных радиодеталей из Китая». Я к примеру, для избежание проблем качеством деталей, очень широко использую в своих конструкциях б/у детали, недавно разобрал на детали телевизор Samsung CS-21Z45ZQQ и об этом на моем канале есть небольшой видеоролик:

Из этого телевизора я извлек достаточно качественный модуль УНЧ, но об этом расскажу в следующий раз, а темой нашего сегодняшнего разговора будет как модифицировать самый простой китайский радиоприемник на DSP микросхеме BK1198, добавив в него КВ диапазоны.

Приобрести подобный приемник в рабочем состоянии можно Авито или барахолке за 50-100 руб,

Вот для примера мой недавний обзор с барахолки: «Что радиолюбители интересного могут найти и купить на барахолке. Май 2025 года» Возможно такой приемник даже есть и у Вас наличии, или у знакомых и родственников, и они с удовольствием Вам его отдадут.

Перед тем как я буду Вам рассказывать о модификации радиоприемника на DSP микросхеме BK1198, рекомендую ознакомиться с тем, что такое DSP микросхема BK1198: «Очень интересная, но малоизвестная для радиолюбителей микросхема всеволнового DSP FM- АМ радиоприемника BK1198» и «Собираем универсальный FM- АМ радио модуль на микросхеме BK1198, для переделки и реставрации старых советских радиоприемников»

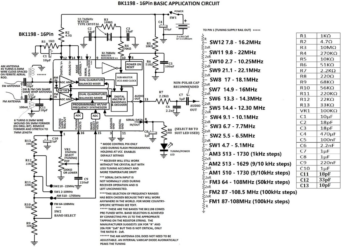
На всякий случай привожу исходную схему, на основе которой я разрабатывал свой радиомодуль.

-2

Обратите внимание что здесь, в отличии от микросхем KT0936MB9 и SI4825A10, все резисторы для выбора диапазонов стандартного значения.

А это схема разработанного мной радиомодуля

-3

У некоторых китайских приемников может быть стерта маркировка микросхемы и убедится в том, что это микросхема BK1198 можно по выводам 1, 15 и 16 микросхемы в соответствии с выше приведёнными схемами.

  • Вывод 1 и 16 ( TUNE1 и TUNE2 ) отвечают за настройку и обычно подключаются к потенциометру 100 кОм .
  • Вывод 15 ( BAND ) действует как селектор диапазона и обычно подключается к переключателю диапазонов (в случае AM/FM-приемников — к двухпозиционному переключателю).
  • Вывод 1 ( TUNE1 ) соединяется как с переключателем диапазонов, так и с настроечным потенциометром.

Если эти контакты не подключены, как описано выше, то, скорее всего, микросхема не BK1198.

Плата приемника на микросхеме не BK1198

-4

Выводы 1 и 15 BK1198 будут иметь важное значение для процесса модификации, так как они отвечают за выбор частотных диапазонов и следующий шаг — отключить цепь резисторов , которые составляют делитель напряжения, отвечающий за исходный выбор диапазона (AM/FM).

-5

Обратите внимание, что на предыдущем рисунке дорожки на плате цепи резисторов были перерезаны, но мой взгляд что наилучшим подходом будет удаление исходных резисторов выбора диапазона, что исключит необходимость перерезать дорожки. Таким образом, три провода нового переключателя диапазонов можно будет припаять непосредственно на место на исходного переключателя дипазонов

-6

Переключатель AM/FM, желательно удалить с платы, а на место оригинального переключателя просто припаять три провода от нового переключателя диапазонов. Такой подход сделает работу чище и нанесет минимальный ущерб печатной плате.

Вот так будет выглядеть схема радиоприемника на DSP микросхеме BK1198 на 12 диапазонов

-7

Можно заменить переключатель диапазонов потенциометром 500 К. Однако это может затруднить точное определение выбранного диапазона, делая настройку менее интуитивной.

По этой же методике Вы легко сможете увеличить количество принимаемых диапазонов и на радиоприемниках с микросхемами KT0936MB9 и SI4825A10, но здесь будут некоторые сложности с подбором номиналов резисторов в цепи выбора диаконов, но эта проблема легко решается способом о котором я рассказывал в этом видеоролике.

На этом у нас сегодня все.
Рекомендую посмотреть
Подборку публикаций моего канала, где Вы найдете статьи по рассмотренной выше теме, и множество других материалов, которые могут быть Вам интересны и полезны. Ставьте лайки, комментируйте, подписывайтесь и заходите на мой канал, есть много интересной и нужной информации для радиолюбителей