Найти в Дзене
Сделай сам - своими руками

Геймпад для ретро гейминга на ПК своими руками

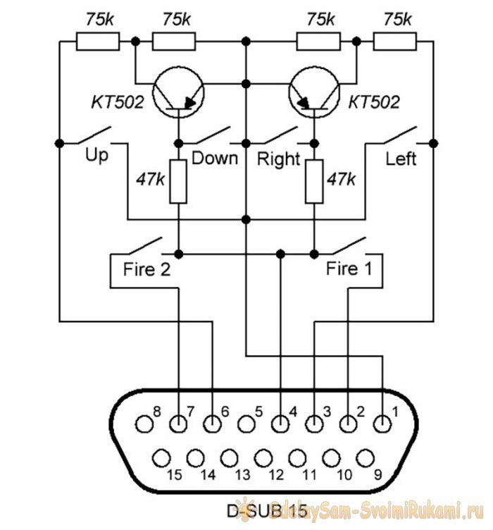
Интерфейс игрового порта, в виде плат расширения для персонального компьютера, был предложен ещё в восьмидесятых годах прошлого века. На протяжении двух десятилетий присутствовал практически в любом ПК. Отказ от массового использования произошёл в относительно недавнее время и совпал с прекращением эксплуатации систем на Windows XP. Сейчас энтузиасты собирают, ремонтируют и коллекционируют старую вычислительную технику. Многие люди с теплотой и чувством светлой ностальгии вспоминают старые игры. Геймпад позволит расширить прежний игровой опыт и замечательно подойдёт для аркад, скроллеров и гонок. Схема устройства довольно лаконична, содержит минимум деталей и проста для повторения. Игровой манипулятор от восьмибитной игровой приставки необходимо разобрать. Извлечь плату и отпаять от неё кабель подключения. Сверяясь с планом на представленном рисунке, подготовить плату к монтажу схемы. Скальпелем перерезать проводники, исходящие от микросхемы контроллера. Зачистить и залудить монтажные
Оглавление

Интерфейс игрового порта, в виде плат расширения для персонального компьютера, был предложен ещё в восьмидесятых годах прошлого века. На протяжении двух десятилетий присутствовал практически в любом ПК. Отказ от массового использования произошёл в относительно недавнее время и совпал с прекращением эксплуатации систем на Windows XP.

Сейчас энтузиасты собирают, ремонтируют и коллекционируют старую вычислительную технику. Многие люди с теплотой и чувством светлой ностальгии вспоминают старые игры. Геймпад позволит расширить прежний игровой опыт и замечательно подойдёт для аркад, скроллеров и гонок.

Схема устройства довольно лаконична, содержит минимум деталей и проста для повторения.

-2

Для сборки геймпада потребуется:

  • Игровой манипулятор от восьмибитной игровой приставки
  • Штырьковый разъём типа DB-15 с корпусом.
  • Два транзистора прямой проводимости.
  • Четыре резистора 75к и два 47к.
  • ПВХ трубка и тонкий многожильный провод в цветной изоляции.

Изготовление геймпада своими руками

Игровой манипулятор от восьмибитной игровой приставки необходимо разобрать.

Извлечь плату и отпаять от неё кабель подключения.

Сверяясь с планом на представленном рисунке, подготовить плату к монтажу схемы.

-3

Скальпелем перерезать проводники, исходящие от микросхемы контроллера.

Зачистить и залудить монтажные площадки.

Рекомендую сначала подсобрать модуль из электронных компонентов, как показано на рисунке.

-4

Транзисторы прямой проводимости (p-n-p) можно использовать любые, например отечественные КТ502, КТ3107 или импортные BC556, S9015.

Резисторы мощностью 0,125 – 0,25 Ватт, любого типа.

Выводы деталей скрутить и зафиксировать пайкой.

Собирая модуль, следует постараться исполнить его по возможности компактно.

Последовательно собирая схему геймпада, будет удобно руководствоваться планом всех соединений.

-5

Сначала можно припаять подсобранный модуль к подготовленной плате.

Установить перемычку, соединяющую контактные группы кнопок.

-6

Затем припаять пять проводов, соединяющих элементы модуля с проводниками на плате.

-7

Для подключения геймпада к компьютеру потребуется кабель с шестью проводниками внутри. Его можно изготовить из тонкостенной ПВХ трубки диаметром 4,5 миллиметра и длинной 1,8 метра, затянув в неё подходящие провода.

Очень надёжный, гибкий и подвижный кабель получится если использовать провод МГТФ.

Заключительный этап сборки схемы, на стороне геймпада, распайка шести проводов соединительного кабеля.

-8

Плату следует тщательно отмыть от флюса и загрязнений, уделив особое внимание контактным площадкам кнопок.

С двух сторон кабеля я надел протекторы из ПВХ. Их удалость снять с прежнего кабеля, которым комплектовался геймпад.

Заменить протекторы можно двухсантиметровым отрезком ПВХ трубки или термоусадки.

На свободный конец соединительного кабеля нужно припаять разъём для подключения к ПК.

-9

После пайки, установить фиксирующую скобу, вложить разъём в корпус и стянуть винтами.

Изнутри лицевой половины корпуса геймпада надо аккуратно поместить толкатели кнопок.

Поверх разложить и расправить резинки с контактами.

Накрыть платой и проконтролировать точность размещения всех слоёв.

-10

Если всё в порядке, можно закрывать корпус и закручивать саморезы. Геймпад готов.

-11

Проверить работу устройства можно программой с тестами, опрашивающими гейм-порт, или поддерживающими джойстик играми.

Я снял небольшой ролик с тестами геймпада под «DOS» в программе «CheckIt 4.1» и игре «Xenon 2».

Смотрите видео

Читайте также 🧐