Найти в Дзене

Модификации и опции гидрораспределителя Р40

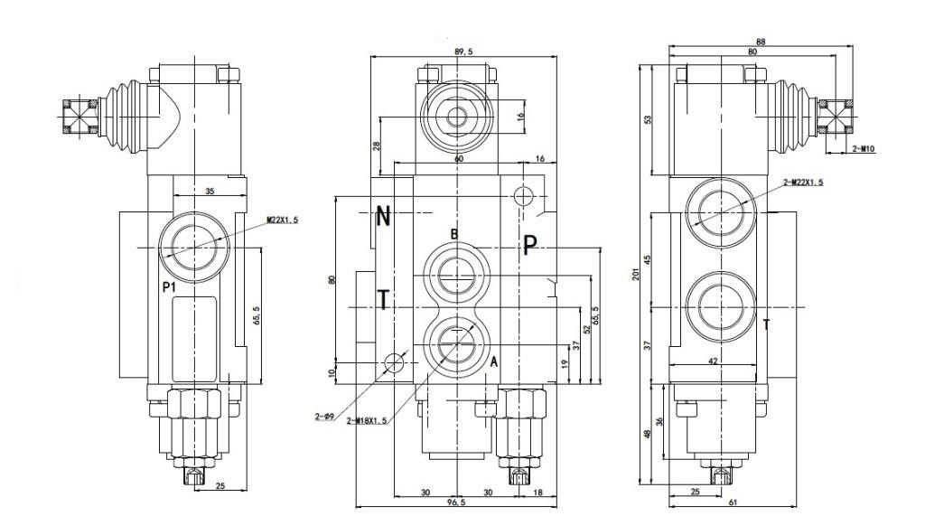
Современные промышленные системы нуждаются в надежном и эффективном оборудовании для управления потоками рабочей жидкости. Одним из самых популярных устройств в этой области является гидрораспределитель Р40 — универсальное оборудование, которое обеспечивает точное управление потоками в разных технических системах. Это оборудование имеет много вариантов и опций, что делает его важным компонентом для многих отраслей промышленности. Эта модель относится к золотниковым устройствам с ручным управлением, которые работают при давлении до 16 МПа. По конструкции это цельный корпус с встроенными каналами для подключения гидравлических шлангов. Главное достоинство этой модели — возможность управления гидроцилиндрами и гидромоторами в обе стороны при хорошей герметичности системы. Рабочая жидкость идет через центральный канал и распределяется между выходными отверстиями в зависимости от положения золотника. Такая схема дает плавное управление скоростью и направлением движения рабочих механизмов, ч
Оглавление

Современные промышленные системы нуждаются в надежном и эффективном оборудовании для управления потоками рабочей жидкости. Одним из самых популярных устройств в этой области является гидрораспределитель Р40 — универсальное оборудование, которое обеспечивает точное управление потоками в разных технических системах. Это оборудование имеет много вариантов и опций, что делает его важным компонентом для многих отраслей промышленности.

Характеристики и устройство гидрораспределителя

Эта модель относится к золотниковым устройствам с ручным управлением, которые работают при давлении до 16 МПа. По конструкции это цельный корпус с встроенными каналами для подключения гидравлических шлангов. Главное достоинство этой модели — возможность управления гидроцилиндрами и гидромоторами в обе стороны при хорошей герметичности системы.

Рабочая жидкость идет через центральный канал и распределяется между выходными отверстиями в зависимости от положения золотника. Такая схема дает плавное управление скоростью и направлением движения рабочих механизмов, что очень важно для точной работы в производстве.

Технические решения, использованные в этой модели, дают несколько важных плюсов:

Плюсы конструкции:

  • Цельный корпус со встроенными каналами делает соединения более надежными
  • Точная обработка золотниковой пары дает минимальные утечки
  • Можно работать с разными типами гидравлических жидкостей
  • Небольшие размеры при высокой производительности
  • Простой монтаж и обслуживание

Рабочие характеристики:

  • Стабильная работа в течение долгого времени
  • Хорошо переносит загрязнения рабочей жидкости
  • Тихая работа при переключении
  • Быстро реагирует на команды управления
-2

Монтаж гидрораспределителя Р40

Разнообразие конструкций позволяет встраивать распределитель в разные типы гидравлических систем. Производители делают несколько вариантов корпуса для разных областей применения:

Способы крепления и подключения:

  • Стандартное резьбовое исполнение — с отверстиями для гибких шлангов высокого давления, хорошо подходит для мобильной техники
  • Плитовое исполнение — для крепления на стандартные монтажные плиты с возможностью создания блочных гидростанций
  • Фланцевое исполнение — для постоянной установки в составе крупного оборудования
  • Картриджное исполнение — для встраивания в специальные корпуса заказчика

Современная линейка имеет три основных варианта управления, каждый из которых подходит для определенных условий работы:

Варианты управления:

  • Ручное рычажное управление — основная модификация с механическим приводом, дает точное дозирование потока и быстрое изменение направления движения рабочих органов. Отличается простым обслуживанием и высокой надежностью при интенсивной работе мобильной техники.
  • Электромагнитное управление — автоматическая версия со встроенными соленоидами для удаленного переключения золотника по команде от системы управления. Нужно в автоматических линиях, где требуется согласованная работа многих механизмов.
  • Пилотное управление — решение для систем с высоким рабочим давлением, где основной золотник двигается под действием маленького вспомогательного распределителя. Сильно снижает усилия управления и повышает скорость работы всей гидравлической системы.
-3

Опции и модификации распределителя

Современные модификации могут дополняться встроенными предохранительными клапанами, которые защищают систему от слишком высокого давления. Также ставятся обратные клапаны для предотвращения обратного потока рабочей жидкости и поддержания давления в гидроцилиндрах при выключенном насосе.

Дополнительные дроссельные вставки позволяют точно настраивать скорость движения рабочих механизмов независимо от нагрузки. Это решение особенно нужно в технологических операциях, где требуется постоянная скорость движения рабочих органов. Для автоматических систем есть модификации со встроенными датчиками положения золотника, которые передают информацию о текущем состоянии распределителя в систему управления.

Практика показывает, что нужно адаптировать стандартное гидрооборудование под особые условия работы. Для этого разработаны специальные модификации гидравлического распределителя:

Модификации для особых условий:

  • Взрывозащищенное исполнение — с усиленной герметизацией и специальными материалами для работы во взрывоопасных зонах
  • Морозостойкое исполнение — с подходящими уплотнениями для работы при температурах до -40°C
  • Коррозионностойкое исполнение — с защитными покрытиями для агрессивных химических сред
  • Высокотемпературное исполнение — для работы при повышенных температурах до +80°C
  • Пищевое исполнение — с использованием материалов, разрешенных для контакта с пищевыми продуктами
  • Медицинское исполнение — с повышенными требованиями к чистоте и стерильности
-4

Применение гидравлического оборудования в разных отраслях

Универсальная конструкция позволяет широко применять это гидрооборудование в разных отраслях:

Строительная и дорожная техника:

  • Экскаваторы и погрузчики для управления рабочим оборудованием
  • Автокраны для привода выносных опор и поворотных механизмов
  • Коммунальная техника для управления навесным оборудованием
  • Бульдозеры и грейдеры для управления отвалом

Промышленное оборудование:

  • Станки металлообработки для привода зажимных устройств
  • Прессовое оборудование для управления рабочими цилиндрами
  • Подъемно-транспортные механизмы
  • Литейное оборудование для управления формовочными машинами
-5

Как выбрать распределитель

При выборе нужного гидравлического распределителя нужно учитывать главные параметры: рабочее давление системы, расход рабочей жидкости и условия работы. Для работы в агрессивных средах нужны специальные покрытия, при низких температурах — морозостойкие материалы уплотнений.

Современные тенденции направлены на повышение экономичности и точности управления. Объединение электронных систем с традиционными гидравлическими компонентами открывает возможности для создания умных систем.

При покупке гидравлического оборудования важно обращаться к проверенным поставщикам. Компания «Сибтехноком» работает с поставками гидрораспределителей Р40 и других типов распределителей для разных отраслей промышленности. В ассортименте есть как стандартные модификации, так и специальные исполнения для сложных условий работы.

Распределитель Р40 продолжает быть основой для создания надежных гидравлических систем, подстраиваясь под требования современной промышленности.