Добавить в корзинуПозвонить
Найти в Дзене
Изучаю с НОЛЯ.

ПРОСТОЙ И МОЩНЫЙ ПРЕОБРАЗОВАТЕЛЬ 12-220

Такой вариант преобразователя напряжения можно использовать для
самостоятельного повторения. Основное достоинство - надежная работа,
простота ну и разумеется мощность. Многие, кто увидят схему, наверняка
не поверят, что такой простой инвертор может отдавать такую мощность, но на самом деле это так. К стати о мощности, в ходе испытаний удалось получить скромные 200 ватт от источника 12 Вольт, но разумеется это не предел, инвертор может работать и от напряжения 24 вольт, при этом без каких-либо замен в схеме, в этом случае чистая мощность на выходе будет в районе 300 ватт, но и это не предел - мощность можно поднять до 500 ватт! И это вполне реальные показатели. Схема довольно часто встречается в сети, на некоторых ресурсах замечал
ошибки, поэтому в лишний раз предоставлю полностью РАБОЧИЙ вариант
преобразователя. Инвертор работает точно так, как и любой другой
двухтактный преобразователь. Дополнительных генераторов частоты он не
содержит, силовым звеном в схеме являются мощные N-

Такой вариант преобразователя напряжения можно использовать для
самостоятельного повторения. Основное достоинство - надежная работа,
простота ну и разумеется мощность. Многие, кто увидят схему, наверняка
не поверят, что такой простой инвертор может отдавать такую мощность, но на самом деле это так. К стати о мощности, в ходе испытаний удалось получить скромные 200 ватт от источника 12 Вольт, но разумеется это не предел, инвертор может работать и от напряжения 24 вольт, при этом без каких-либо замен в схеме, в этом случае чистая мощность на выходе будет в районе 300 ватт, но и это не предел - мощность можно поднять до 500 ватт! И это вполне реальные показатели.

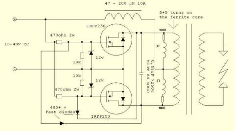
Схема преобразователя 12-220

Схема довольно часто встречается в сети, на некоторых ресурсах замечал
ошибки, поэтому в лишний раз предоставлю полностью РАБОЧИЙ вариант
преобразователя. Инвертор работает точно так, как и любой другой
двухтактный преобразователь. Дополнительных генераторов частоты он не
содержит, силовым звеном в схеме являются мощные N-канальные полевые
ключи работающие по принципу мультивибратора.

-2

Работая на определенной частоте в первичной обмотке импульсного
трансформатора образуется переменное напряжение высокой частоты, а
дальше все согласно методу индукции.

-3

Ключи в ходе работы перегреваются, поскольку КПД схемы не на высоком
уровне (не более 65%), следовательно, ключи обязательно установить на
теплоотводы, при этом не забывать про слюдяные прокладки.

-4

Трансформатор можно не мотать, а взять готовый, от компьютерного блока
питания, при этом подойдут ЛЮБЫЕ трансформаторы от любого блока питания,
не зависимо от марки и даты изготовления блока.

🔥 Привет! Добро пожаловать на канал! 🔥

Здесь влоги о жизни, ремонте электроники, кулинарных экспериментах и многом другом. Если ты любишь узнавать новые полезные лайфхаки или просто
интересуешься, как я провожу свой день, тебе точно понравится! 😊

🔔 Поделитесь мнением после просмотра!👍
Поставьте лайк и поделитесь видео с друзьями – это будет огромной
поддержкой! Ваша активность помогает каналу развиваться. Это несложно
для вас, но приятно для меня! 💪

💌 По вопросам сотрудничества и рекламы: fetch22091989@gmail.com

🎥 Не забывайте подписаться на канал: @Gerich174 – тут много интересного! 📲

💰 Если хотите поддержать развитие канала:

💳 Донат: https://yoomoney.ru/to/4100117056657007
🔧 Ваш вклад помогает улучшать контент!

👨‍👧‍👦 Канал для своих и для тех, кто в теме!

Подписывайтесь и становитесь частью моей маленькой, но дружной аудитории! 😎