Добавить в корзинуПозвонить
Найти в Дзене
Ingenium Corp.

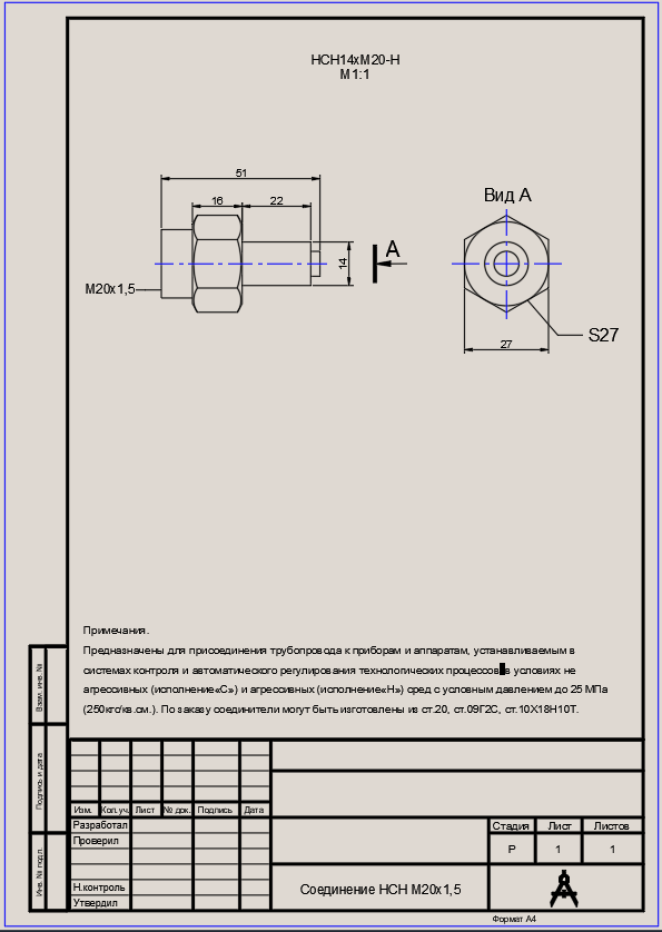
Соединение НСН М20х1,5

Назначение:
Герметичное резьбовое соединение НСН М20×1,5 предназначено для подключения трубопроводов, контрольно-измерительных приборов и технологического оборудования в системах, работающих под давлением. · Тип соединения: метрическая резьба (М) · Диаметр резьбы: 20 мм · Шаг резьбы: 1,5 мм · Класс точности: средний (стандартный) · Материалы исполнения: o Углеродистая сталь o Нержавеющая сталь (AISI 304, 316) o Латунь · Подключение манометров и датчиков давления · Соединение трубопроводов в промышленных системах · Гидравлические и пневматические магистрали · Нефтегазовое оборудование · Химическая и пищевая промышленность ✔ Стандартизированный размер для универсальной совместимости
✔ Надежная герметизация при правильном монтаже
✔ Устойчивость к вибрациям и перепадам давления
✔ Возможность использования в агрессивных средах (при выборе коррозионностойких материалов) · Рекомендуемые уплотнители: o Фум-лента o Льняная подмотка с пастой o Анаэробные герметики · Момент затяжки: регулирует
Оглавление

Назначение:
Герметичное резьбовое соединение
НСН М20×1,5 предназначено для подключения трубопроводов, контрольно-измерительных приборов и технологического оборудования в системах, работающих под давлением.

Основные характеристики:

· Тип соединения: метрическая резьба (М)

· Диаметр резьбы: 20 мм

· Шаг резьбы: 1,5 мм

· Класс точности: средний (стандартный)

· Материалы исполнения:

o Углеродистая сталь

o Нержавеющая сталь (AISI 304, 316)

o Латунь

Область применения:

· Подключение манометров и датчиков давления

· Соединение трубопроводов в промышленных системах

· Гидравлические и пневматические магистрали

· Нефтегазовое оборудование

· Химическая и пищевая промышленность

Преимущества:

✔ Стандартизированный размер для универсальной совместимости
✔ Надежная герметизация при правильном монтаже
✔ Устойчивость к вибрациям и перепадам давления
✔ Возможность использования в агрессивных средах (при выборе коррозионностойких материалов)

Монтаж и герметизация:

· Рекомендуемые уплотнители:

o Фум-лента

o Льняная подмотка с пастой

o Анаэробные герметики

· Момент затяжки: регулируется динамометрическим ключом (во избежание повреждения резьбы)

Стандарты и аналоги:

· Соответствует ГОСТ 24705-2004 (метрическая резьба)

· Ближайшие аналоги:

o G 3/4" (трубная резьба BSP, требует переходника)

o NPT 1/2" (американский стандарт, не взаимозаменяем)

Применение:
Используется в системах, требующих надежного и герметичного соединения под давлением, включая ответственные узлы промышленного оборудования.

Примечание:
Для агрессивных сред рекомендуется выбирать исполнение из нержавеющей стали или латуни с дополнительной защитой (например, тефлоновым покрытием).

Формат – AutoCAD 2010. #Чертежи

👉 Скачать файл "Соединение НСН М20х1,5" – ЯндексДиск –

👇Подписчики получают больше материалов: закрытые посты, обновления каждую неделю!👇