Найти в Дзене

Электронные часы.

Всех приветствую! Решил на дачу сделать часы. С большими цифрами. И повесить над входной дверью. Кого сейчас удивишь электронными часами? Никого. Любой радиолюбитель однажды собирал электронные часы. Так что это заметка о том, как я сделал очередные электронные часы. Нарисовал схему: Несмотря на то, что применяется микросхема со встроенным термометром, температура отображаться не будет. Нет надобности. Индикаторы заказал самые большие, которые смог найти - 2,3". Размещаться все элементы будут на макетной плате размерами 220х100мм. Вот так: Третий индикатор устанавливается вверх ногами, чтобы можно было получить мигающее двоеточие секунд сегментами H вместо двух светодиодов. Кнопками SB1-SB3 устанавливаем время, а кнопками SB4-SB5 желаемую яркость свечения индикаторов. При проверке оказалось, что эти индикаторы светятся при напряжении 5,4в, поэтому на входе пришлось поставить небольшой повышатель напряжения SX1308. После сборки часы сразу заработали, осталось только время выставить: Мон

Всех приветствую!

Решил на дачу сделать часы. С большими цифрами. И повесить над входной дверью.

Кого сейчас удивишь электронными часами? Никого. Любой радиолюбитель однажды собирал электронные часы. Так что это заметка о том, как я сделал очередные электронные часы.

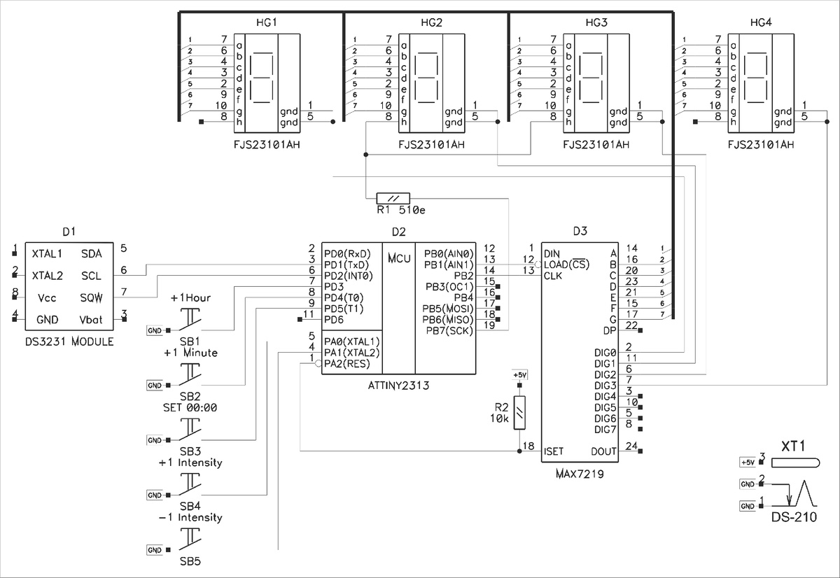
Нарисовал схему:

Несмотря на то, что применяется микросхема со встроенным термометром, температура отображаться не будет. Нет надобности.

Индикаторы заказал самые большие, которые смог найти - 2,3". Размещаться все элементы будут на макетной плате размерами 220х100мм. Вот так:

-2

Третий индикатор устанавливается вверх ногами, чтобы можно было получить мигающее двоеточие секунд сегментами H вместо двух светодиодов. Кнопками SB1-SB3 устанавливаем время, а кнопками SB4-SB5 желаемую яркость свечения индикаторов.

При проверке оказалось, что эти индикаторы светятся при напряжении 5,4в, поэтому на входе пришлось поставить небольшой повышатель напряжения SX1308.

После сборки часы сразу заработали, осталось только время выставить:

-3

Монтаж с обратной стороны выглядит так:

-4

Работа часов:

Схему в хорошем качестве, прошивку, исходные тексты CodeVision для ATtiny2313 можно скачать по ссылке https://disk.yandex.ru/d/T6z6CYRFLo93Qw

До новых встреч!