Найти в Дзене
Ingenium Corp.

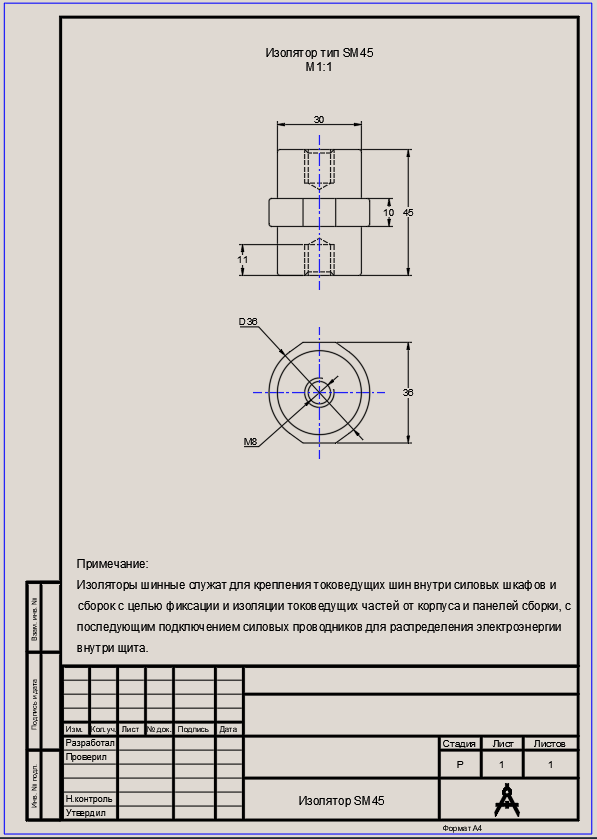
Изолятор SM45

Изолятор силовой SM45 (М8) с болтом от производителя IEK - это специализированное устройство для крепления токоведущих шин внутри силовых шкафов и сборок. Основные характеристики: · Производитель: IEK · Артикул: YIS11-45-14-B · Тип изделия: Изолятор силовой · Номинальное напряжение: 1000 В · Высота: 45 мм · Длина: 36 мм · Диапазон рабочих температур: от -40°C до +60°C · Цвет: Красный · Материал: Высококачественный диэлектрик · Срок службы: 30 лет · Гарантийный срок: 36 месяцев Конструктивные особенности: · Крепление осуществляется с одной стороны с помощью болта к монтажной пластине или корпусу · С другой стороны к изолятору крепится токоведущая шина · Изолятор устанавливается минимум на двух изоляторах для каждой шины, возможна установка промежуточных изоляторов Преимущества: · Высокая механическая прочность · Устойчивость к температурным колебаниям · Долговечность и надежность в эксплуатации · Простота монтажа · Совместимость с другими изделиями линейки IEK Области применения: · Монт

Изолятор силовой SM45 (М8) с болтом от производителя IEK - это специализированное устройство для крепления токоведущих шин внутри силовых шкафов и сборок.

Основные характеристики:

· Производитель: IEK

· Артикул: YIS11-45-14-B

· Тип изделия: Изолятор силовой

· Номинальное напряжение: 1000 В

· Высота: 45 мм

· Длина: 36 мм

· Диапазон рабочих температур: от -40°C до +60°C

· Цвет: Красный

· Материал: Высококачественный диэлектрик

· Срок службы: 30 лет

· Гарантийный срок: 36 месяцев

Конструктивные особенности:

· Крепление осуществляется с одной стороны с помощью болта к монтажной пластине или корпусу

· С другой стороны к изолятору крепится токоведущая шина

· Изолятор устанавливается минимум на двух изоляторах для каждой шины, возможна установка промежуточных изоляторов

Преимущества:

· Высокая механическая прочность

· Устойчивость к температурным колебаниям

· Долговечность и надежность в эксплуатации

· Простота монтажа

· Совместимость с другими изделиями линейки IEK

Области применения:

· Монтаж силовых шкафов

· Распределительные устройства

· Электрощитовое оборудование

· Промышленные установки

· Системы автоматизации

Важно: при установке необходимо соблюдать следующие рекомендации:

· Убедиться в соответствии номинального напряжения сети

· Обеспечить надежное крепление к монтажной поверхности

· Проверить совместимость с материалом токоведущих шин

· Соблюдать условия эксплуатации по температурному режиму

Изолятор SM45 является надежным решением для фиксации и изоляции токоведущих частей в электроустановках, обеспечивая безопасность и долговечность работы системы.

Формат – AutoCAD 2010. #Чертежи

👉 Скачать файл "Изолятор SM45" – ЯндексДиск –

👇Подписчики получают больше материалов: закрытые посты, обновления каждую неделю!👇