Добавить в корзинуПозвонить
Найти в Дзене
Terrabyte

Простой диапазонный полосовой фильтр для самодельного трансивера на 14 МГц: проводим эксперименты

Друзья, привет! В последних публикациях я неоднократно упоминал о том, что проектирую и собираю QRP-трансивер для телеграфной связи в диапазоне 14 МГц. А какая разработка обходится без экспериментов? Экспериментов приходится проводить много, проверяя те или иные технические решения. О некоторых из них я обязательно расскажу. Сегодня речь пойдет о диапазонном полосовом фильтре (ДПФ) приемного тракта трансивера. Вообще, приемник я строю по супергетеродинной схеме с одним преобразованием частоты и электромеханическим фильтром сигнала промежуточной частоты (ПЧ). Вдохновил меня на этот подвиг пользователь с ником zotos на форуме сообщества qrp.ru (ссылка ведет на ветку с обсуждением синтезатора, трансивер с 24-й страницы). Он разработал несложный 3-ваттный трансивер на основе схем приемников Сергея Беленецкого, которые можно найти в 4-м номере Радиоежегодника за 2012 год. У приемников с ЭМФ есть две основных проблемы. Во-первых, это шумность, особенно мешающая на высокочастотных диапазонах.
Оглавление

Друзья, привет!

В последних публикациях я неоднократно упоминал о том, что проектирую и собираю QRP-трансивер для телеграфной связи в диапазоне 14 МГц. А какая разработка обходится без экспериментов? Экспериментов приходится проводить много, проверяя те или иные технические решения. О некоторых из них я обязательно расскажу. Сегодня речь пойдет о диапазонном полосовом фильтре (ДПФ) приемного тракта трансивера.

Вообще, приемник я строю по супергетеродинной схеме с одним преобразованием частоты и электромеханическим фильтром сигнала промежуточной частоты (ПЧ). Вдохновил меня на этот подвиг пользователь с ником zotos на форуме сообщества qrp.ru (ссылка ведет на ветку с обсуждением синтезатора, трансивер с 24-й страницы). Он разработал несложный 3-ваттный трансивер на основе схем приемников Сергея Беленецкого, которые можно найти в 4-м номере Радиоежегодника за 2012 год.

У приемников с ЭМФ есть две основных проблемы. Во-первых, это шумность, особенно мешающая на высокочастотных диапазонах. Во-вторых, низкая ПЧ (500 кГц), осложняющая пролезание зеркального канала. Если первую проблему можно, по-крайней мере свести к минимуму путем хорошего согласования ЭМФ по входу и выходу, то для решения второй потребуется хороший полосовой фильтр на входе приемника. Вот об этом фильтре и пойдет разговор.

Описание проблемы

Задача на которой я сфокусируюсь - создание как можно более простого полосового диапазонного фильтра с характеристиками, позволяющими в достаточной степени "задушить" зеркальный канал приема. Что значит задушить? А вот тут по-порядку...

Итак, диапазон частот, на который я буду собирать маломощный трансивер - от 14,000 МГц до 14,350 МГц. Трансивер телеграфный, но я очень хочу, чтобы приемник трансивера позволял все же слушать и SSB. Так, для разнообразия. На 14 МГц (длина волны около 20 метров) принято передавать сигнал на верхней боковой полосе. Это значит, частота гетеродина должна быть ниже частоты приема на величину промежуточной частоты. Fгет = Fприема - Fпч. Для ЭМФ промежуточная частота равна 500 кГц. Значит частота гетеродина равна 13,500... 13,850 МГц. Частота зеркального канала равна Fгет - Fпч (еще раз вычитаем промежуточную частоту) получаем 13,000...13,350. Для простоты возьмем среднее значение частоты приема равной 14,150 МГц и зеркального канала, соответственно, 13,150 МГц.

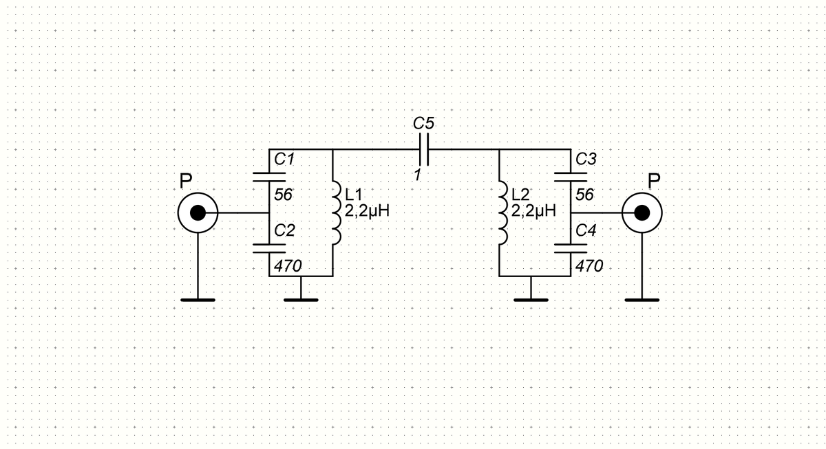
С некоторым допущением можно полагать, что от входного фильтра потребуется обеспечить определенное затухание на частоте удаленной вниз от частоты приема на 1 МГц. А какое затухание? За характеристиками продвинутых устройств, в которых нормой считается затухание выше 80...90 дБ мы гнаться не будем. Почему? А потому, что мы работаем только в одном диапазоне - 20 м. Соответственно, в полосе зеркального канала 13,000...13,350 мощных станций не наблюдается. Значит, основная задача избавится от произвольных несущих и всякого хлама, который там может быть. Об этом, кстати, Сергей Беленецкий так прямо и говорит. При этом вполне достаточным должен быть уровень 30 дБ. К нему и будем стремиться. Считается, что подобного уровня подавления вполне можно достичь двухконтурным ДПФ. Вот его типовая схема.

Простой ДПФ с емкостной связью
Простой ДПФ с емкостной связью

Такой ДПФ рассчитан на согласование с 50-омными источником (в качестве которого обычно выступает антенна) и приемником (УВЧ или смеситеь). Чтобы избежать значительного снижения добротности контуров из-за низкоомных входа и выхода сигнал подается и снимается с емкостного делителя C1C2 и С3С4. Настройку частотной характеристики такого ДПФ можно осуществлять как изменением индуктивности контурных катушек L1 и L2 так и подстройкой емкостей C1 и C3. Начальные номиналы элементов я взял из публикации "Полосовые диапазонные фильтры высококачественного трансивера". Хотя, с конденсатором C5 было не все так просто!

Совсем заманчиво было бы изготовить фильтр вообще без моточных элементов, взяв стандартные индуктивности, а подстройку вести, например подстроечным конденсатором, подключенным параллельно C1 и C3. С этого варианта я и начну свои эксперименты. Но, прежде еще одно замечание. Кроме хорошего коэффициента подавления зеркального канала нужно обеспечить еще и минимальный уровень потерь в полосе пропускания. Иначе сигнал можно подавить так, что его уровень станет ниже собственных шумов приемного тракта. Попробуем этого избежать!

Эксперименты с ДПФ

Все эксперименты я проводил на узкой макетной плате 20x80 мм. И начать я решил с самого ленивого варианта на стандартных китайских дросселях.

ДПФ без моточных изделий
ДПФ без моточных изделий

Все просто! Схема один в один как изображена выше. Только контурные конденсаторы вместо 56 пФ установлены - 47 пФ,а параллельно им установлены подстроечные конденсаторы 6...25 пФ. На входе и выходе стандартные SMA-штекеры для подключения к NanoVNA. Но, теперь обратите внимание на конденсатор связи! Возможно на снимке не видно, но в качестве конденсатора C5 использован кусочек 2-стороннего стеклотекстолита. Дело в том, что оптимальное значение этого конденсатора оказалось примерно 0,7...0,8 пФ. Если его значение взять выше, то коэффициент передачи фильтра вырастал, но снижалась прямоугольность его характеристики, то есть крутизна спада за полосой пропускания. Если же значение уменьшать, то крутизна спада увеличивалась, но снижался коэффициент передачи. Конденсатора такого номинала у меня не было и я решил его сделать из кусочка стеклотекстолита, воспользовавшись каким-то онлайн-калькулятором.

Самодельный конденсатор на 0,7...0,8 пФ
Самодельный конденсатор на 0,7...0,8 пФ

Кусочек двухстороннего стеклотекстолита размерами примерно 5x5 мм с небольшой ножкой для удобства выпаивания (просто нагреваем паяльником с торца).

-4

Если кому-то интересна более подробная теория 2-контурных полосовых фильтров, то рекомендую познакомится со статьей "The double-tuned Circuit: An experimenter's tutorial". Из нее будет более понятна роль конденсатора связи.

После настройки была получена вот такая амплитудно-частотная характеристика (АЧХ):

АЧХ исходного варианта фильтра
АЧХ исходного варианта фильтра

Затухание в полосе пропускания - 6,65 дБ (метка 2). Затухание на частоте зеркального канала - около 22,5 дБ. Подавление зеркального канала - примерно 16 дБ. Разумеется это далеко от того, что нам нужно (30 дБ). Можно ли это значение улучшить. Можно, если увеличить добротность контуров. А добротность, в свою очередь зависит от добротности элементов контура и сопротивления, которое контур нагружает. На что можно повлиять? Добротность катушек и емкостей улучшить не заменяя их мы не можем. Остается попробовать уменьшить коэффициент включения сопротивление источника/нагрузки в контур. Сделать это можно путем увеличения емкости конденсаторов C2, С4. Добавляю параллельно C2 - 220 пФ, а параллельно C4 - 180 пФ. То, что было под рукой.

Добавляем емкости в делитель
Добавляем емкости в делитель

Результат очень интересный.

АЧХ ДПФ с увеличенными емкостями делителя
АЧХ ДПФ с увеличенными емкостями делителя

Заметьте, что коэффициент затухания в полосе пропускания снизился с 6,65 дБ до 5,64. На целый децибел! А вот коэффициент затухания по зеркальному каналу, наоборот вырос с 22,5 до 27 дБ. Обнадеживающий результат! Подавление зеркального канала резко выросло - с 16 до 24 дБ. Уже близко к тому, что нам нужно! Еще увеличиваем емкость. Теперь не стесняясь подпаиваем дополнительно аж по 470 пФ. Тогда общая емкость C2 стала 1160 пФ, а C4 - 1120 пФ.

Еще добавляем емкость...
Еще добавляем емкость...

Смотрим АЧХ.

АЧХ ДПФ с большими емкостями делителей
АЧХ ДПФ с большими емкостями делителей

Ага, хотя коэффициент подавления зеркального канала еще увеличился (теперь он достиг значения 29,3 Дб) и почти достиг желаемого значения, но стало увеличиваться и затухание в полосе пропускания. Это значит, лимит увеличения добротности контура за счет снижения влияния нагрузки мы, к сожалению, исчерпали. Выходит, оптимальное значение емкостей C2,C4 для нашей схемы - около 900...1000 пФ. При этом можно рассчитывать примерно на 28 дБ подавления по зеркальному каналу. Хотелось бы еще чуть лучше...

Раз оптимальный коэффициент связи мы нашли, надо пробовать улучшить добротность элементов контура. С конденсаторами возиться бессмысленно. Их добротность обычно и так высока (если, конечно не использовать китайские коричневые дисковые - это ужас, просто). Выходит надо пробовать улучшать катушки. Тут есть куда двигаться. Дело в том, что добротность стандартных дросселей редко превышает значения в 50 единиц. Обычно и того меньше. А вот изготовить катушку с большей добротностью самостоятельно вполне нам по силам. Толстый провод, большой диаметр, большое расстояние между витками. Попробуем? Разумеется!

Я взял сверло на 10 мм и намотал на него 20 витков (рассчитывал при помощи Coil64) жилки от витой пары. Потом, правда, обмотка раскрутилась. Получилось по 18 витков, диаметром, примерно, 12 мм. И впаял я эти катушки вместо дроссельков. Не то, чтобы я на них делать ДПФ собрался, но проверить потенциал было бы неплохо. Получилась вот такая конструкция.

ДПФ с самодельными катушками
ДПФ с самодельными катушками

Думаю, добротность должна быть ближе к 200. Смотрим АЧХ.

АЧХ ДПФ с самодельными катушками
АЧХ ДПФ с самодельными катушками

Бинго! Затухание в полосе пропускания уменьшилось до 4,39 дБ, а подавление зеркального канала выросло до 31,3 дБ!!! Вот оно счастье!

Так, но мы знаем, что с емкостями делителей был перебор. Убираем емкости в 180 и 220 пФ. Остаются по 2 конденсатора по 470 пФ в параллель (940 пФ).

АЧХ ДПФ с самодельными катушками и емкостями делителя 940 пФ
АЧХ ДПФ с самодельными катушками и емкостями делителя 940 пФ

Так вот, то, что было хорошо для дешевых дроссельков, стало плохо для добротных катушек. Да коэффициент затухания в полосе пропускания еще снизился, но подавление зеркального канала тоже ухудшилось, вернувшись к значению в 28 дБ. То есть для высокодобротных катушек нужно еще уменьшать влияние нагрузки, чтобы они могли себя проявить. Для этого случая можно рекомендовать емкости C2, C4 около 1000...1100 пФ.

Практическая реализация

Хорошо, цель по подавлению зеркального канала достигнута. Но, я же не буду использовать в реальной конструкции такие моточные элементы. Очень габаритно, ненадежно, с большим магнитным полем... Нужна замена без особой потери добротности. И знаете, такая замена есть! Конечно, специалисты сразу укажут на кольца из карбонильного железа от Амидон. Я тоже по-началу хотел их использовать, но оказалось что есть подходящий аналог от отечественного производителя, который можно купить на любом отечественном онлайн-маркете! Для меня это важно, поскольку если уж делаю что-то, пусть это будет легко повторяемым. Я говорю о колечках из карбонильного железа отечественной компании "Синтез-ПКЖ", которые являются практически полным аналогом изделий Амидон. Даже обозначения похожие.

Для практической реализации ДПФ я заказал на WB лот из 10 колечек марки К37-06.

Кольца из карбонильного железа от Синтез-ПКЖ
Кольца из карбонильного железа от Синтез-ПКЖ

Приходят они вот в такой вакуумной упаковке, которая еще помещается в пупырчатую обертку и картонную коробку. В общем, поставка отличная! Десять колец мне обошлись в 435 рублей. То есть по 43 рубля за штуку. С обратной стороны упаковка выглядит так.

Маркировка колец из карбонильного железа
Маркировка колец из карбонильного железа

Чувствуете подход? Но и это еще не все. Внутри коробки разместилась спецификация изделий.

Спецификация колец из карбонильного железа
Спецификация колец из карбонильного железа

Вот так! Это вам не ноунейм из Китая! Аж сердце защемило от радости и гордости за отечественного производителя! Спасибо вам, профессионалы из "Синтез-ПКЖ"!

Из спецификации видно, что добротность катушек на этих сердечниках не хуже 220, да еще и на близкой к нашей частоте - 11 МГц. Отлично!

Я намотал на колечки 25 витков провода, диаметром 0,4 мм. Вообще, расчеты показали 27 витков, но совсем плотно у меня наматывать не получается. Витки выходят чуть крупнее, поэтому остановился на 25.

Катушка на сердечнике К37-06
Катушка на сердечнике К37-06

Обратите внимание, что поверх первой обмотки намотана вторая - из 2-х витков такого же провода. Это я сделал умышленно, потому что хотел проверить, что дает замена емкостной связи на индуктивную. То есть, что будет, если ДПФ построить по вот такой схеме.

ДПФ на основе индуктивных связей
ДПФ на основе индуктивных связей

Кстати, эти эксперименты я проводил и с самодельными катушками, для которых тоже домотал кольца связи, разместив их между витками основных.

Дополнительные обмотки связи для самодельных катушек
Дополнительные обмотки связи для самодельных катушек

Подробно я рассказывать об этих экспериментах не буду, потому что результаты получились абсолютно те же, что и с емкостной связью. Тут каждый может выбрать для себя - что ему больше подходит. Единственное, добротность колечек из карбонильного железа настолько высокая, что хватило по 1 витку связи.

Тестовый стенд, построенный на колечках получился таким:

Тестовый стенд с кольцами из карбонильного железа
Тестовый стенд с кольцами из карбонильного железа

После подстройки контуров я получил вот такую АЧХ:

АЧХ ДПФ с кольцами из карбонильного железа
АЧХ ДПФ с кольцами из карбонильного железа

Почти то же самое, что и с самодельными катушками. Подавление зеркального канала в среднем составляет около 31 дБ. Целевое значение достигнуто. Такой фильтр и буду делать в своем трансивере.

Спасибо, что читаете-смотрите Terrabyte! Подписывайтесь, если вам интересна радиолюбительская тематика, микроконтроллеры, мини-ПК, необычные компьютерные решения и инновационные разработки! Спасибо всем, кто поддерживает меня своими советами, комментариями и лайками!

Группа ВК: https://vk.com/terrabyte

Канал на VK-Video: https://vk.com/video/@terrabyte/all

Интересные и полезные радио-самоделки: