Найти в Дзене
Инженерный дневник

Соединения по стандарту ISO 8434-1: фундамент надежности гидравлических систем.

В современном мире, где промышленное оборудование работает под высоким давлением, а точность и герметичность имеют решающее значение для безопасности и эффективности, стандартизация компонентов становится критически важной. Гидравлические и пневматические системы, являющиеся "кровеносной системой" многих машин и механизмов ⚙️, требуют безупречных соединений, способных выдерживать экстремальные нагрузки без утечек. Здесь на сцену выходит ГОСТ ISO 8434-1-2017 "Соединения трубопроводные металлические для гидроприводов и пневмоприводов и общего применения. Часть 1. Соединения с конусом 24° и уплотнительным кольцом". Этот стандарт является российским эквивалентом международного стандарта ISO 8434-1, что подчеркивает его универсальность и глобальное признание. Что определяет стандарт ISO 8434-1? ISO 8434-1 определяет конструкцию, размеры, требования к рабочим характеристикам и методы испытаний для металлических трубных соединений с конусом 24° и уплотнительным кольцом (O-ring). Эти соедин

В современном мире, где промышленное оборудование работает под высоким давлением, а точность и герметичность имеют решающее значение для безопасности и эффективности, стандартизация компонентов становится критически важной. Гидравлические и пневматические системы, являющиеся "кровеносной системой" многих машин и механизмов ⚙️, требуют безупречных соединений, способных выдерживать экстремальные нагрузки без утечек. Здесь на сцену выходит ГОСТ ISO 8434-1-2017 "Соединения трубопроводные металлические для гидроприводов и пневмоприводов и общего применения. Часть 1. Соединения с конусом 24° и уплотнительным кольцом". Этот стандарт является российским эквивалентом международного стандарта ISO 8434-1, что подчеркивает его универсальность и глобальное признание.

Что определяет стандарт ISO 8434-1?

ISO 8434-1 определяет конструкцию, размеры, требования к рабочим характеристикам и методы испытаний для металлических трубных соединений с конусом 24° и уплотнительным кольцом (O-ring). Эти соединения предназначены для использования в гидроприводах и пневмоприводах, а также в системах общего назначения, где требуется надежная и герметичная передача жидкости или газа под давлением. 💧

-2

Основная цель стандарта — обеспечить:

Герметичность: соединения должны выдерживать рабочее давление без видимых утечек, предотвращая потери рабочей среды и загрязнение окружающей среды. 🔒

Надежность: конструкция должна быть прочной и устойчивой к вибрациям, пульсациям давления и механическим нагрузкам в течение длительного срока службы.

Взаимозаменяемость: фитинги от разных производителей, соответствующие этому стандарту, должны быть полностью совместимы друг с другом, что упрощает проектирование, сборку и обслуживание систем. 🔗

Безопасность: предотвращение катастрофических отказов соединений под высоким давлением, что критически важно для защиты персонала и оборудования.

Стандарт охватывает широкий спектр соединительных элементов, включая прямые, угловые, тройниковые и крестовые фитинги, а также фитинги для панельного монтажа и переходники. Он применим к трубкам из стали, нержавеющей стали и других материалов, используемых в трубопроводах.

Содержание стандарта.

ISO 8434-1 детально регламентирует каждый аспект соединений с 24° конусом, обеспечивая высочайший уровень качества и надежности.

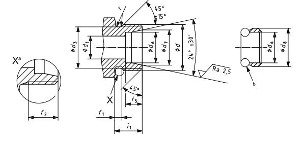
1. Принцип уплотнения:

Металл по металлу с обжимным кольцом (Cutting Ring / Ferrule): это основной тип уплотнения. Специальное обжимное кольцо (в виде цилиндра с двумя острыми кромками) при затягивании накидной гайки врезается в наружную поверхность трубы. Это создает два кольцевых, герметичных уплотнения, обеспечивающих высокую устойчивость к давлению и вибрации. Это так называемая "кусающая" технология, которая обеспечивает очень прочное и герметичное соединение. 🔪

Эластомерное уплотнение (O-ring): в некоторых версиях фитингов (особенно для легких серий и определенных применений) используется дополнительное уплотнительное кольцо (O-ring) для повышения герметичности и компенсации небольших неровностей.

2. Основные компоненты: соединение состоит из трех основных частей:

Корпус фитинга: имеет коническую поверхность 24°, к которой прижимается труба.

Накидная гайка: прижимает обжимное кольцо и трубу к конусу корпуса.

Обжимное кольцо ( врезное кольцо / ferrule): элемент, который врезается в трубу, создавая герметичное соединение.

3. Серии размеров (Pressure Series): Ссандарт устанавливает три серии размеров, которые определяют допустимое рабочее давление и области применения:

Серия LL (Extra-Light Series): "Сверхлегкая" серия. Предназначена для низкого давления, обычно в пневматических системах, системах смазки и других применениях, где требуется относительно невысокое давление и малые размеры.

Серия L (Light Series): "Легкая" серия. Наиболее распространенная серия для средних и высоких давлений в гидравлических системах. Используется в широком диапазоне промышленного и мобильного оборудования. 🚜

Серия S (Heavy Series): "Тяжелая" серия. Предназначена для очень высоких давлений и тяжелых условий эксплуатации, где требуются повышенная прочность и устойчивость к пиковым нагрузкам. Применяется, например, в тяжелом машиностроении, строительной технике, морских приложениях. 🏗️

Каждая серия имеет свои специфические размеры труб и соответствующие им размеры фитингов, обеспечивая совместимость внутри серии.

Материалы и покрытия.

Материалы: Основными материалами для изготовления фитингов являются углеродистая сталь и нержавеющая сталь. Нержавеющая сталь используется в условиях, где требуется высокая коррозионная стойкость (например, в химической промышленности, пищевой промышленности, морских условиях). 🧪

Покрытия: Фитинги из углеродистой стали обычно покрываются специальными антикоррозионными покрытиями, такими как цинко-никелевое, которое обеспечивает высокую стойкость к коррозии и продлевает срок службы соединения.

Требования к рабочим характеристикам и методы испытаний.

Стандарт устанавливает строгие требования к рабочим характеристикам и методы их проверки:

Испытания на герметичность: проверка отсутствия утечек при максимальном рабочем давлении.

Испытания на разрушающее давление: проверка способности соединения выдерживать давление до разрушения (значительно выше рабочего).

Импульсные испытания (Fatigue Testing): моделирование многократных циклов изменения давления, чтобы оценить усталостную прочность и долговечность соединения. Это критически важно для систем с частыми изменениями нагрузки.

Испытания на сборку/разборку: проверка способности соединения выдерживать многократную сборку и разборку без потери герметичности.

Испытания на виброустойчивость: для соединений, подверженных вибрации.

Коррозионные испытания: оценка стойкости к коррозии в различных средах.

Маркировка: фитинги должны быть четко маркированы, указывая производителя, тип, размер и серию, что обеспечивает прослеживаемость и правильный выбор компонента. 🏷️

Значение и преимущества стандарта ISO 8434-1

Применение стандарта ISO 8434-1 имеет огромные преимущества для всей индустрии:

Повышенная безопасность: снижает риск аварий и инцидентов, связанных с утечками рабочей жидкости под высоким давлением, что может привести к травмам персонала, повреждению оборудования и загрязнению окружающей среды.

Увеличение надежности систем: гарантирует стабильную работу гидравлического и пневматического оборудования, уменьшая количество отказов и простоев.

Оптимизация производства и обслуживания: благодаря стандартизации, инженерам проще проектировать системы, а производителям — изготавливать совместимые компоненты. Это также упрощает процесс замены и обслуживания, так как нет необходимости искать конкретного производителя. 💰

Снижение затрат: уменьшение утечек приводит к экономии дорогостоящих гидравлических жидкостей, а повышение надежности снижает расходы на ремонт и обслуживание.

Глобальная совместимость: поскольку ISO 8434-1 является международным стандартом, компоненты, произведенные в разных странах, могут быть легко интегрированы в единые системы. 🌍

В целом, ISO 8434-1 — это не просто набор технических требований; это гарантия качества, безопасности и эффективности в мире жидкостных и газовых систем. Он является фундаментальным документом, обеспечивающим бесперебойную работу бесчисленных промышленных и мобильных приложений по всему миру.

Спасибо за внимание! ✨ Если вам понравилась эта статья, не забудьте подписаться на канал 🔔, чтобы не пропустить новые интересные публикации. Впереди ещё много увлекательного контента! 🎯

Буду благодарен за ваши комментарии 💬 и лайки 👍. Ваше мнение очень важно для меня! ❤️ Также можете поддержать канал донатами 💰.

Давайте оставаться на связи! 📱 До новых встреч!

📰 Другие интересные статьи канала "Инженерный дневник":

#ISO8434_1 #ГидравлическиеСистемы #ТрубныеСоединения #Герметичность #Промышленность #Стандарты