Найти в Дзене

Орион-128. Быстрый RAM-диск объёмом 1 Мб.

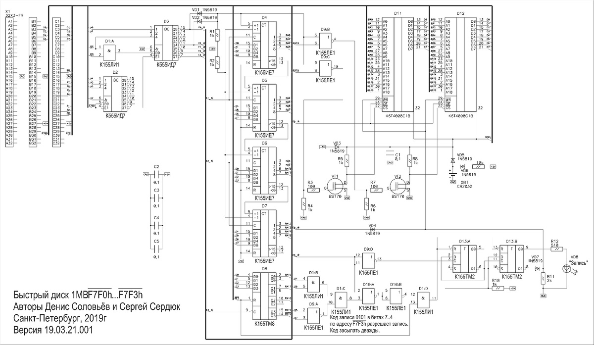
Всех приветствую! Данный накопитель является хорошим вариантом при отсутствии дисковода или жёсткого диска. Он быстр, защищён от случайного доступа при сбоях или зависаниях, а также хорош в минимальной конфигурации компьютера при наличии на нём последовательного порта для обмена файлами с PC. Работа с этим диском осуществляется под управлением ОС DSDOS, в которую встроен драйвер RAM7. Диск имеет букву E: и доступ к нему осуществляется на уровне операционной системы также просто, как к дискам А: или В:. У данного диска в его быстрой работе есть одна особенность. После операций чтения/записи с текущим адресом происходит автоинкремент, что исключает операцию установки другого адреса либо операцию инкремента адреса из управляющей программы или драйвера. Благодаря этому экономится много времени при операциях с большими дампами данных. Память состоит из двух микросхем K6T4008C1B по 512кб каждая, а микросхема D8 с элементами D9:B и D9:C формируют к ним доступ, как к единому адресному простран

Всех приветствую!

Данный накопитель является хорошим вариантом при отсутствии дисковода или жёсткого диска. Он быстр, защищён от случайного доступа при сбоях или зависаниях, а также хорош в минимальной конфигурации компьютера при наличии на нём последовательного порта для обмена файлами с PC. Работа с этим диском осуществляется под управлением ОС DSDOS, в которую встроен драйвер RAM7. Диск имеет букву E: и доступ к нему осуществляется на уровне операционной системы также просто, как к дискам А: или В:.

У данного диска в его быстрой работе есть одна особенность. После операций чтения/записи с текущим адресом происходит автоинкремент, что исключает операцию установки другого адреса либо операцию инкремента адреса из управляющей программы или драйвера. Благодаря этому экономится много времени при операциях с большими дампами данных.

Память состоит из двух микросхем K6T4008C1B по 512кб каждая, а микросхема D8 с элементами D9:B и D9:C формируют к ним доступ, как к единому адресному пространству.

На элементах D1:B...D1:D, D9:A, D9:D, D10:A, D10:B и микросхеме D13 собран узел защиты от случайной записи на диск. Для записи необходимо в биты 7..4 по адресу /F7F3 дважды записать код 0101. При этом на выводе 8 элемента D13:2 появится лог.0, что позволит проходить сигналу записи по линии F0_W, т.к. на диодах VD4, VD7 и резисторе R11 собран элемент 2ИЛИ. При разрешении записи светится контрольный светодиод VD8. При записи другой комбинации в любой момент времени включается защита. Этот узел введён для защиты от случайной порчи данных на диске во время сбоев в работе компьютера, когда он "улетает в космос" и происходит заполнение ОЗУ случайными данными.

При выключении питания информация на диске сохраняется. Для этого применяется батарейка CR2032.

Для работы с диском все необходимые сигналы выведены на системный разъём. Никаких дополнительных сигналов выводить не нужно и никаких порезов на основной плате компьютера делать не нужно. Диск просто включается в системный разъём.

Схема Быстрого диска представлена ниже:

Давно, шесть лет назад, этот диск был собран на макетной плате навесным монтажом и показал отличные результаты в работе. Теперь схема собрана на печатной плате.

После сборки диск необходимо проверить.
После подключения к компьютеру надо запустить утилиту
SYSTEM$. В пункте RAM7[ ] должен отобразиться знак "■", что говорит о том, что узлы дешифрации и шина данных диска работают нормально. Потом нужно запустить программу диагностики TSTRAM7$, которая помогает определить правильность сборки, либо выявить дефекты в работе, например, слипшиеся адреса. При этом все данные на диске уничтожаются и по окончании работы теста необходимо выполнить форматирование командой FORMAT$ E: <BK>.
При неудачном выполнении теста выводится сбойный адрес и информация о тестируемых данных, при удачном выполнении теста - сообщение OK во всех 16-ти банках.

Результат успешной работы программы теста:

-2

Печатная плата диска выглядит так:

-3
-4

К сожалению, маркировка шелкографией отсутствует. Вкралась ошибка на производстве. В самом гербере шелкография есть.

Собранный диск выглядит так:

-5

Обычно после сборки диск работает сразу после включения.

Файлы на диске:

-6
-7

Всю документацию по сборке и софт можно скачать по ссылке https://disk.yandex.ru/d/bPSx36rSNVJGgA

До новых встреч!