Добавить в корзинуПозвонить
Найти в Дзене
DS

Усилитель мощности звука 4 канала по 50 Ватт на TDA7850 (УМЗЧ 4х50)

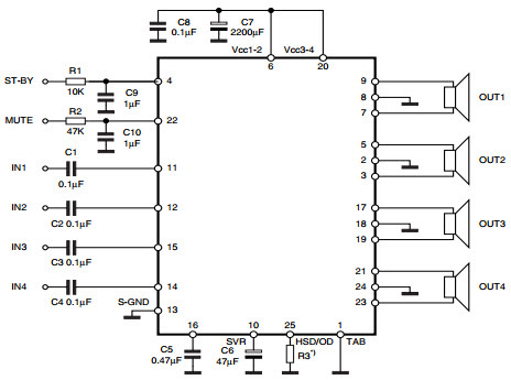
В данной статье описывается усилитель мощности звука на микросхеме TDA7580. Микросхема предоставляет 4 мощных канала, по 50 Ватт каждый, что позволяет использовать ее в качестве усилителя мощности звука в авто или домашней акустике (колонки домашнего кинотеатра, магнитофонов, магнитол и т. д.). Для работы TDA7580 требуется питание напряжением 18-50 Вольт. Купить микросхему - ССЫЛКА (алиэкспресс) Купить готовую плату усилителя - ССЫЛКА (алиэкспресс) Микросхема используется, как правило, для мощных усилителей звука класса AB. Распиновка показана на первом рисунке. Напряжение питания ............................ 18-50 В
Сопротивление нагрузки .................... 4 Ом
Количество каналов .............................. 4
Полоса частот .......................................... 20 Гц - 20 КГц
Выходная мощность .............................. 50 Вт (4 Ом, 18В)
Максимальная мощность .................... 80 Вт (2 Ом, 18В)
Максимальный выходной ток ............ 10 А
Температура отсечки ..........
Оглавление

В данной статье описывается усилитель мощности звука на микросхеме TDA7580. Микросхема предоставляет 4 мощных канала, по 50 Ватт каждый, что позволяет использовать ее в качестве усилителя мощности звука в авто или домашней акустике (колонки домашнего кинотеатра, магнитофонов, магнитол и т. д.). Для работы TDA7580 требуется питание напряжением 18-50 Вольт.

Купить микросхему - ССЫЛКА (алиэкспресс)

Купить готовую плату усилителя - ССЫЛКА (алиэкспресс)

Характеристики TDA7580

Микросхема используется, как правило, для мощных усилителей звука класса AB. Распиновка показана на первом рисунке.

Напряжение питания ............................ 18-50 В
Сопротивление нагрузки .................... 4 Ом
Количество каналов .............................. 4
Полоса частот .......................................... 20 Гц - 20 КГц
Выходная мощность .............................. 50 Вт (4 Ом, 18В)
Максимальная мощность .................... 80 Вт (2 Ом, 18В)
Максимальный выходной ток ............ 10 А
Температура отсечки ............................ 150 °C
ST-BY .............................................................. есть

Схемы включения TDA7388

На рисунке ниже приведена типовая схема включения микросхемы TDA7580 для использования в четырехканальном режиме:

-2

Готовая схема выглядит следующим образом:

-3