Найти в Дзене

Выбор и обоснование элементов управления, защиты и сигнализации на примере электропривода грузового лифта

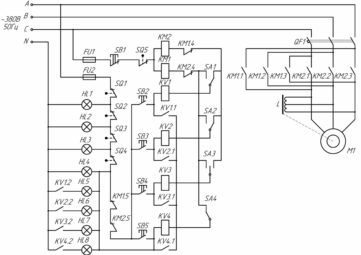
В современных условия подбор обоснованных элементов управления, защиты и сигнализации нужно осуществлять по справочнику или каталогам доступных производителей. Рассмотрим принципиальную электрическую схему привода грузового лифта с асинхронным электродвигателем. Управление пуском электродвигателя M1 осуществляется реверсивным магнитным пускателем KM1 и KM2, а торможение – электромагнитным тормозом L. На первом этаже у шахты обычно размещают кнопочную станцию управления. Число пусковых кнопок соответствует числу этажей. Нажатие кнопки определенного этажа SB2-SB5 осуществляется при помощи этажных переключателей SA1-SA4 и этажных реле KV1-KV4. Трехпозиционные этажные переключатели SA1-SA4 включаются самой кабиной при ее движении вверх и вниз. Включение схемы управления в сеть осуществляется автоматическим выключателем QF1. Кнопка SB1 "стоп" осуществляет остановку кабины лифта. Шахтные конечные выключатели SQ1-SQ5 и этажные реле KV1-KV4 осуществляют работу ламп сигнализации HL1-HL8, соотве

В современных условия подбор обоснованных элементов управления, защиты и сигнализации нужно осуществлять по справочнику или каталогам доступных производителей. Рассмотрим принципиальную электрическую схему привода грузового лифта с асинхронным электродвигателем.

Привод грузового лифта с асинхронным двигателем схема электрическая принципиальная
Привод грузового лифта с асинхронным двигателем схема электрическая принципиальная

Управление пуском электродвигателя M1 осуществляется реверсивным магнитным пускателем KM1 и KM2, а торможение – электромагнитным тормозом L. На первом этаже у шахты обычно размещают кнопочную станцию управления. Число пусковых кнопок соответствует числу этажей. Нажатие кнопки определенного этажа SB2-SB5 осуществляется при помощи этажных переключателей SA1-SA4 и этажных реле KV1-KV4. Трехпозиционные этажные переключатели SA1-SA4 включаются самой кабиной при ее движении вверх и вниз. Включение схемы управления в сеть осуществляется автоматическим выключателем QF1. Кнопка SB1 "стоп" осуществляет остановку кабины лифта. Шахтные конечные выключатели SQ1-SQ5 и этажные реле KV1-KV4 осуществляют работу ламп сигнализации HL1-HL8, соответсвенно состоянию открытия-закрытия дверей кабины и остановки кабины на конкретном этаже.

В данной схеме асинхронный электродвигатель трехфазный АИРР200L4 БХ2УППУ2 IM2081 IP55 мощностью 45 кВт имеет повышенный пусковой момент. По умолчанию обмотки подключены по схеме "звезда".

Для цепи управления автоматом принимаем защищенные кнопки управления SB1 – SB5 с одним штифтом КУ-122-1.

Для выбора предохранителей в цепи управления FU1 и FU2 следует рассчитать ток. Для определения силы тока рссчитаем мощность всех одновременно включаемых потребителей.

∑Sпуск=Sмп+Sреле=800+260=1026ВА,

где ∑Sпуск - сумма пусковых мощностей, потребляемых от одновременно включаемых обмоток магнитных пускателей и реле в схеме управления.

Iрасч=∑Sпуск/U=1060/220=4,82А.

Согласно условиям выбираем для защиты схемы управления предохранители FU1 и FU2 типа ПР2 напряжением до 500 В, номинальный ток плавкой вставки которых равняется Iном=6-15А.

Выбор автоматических выключателей производится по номинальному напряжению и току с соблюдением условий:

Iном.а≥Iдл и Uном.а≥Uном.с,

где Iном.а - номинальный ток автомата, Iдл - длителиный ток питающей линии, Uном.а и Uном.с - соответственно номинальное напряжение автоматического выключателя и питающей сети.

Длительный расчётный ток

Iдл=Pном/Uном.с=45000/380=118,4А,

где Pном - мощность электродвигателя, Вт.

Определим номинальный ток электодвигателя по его номинальной мощности

Iном.а=Pном/(Uном.с*cosφ*η*√3)=45000/(380*0,86*0,925*√3)=85,95А,

где Рном – номинальная мощность электродвигателя, Вт; cosφ – коэффициент мощности (из паспорта электодигателя); η – КПД электродвигателя.

Пусковой ток асинхронного электродвигателя

Iпуск=К*Iном.а=6,8*85,95=584,46А,

где К – кратность пускового тока.

Ток установки электромагнитного элемента комбинированного расцепителя, осуществляющего защиту от коротких замыканий, следует принимать

Iрасц≥1,25*Iпуск=1,25*584,46=730,575А.

Выбираем автоматический выключатель ВА51-39-331810-800А-2500-690AC-НР400AC-УХЛ3 переменного тока трехполюсного исполнения с независимым расцепителем и вспомогательными контактами номинального тока 800А.

Автоматический выключатель ВА51-39-331810-800А-2500-690AC-НР400AC-УХЛ3
Автоматический выключатель ВА51-39-331810-800А-2500-690AC-НР400AC-УХЛ3

Выбор магнитных пускателей производится по номинальной мощности двигателя с учетом режима его работы (реверсивный или нереверсивный) и рода защиты от воздействия окружающей среды (открытый, закрытый). Выбираем магнитный пускатель ПАЕ-534 пылезащищенный, с тепловым реле, реверсивный.

Магнитный пускатель ПАЕ-534 (пылезащищенный, с тепловым реле, реверсивный)
Магнитный пускатель ПАЕ-534 (пылезащищенный, с тепловым реле, реверсивный)

В силовой цепи управления выбираем реле KV1-KV4 типа РЭВ-810, которое имеет характеристическую величину 220В, пределы установки номинала 0,25 – 0,6, по два размыкающих и замыкающих контакта (ток через контакты равен 2А).

Выбираем переключатели серии ВК-50. Переключатели рассчитаны на напряжение 500В и ток включения 5А. Как правило, они имеют замыкающие и размыкающие контакты.

С практической точки зрения, к примеру, для выбора элементов защиты следует изучать техническую документацию производителя. Необходимо исследовать графики срабатывания конкретного расцепителя: 1) график с время-токовыми характеристиками (справочные) выключателей при одновременной нагрузке всех полюсов с холодного состояния при контрольной температуре; 2) график зависимости номинального рабочего тока выключателей от температуры окружающего воздуха.

Как правило, они настраиваются производителем примерно в середину диапазона при контрольной температуре около 25-30 градусов цельсия. В паспорте к автоматическим выключателям может быть указано, что электромагнитный расцепитель должен срабатывать с погрешностью 5-20%. Как раз данная погрешность может возникать с учетом изменения температуры окружающей среды или из-за внутреннего нагрева в процессе работы.