Добавить в корзинуПозвонить
Найти в Дзене

Как в Татарстане решили задачу с очисткой сточных вод: реальный кейс от UVL

В конце 2024 года к нашей компании обратились из Республики Татарстан. Задача стояла чёткая: обеспечить надежную ультрафиолетовую очистку сточных вод на новом объекте. Место установки — подземный стеклопластиковый колодец, условия непростые, нужна высокая производительность. На руках у клиента уже было альтернативное предложение — установка от другого поставщика, 275 м³/ч при мощности 7,5 кВт. Но наши инженеры провели технический анализ и пришли к выводу: обещанная доза в 40 мДж/см² при таких параметрах вряд ли достижима. Вероятнее — не более 30 мДж/см². Мы предложили установку UVL-Aqua 12-700 — надёжную и мощную систему, адаптированную под условия заказчика. В ней: Шкаф управления — с подогревом, вентиляцией и степенью защиты IP65. Мы не только предложили технически точное решение, но и пошли навстречу в условиях: скидка, удобная схема оплаты (50/50), сопровождение на каждом этапе. Стоимость проекта — 1 780 800 ₽ с НДС. В комплектацию вошли: К февралю всё оборудование было готово к
Оглавление

В конце 2024 года к нашей компании обратились из Республики Татарстан. Задача стояла чёткая: обеспечить надежную ультрафиолетовую очистку сточных вод на новом объекте. Место установки — подземный стеклопластиковый колодец, условия непростые, нужна высокая производительность.

Что хотел заказчик?

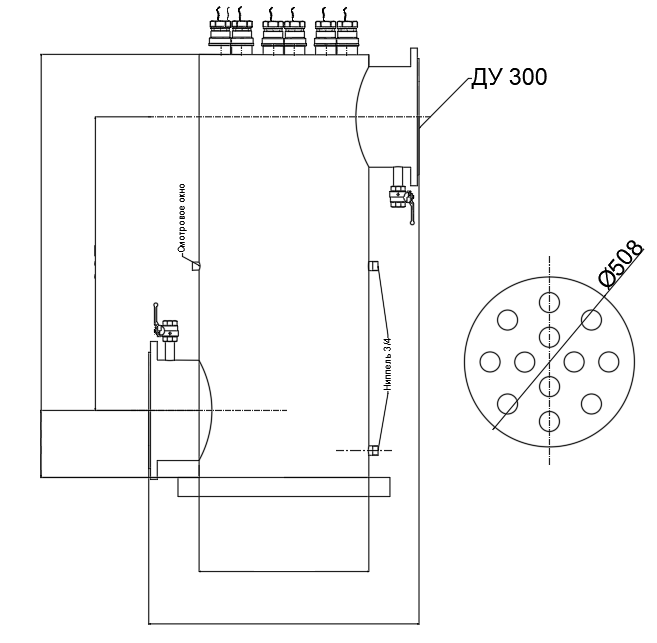
  • Установка в вертикальном исполнении (И-образная схема)
  • Производительность — не менее 75 литров в секунду
  • Доза УФ-облучения — 40 мДж/см² (по требованиям СанПиН)
  • Шкаф управления — уличного исполнения, с автоматическим блоком промывки

На руках у клиента уже было альтернативное предложение — установка от другого поставщика, 275 м³/ч при мощности 7,5 кВт. Но наши инженеры провели технический анализ и пришли к выводу: обещанная доза в 40 мДж/см² при таких параметрах вряд ли достижима. Вероятнее — не более 30 мДж/см².

Наше решение

Мы предложили установку UVL-Aqua 12-700 — надёжную и мощную систему, адаптированную под условия заказчика. В ней:

  • 12 амальгамных ламп с длительным сроком службы
  • Корпус из нержавеющей стали AISI 304
  • Вертикальное “И”-образное исполнение
  • Блок промывки и шкаф управления с уличной защитой и автоматикой

Производительность UVL-Aqua 12-700:

  • до 800 м³/ч при дозе 25 мДж/см²
  • 340 м³/ч при дозе 30 мДж/см²

Шкаф управления — с подогревом, вентиляцией и степенью защиты IP65.

-2

Что было важно?

  • Конкуренция: у клиента уже было другое КП
  • Сжатые сроки и логистика компонентов
  • Индивидуальное исполнение шкафа
  • Честный расчёт дозы и прозрачная спецификация

Мы не только предложили технически точное решение, но и пошли навстречу в условиях: скидка, удобная схема оплаты (50/50), сопровождение на каждом этапе.

Финальный результат:

-3

Стоимость проекта — 1 780 800 ₽ с НДС. В комплектацию вошли:

  • Установка UVL-Aqua 12-700
  • Шкаф управления с автоматическим охлаждением
  • Блок промывки
  • Документация, инструкции, чертежи и монтажные рекомендации

К февралю всё оборудование было готово к отгрузке. Заказчик остался доволен — и качеством оборудования, и уровнем техподдержки, и гибкостью команды.

Ищете решение под ваш объект?

Мы подберем систему УФ-обеззараживания под конкретные условия: от небольших станций до крупных производств. Технически точно, без иллюзий — только реальные цифры и рабочие решения.

Свяжитесь с нами — и мы рассчитаем систему под ваши задачи.