Добавить в корзинуПозвонить
Найти в Дзене
ДимониКА - DimoniKA

Вот что бывает если Автор схем не понимает

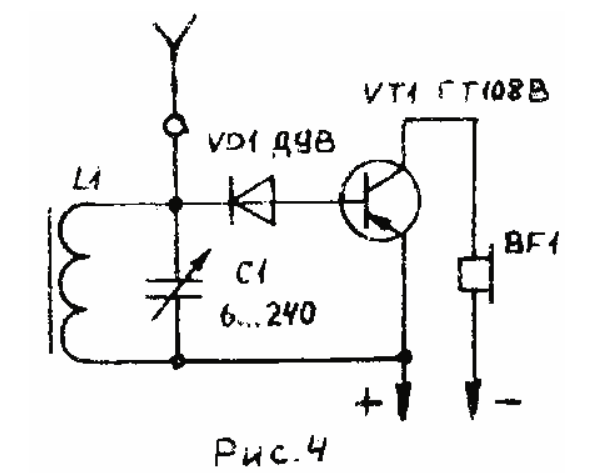
Эта немудрёная схема перерисована и перепечатана на разных ресурсах в книгах и журналах. Прочитана и просмотрена самыми крутыми Специалистами в области Радио и Старыми Опытными Радиолюбителями. Так значит я скажу - ДИОД ТУТ НАФИГ НЕ НУЖЕН ! Очевидно "крутые перцы" в столь простых схемах просто не желают разбираться, они ведь заняты более "сурьёзными делами" и вещами - они думу думают, а жаль что в столь простой схеме допускают такую оплошность - лишняя деталь. Представляете что будет со схемами таких "спецов" состоящими из чуть более большего количества деталюшечек. Тут типа простой РП с питанием от земли , точнее от гальванического самодельного элемента (в которых спецы, как оказалось, тоже ни бельмеса) Любимой игрушкой простых одноконтурных РП у Радиолюбителей конечно является "Детектор" - ух как сурьезно и много о нем говорят, вот только не понимают зачем он нужен и вечно рисуют одну и ту-же картинку с рассеченной промодулированной радиоволной. Ну так то самое рассечение и детектиро
Оглавление
Радиоприемник на одном транзисторе
Радиоприемник на одном транзисторе

Эта немудрёная схема перерисована и перепечатана на разных ресурсах в книгах и журналах. Прочитана и просмотрена самыми крутыми Специалистами в области Радио и Старыми Опытными Радиолюбителями.

НО ЧО-ТО НИКТО НЕ СКАЗАЛ ПРО ДИОД НИ СЛОВА!

Так значит я скажу - ДИОД ТУТ НАФИГ НЕ НУЖЕН !

Очевидно "крутые перцы" в столь простых схемах просто не желают разбираться, они ведь заняты более "сурьёзными делами" и вещами - они думу думают, а жаль что в столь простой схеме допускают такую оплошность - лишняя деталь. Представляете что будет со схемами таких "спецов" состоящими из чуть более большего количества деталюшечек.

-2

Тут типа простой РП с питанием от земли , точнее от гальванического самодельного элемента (в которых спецы, как оказалось, тоже ни бельмеса)

Любимой игрушкой простых одноконтурных РП у Радиолюбителей конечно является "Детектор" - ух как сурьезно и много о нем говорят, вот только не понимают зачем он нужен и вечно рисуют одну и ту-же картинку с рассеченной промодулированной радиоволной.

-3

Ну так то самое рассечение и детектирование осуществляет тот самый транзистор который и является усилителем и детектором.

-4

Зато сколько увесистой лапши, романтичных и смешных историй понарасскажет нам Автор , описывая эту схему с косяком (ну не в зубах, а в схеме).

Для любителей активного отдыха на природе существует способ обеспечить питание транзистора, используя энергию земли. Этот метод был реализован в конструкции простого приёмника, разработанного много лет назад. Он предназначен для приёма радиостанций, работающих в длинноволновом диапазоне и расположенных в непосредственной близости.

ВЫ ЧО ? РЕАЛЬНО ВИДИТЕ МЕТОД В КОНСТРУКЦИИ ?

Для работы приёмника рекомендуется использовать внешнюю антенну длиной не менее 20 метров и высотой подвеса 10–15 метров. В качестве телефона можно использовать модели ТМ-2А или ТОН-2.

На катушку наматывается провод, который закрепляется на бумажной гильзе. В гильзу вставляется ферритовый стержень длиной 30–50 мм. На каркас наматывается около 300 витков провода ПЭВ-2-0,2.

СОЗДАТЕЛИ "ЗЕМЛЯНОЙ БАТАРЕЙКИ" В ГАЛЬВАНИКЕ НЕ ШАРЯТ!

В качестве электродов для «земляной» батарейки используются медная трубка и алюминиевый лист размером с тетрадный лист. Эти электроды закапываются во влажный грунт на глубину около 1 м на расстоянии 0,3–0,5 м друг от друга. Важно обеспечить изоляцию вывода «отрицательного» электрода от земли.

Да мой малолетний сын больше знает о "походных батарейках" чем эти горе-специалисты.

Ну , а если уж желаете прикалываться и веселиться, то вот вам источник энергии для любых радиоприемников и магнитофонов