Добавить в корзинуПозвонить
Найти в Дзене
До 1 киловольта

Эквивалент нагрузок на 4 и 8 Ом для ремонта и настройки УМЗЧ

Для ремонта и настройки УМЗЧ очень удобно пользоваться эквивалентом нагрузки. С его помощью, например, можно настраивать ток покоя выходного каскада и баланс нуля на выходе усилителя без риска повредить акустическую систему. Однако и у меня до недавнего времени, и уверен, у многих других радиолюбителей, такой эквивалент нагрузки, как правило, был реализован в виде мощных резисторов с наскоро припаянными проводами. Все это, при любом неосторожном движении, может "замкнуть" в самый неподходящий момент. Мысль - оформить "эквивалент" в виде готовой, удобной в использовании конструкции, является совершенно правильной и нужной. Думаю, что у меня получилось сделать это недорого, просто и функционально. Возможно конструкция целиком, или какие-то отдельные технические решения из этой статьи, окажутся вам полезны для повторения. Нагрузочным элементом являются китайские резисторы на 4 или 8 Ом, с заявленной мощностью 100 Вт, конструктив которых позволяет размещать их на радиаторе. Заявленная мощн

Для ремонта и настройки УМЗЧ очень удобно пользоваться эквивалентом нагрузки. С его помощью, например, можно настраивать ток покоя выходного каскада и баланс нуля на выходе усилителя без риска повредить акустическую систему. Однако и у меня до недавнего времени, и уверен, у многих других радиолюбителей, такой эквивалент нагрузки, как правило, был реализован в виде мощных резисторов с наскоро припаянными проводами. Все это, при любом неосторожном движении, может "замкнуть" в самый неподходящий момент. Мысль - оформить "эквивалент" в виде готовой, удобной в использовании конструкции, является совершенно правильной и нужной. Думаю, что у меня получилось сделать это недорого, просто и функционально. Возможно конструкция целиком, или какие-то отдельные технические решения из этой статьи, окажутся вам полезны для повторения.

Эквивалент нагрузки УМЗЧ, внешний вид
Эквивалент нагрузки УМЗЧ, внешний вид

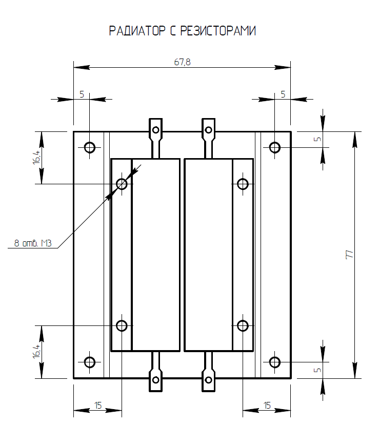
Нагрузочным элементом являются китайские резисторы на 4 или 8 Ом, с заявленной мощностью 100 Вт, конструктив которых позволяет размещать их на радиаторе. Заявленная мощность такого резистора, прямо скажем, не вызывает доверия, я бы мысленно ее делил пополам даже при использовании радиатора. Сам радиатор взят от старого компьютерного "кулера", который сейчас можно легко найти в компьютерных мастерских либо за недорого, либо даже совсем бесплатно. Выбирать подходящий радиатор нужно исходя из размеров нагрузочных резисторов. Наиболее подходящими являются радиаторы от кулеров для АМ2 или АМ3 процессоров, у которых большая ровная прямоугольная площадка. Отверстия следует делать на сверлильном станке, с последующей нарезкой резьбы М3 метчиком вручную. Для лучшей теплопередачи, резисторы желательно ставить на термопасту.

Размещение нагрузочных резисторов на радиаторе
Размещение нагрузочных резисторов на радиаторе

Проводить замеры вольтметром или осциллографом можно непосредственно на контактах нагрузочного резистора, однако намного удобней применить "гнезда" и подключаться к эквиваленту нагрузки через съемные провода. Для выполнения измерений с помощью звуковой карты, понадобится хотя бы простейший резистивный аттенюатор. Ослабление по напряжению можно взять на -20 и -40 дБ или в 10 и 100 раз соответственно. Это позволит проводить замеры как на малых, так и на повышенных мощностях, а поправку на напряжение, при этих измерениях, можно легко корректировать в уме или на графиках, в используемых измерительных программах.

Схема электрическая принципиальная эквивалента нагрузки
Схема электрическая принципиальная эквивалента нагрузки

Представленные на схеме номиналы резисторов не дадут точных значений ослабленного напряжения. В режиме -20 дБ будет присутствовать погрешность в несколько процентов, но для основных измерений звуковой картой, особенно для измерений АЧХ, это не является существенным недостатком. Для получения точных значений нужно проводить измерение напряжений осциллографом или вольтметром непосредственно на входных клеммах, либо "заморочиться" с точным подбором резисторов аттенюатора, рассчитывая и подбирая их, в том числе с учетом входного сопротивления вашей звуковой карты. Я такую задачу себе не ставил, взяв имевшиеся резисторы со стандартными значениями сопротивлений и допуском в 5%.

Для размещения входных и выходных гнезд была применена панель, изготовленная из листового вспененного ПВХ толщиной 4 мм. Такой пластик часто используют "рекламщики", у них же можно и разжиться обрезками. Подойдет и любой другой листовой материал, текстолит, фанера, оргстекло и т.п. Гнезда были приобретены в местном радиомагазине, но при желании их можно купить через интернет у наших китайских товарищей или даже просто поискать среди электронного хлама, которого у радиолюбителей всегда в достатке.

Панель с размещением разъемов и надписей
Панель с размещением разъемов и надписей

Было изготовлено два нагрузочных блока, с резисторами на 4 и на 8 Ом. В каждом нагрузочном блоке предусмотрено одновременное подключение "левого" и "правого" каналов усилителя. Отверстия на панелях делались по распечатанному шаблону, ручной дрелью со ступенчатым сверлом. После покраски алкидной эмалью из баллончика, были перенесены надписи, методом, описанным в другой моей статье "Перенос изображений на твердые ровные поверхности". К размещенным на панелях разъемам были припаяны резисторы и проводники навесным способом и выполнены соединения с нагрузочными резисторами на радиаторах. Панели к радиаторам были прикреплены через 4 латунные стойки типа male-female с резьбой М3 и длинной стоек 40 мм. Крепление панели к стойкам выполнено винтами М3 через металлические шайбы, посаженные на клей с обратной стороны панели.

Нагрузочный блок со снятой панелью
Нагрузочный блок со снятой панелью

Нагрузочные блоки можно использовать как в "моно", так и в "стерео" режимах, задействуя либо один, либо оба канала. Так же можно при помощи перемычек соединять нагрузочные резисторы последовательно и/или параллельно, для получения нестандартных сопротивлений нагрузки, однако при этом проводить измерения со звуковой картой уже не получится. Для использования на малых мощностях, нагрузочный блок размещается вертикально на столе, желательно на силиконовой подложке. Так же можно положить блок на бок, так чтобы ребра радиатора были расположены вертикально, это несколько улучшит циркуляцию воздуха возле пластин радиатора. При замерах на средних и больших мощностях, блок можно поставить в емкость с холодной водой, так чтобы уровень воды был на 1-2 см ниже нагрузочных резисторов. Длительных замеров на больших мощностях, в любом случае, лучше избегать, т.к. вода за счет хорошего теплообмена достаточно быстро будет нагреваться.

Нагрузочный блок в емкости с водой
Нагрузочный блок в емкости с водой

После сборки я обнаружил ошибки, которые видно на фото со снятой панелью. А именно, первоначально были просверлены в радиаторе отверстия с помощью ручной дрели. Эти отверстия оказались не совсем вертикальными и вкрученные в них стойки стояли неровно, пришлось эту ошибку устранять пересверливанием отверстий заново, рядом, но уже при помощи сверлильного станка. И вторая ошибка потребовала сделать пазы в уже готовой панели при размещении RCA гнезд, потому что их земляной контакт оказался смещенным от центра примерно на 5 мм, на что я сразу не обратил внимания. Думаю, что можно было просто увеличить диаметр отверстий с 8 до 10 мм, но я предпочел просто сделать ножом пазы.

В заключении привожу ссылки на схему и чертежи в хорошем качестве, а также на детали, использованные в проекте:

Схема и чертежи: Яндекс диск | Google disk

Самый лучший кэшбэк

Резисторы 100 Вт

Гнездовые разъемы "Банан"

Гнездовые разъемы RCA

Стойки латунные male-female, М3, 40мм

#инструменты #обзоры #самоделки #DIY