Найти в Дзене

Цикл Карно: доступно и правильно

30 января 2021 433 12 мин В интернете имеется много популярных статей на эту тему. Все они имеют недостатки. Проще говоря, они или неправильные, или непонятные. При этом не раскрывается главный смысл, главная идея технических решений. Не объясняется, каким именно образом тепло превращается в работу. Причем зачастую авторы проявляют просто чудовищную неграмотность. Например, пишут «ракетный двигатель МОЩНОСТЬЮ 200 ТОНН». Здесь имеется в виду СИЛА ТЯГИ, в данном случае 200 тонн-силы или примерно 2 миллиона НЬЮТОНОВ. Примеров подобной эпической неграмотности пишущих можно множить и множить. Например, путают киловатты и киловатт-часы. Скажем, когда описывают принцип работы газотурбинного двигателя, пишут, что высокоскоростная струя продуктов сгорания толкает лопатки, ротор начинает крутиться. Все правильно, так, пусть очень упрощенно, описывается принцип действия газовой турбины. Но сначала нужно получить этот самый высокоскоростной поток газа высокого давления. То есть сначала газ сжимает
Оглавление

ПОПУЛЯРНО О СЛОЖНОМ. ИНТЕРЕСНО О СКУЧНОМ. ЦИКЛ КАРНО

30 января 2021

433

12 мин

Типичные недостатки существующих статей

В интернете имеется много популярных статей на эту тему. Все они имеют недостатки. Проще говоря, они или неправильные, или непонятные. При этом не раскрывается главный смысл, главная идея технических решений. Не объясняется, каким именно образом тепло превращается в работу. Причем зачастую авторы проявляют просто чудовищную неграмотность. Например, пишут «ракетный двигатель МОЩНОСТЬЮ 200 ТОНН». Здесь имеется в виду СИЛА ТЯГИ, в данном случае 200 тонн-силы или примерно 2 миллиона НЬЮТОНОВ. Примеров подобной эпической неграмотности пишущих можно множить и множить. Например, путают киловатты и киловатт-часы.

Скажем, когда описывают принцип работы газотурбинного двигателя, пишут, что высокоскоростная струя продуктов сгорания толкает лопатки, ротор начинает крутиться. Все правильно, так, пусть очень упрощенно, описывается принцип действия газовой турбины. Но сначала нужно получить этот самый высокоскоростной поток газа высокого давления. То есть сначала газ сжимается компрессором, затем в поток газа добавляется топливо и в камере сгорания получаются продукты сгорания. Из газотурбинного двигателя выхватывается один элемент – турбина, как изюм из батона. Все потому, что инженеры не в чести, а техникой рулят эффективные менеджеры.

Лично имею честь принадлежать к категории СУКИ – Случайно Уцелевшие Квалифицированные Инженеры. Кандидат тех. наук, Выпускник Бауманки, 35 научных публикаций, лауреат всероссийского конкурса «инженер года». Но главное - я работаю на заводе, рассчитываю реальные конструкции, то есть прилагаю науку к практике, поэтому, надеюсь объяснить понятно. Формулы писать не буду, достаточно хотя бы понимать физическую картину и качественные зависимости - что на что влияет, в какую сторону и в какой степени.

Почему КПД растет с ростом температуры

Задача превращения хаотичной энергии теплового движения в упорядоченную механическую очень сложна. Паровоз ХIX века имел КПД не выше 6%. Парогазотурбинные установки ХХI века достигли КПД 60%. Такой десятикратный рост эффективности потребовал гигантского развития науки и технологий. Соответственно росту КПД во столько же раз снижается расход топлива. У нас в Бауманке на лекциях по термодинамике говорили, что (в советское время) для написания кандидатской диссертации достаточно повысить КПД теплоэлектростанции (ТЭС) на 0,2-0,3%. А повышение КПД на 1% с лихвой достаточно для докторской. Потому что этот 1% соответствует уменьшению затрат топлива на 4 млн. тонн в год.

Лучше всего пояснить физические процессы преобразования тепла в механическую энергию на примере. Для анализа наиболее подходит газотурбинный двигатель. В двигателе внутреннего сгорания в одном объеме происходит и всасывание, и горение, и расширение. Все время происходит теплообмен между воздухом и стенками цилиндра. В начале всасываемая топливная смесь нагревается от стенок цилиндра, в котором перед этим происходило горение топлива. После воспламенения смеси она, напротив, частично охлаждается от стенок цилиндра, в котором перед этим поступила холодная топливная смесь. Поэтому ДВС менее удобен для анализа. А в газотурбинном двигателя сжатие происходит в одном месте, горение в другом, а расширение с совершением работы - в третьем месте. Каждое можно анализировать по отдельности.

Теперь самое главное. Зачем нужен нагрев рабочего тела? Чтобы получить поток газа высокого давления, его нужно сначала сжать. Работа сжатия берется за счет отбора части работы расширения. И нужно, чтобы «полезная работа» – расширения – была как можно больше, а «вредная» - сжатия- как можно меньше. А КПД подсчитывается так: работа расширения минус работа сжатия – все это поделить на подведенное тепло. А самое главное – как работа расширения, так и работа сжатия пропорциональна абсолютной температуре газа. Значит, нужно сжимать при как можно более низкой температуре, расширять при как можно более высокой. Как известно из школьного курса физики, объем газа при одном и том же давлении пропорционален абсолютной температуре (температуре газа в градусах Цельсия +273.

Давайте представим наглядно. Пусть некоторая масса газа сжимается от давления, например, 1 атм до 5 атмосфер при начальной стандартной температуре +15 град. Цельсия (288 К). И такая же масса газа сжимается также от 1 до 5 атмосфер, но при вдвое большей начальной температуре и соответственно вдвое большем начальном объеме. Пусть сжатие происходит с помощью поршня. Во втором случае можно увеличить объем сжимаемого газа за счет увеличения вдвое площади поршня, а можно вместо одного поршня применять два поршня такого же размера. Следовательно, сила, с которой поршень давит на газ, также вдвое больше. При одинаковом ходе поршня сила будет возрастать одинаково. А вдвое большая сила дает вдвое большую работу сжатия.

Точно такие же рассуждения можно привести для работы расширения. Таким образом, как работа сжатия, так и работа расширения пропорциональны начальной температуре газа (абсолютной).

Зачем сжатие и расширение желательно проводить

при постоянной температуре

Мы выяснили, для чего нужен нагрев воздуха перед расширением. А для чего в цикле Карно расширение и сжатие происходят при постоянной температуре? Рассмотрим газотурбинный двигатель простой схемы (рис.1). Обычно сжатие в компрессоре и расширение в турбине происходит в несколько ступеней. Предполагаем для простоты, что этих ступеней четыре, степень повышения давления в каждой ступени – 2. Таким образом, при давлении на входе 1 атм на выходе будет 16 атм. Что интересно, при одинаковой температуре входа работа сжатия 1 кг газа не зависит от начального давления, а зависит только от степени повышения давления (в данном случае вдвое). Действительно, при вдвое большем давлении сила сжатия будет вдвое больше, а объем вдвое меньше, следовательно, и перемещение также вдвое меньше. произведение силы на перемещение, то есть работа, не изменится, если не изменилась температура.

Рисунок 1

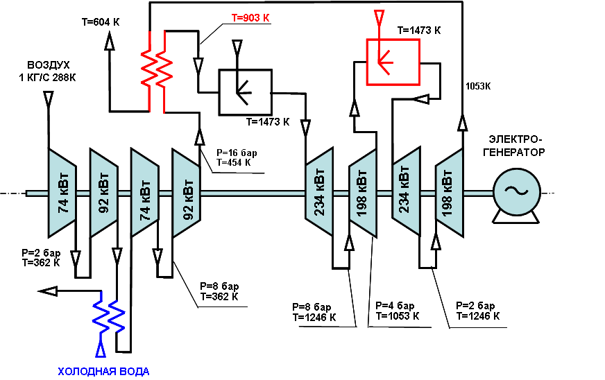
На рисунке приведены результаты расчета мощностей сжатия каждой ступени компрессора и мощности каждой ступени турбины при единичном расходе воздуха 1 кг/с, а также температуры воздуха и продуктов сгорания после каждой ступени. Температуру перед первой ступенью турбины принимаем 1200 град. Цельсия или 1473 Кельвина (в дальнейшем для простоты пишем Ц и К). Разность мощностей турбины и компрессора 314 кВт, количество тепла для нагрева в камере сгорания -792 кВт (что требует расхода природного газа 16 грамм/с). С учетом КПД электрогенератора и степени полноты сгорания в камере сгорания получается КПД установки 35,5%.

А теперь посмотрим на цифры мощностей ступеней, нарисованных прямо на условных обозначениях ступеней. В результате сжатия в первой ступени температура газа на входе 2 ступени повышается, соответственно"вредная" мощность сжатия возрастает по сравнению с первой ступенью. Аналогично в третьей и четвертой ступенях мощность сжатия еще более возрастает. В турбине ситуация противоположная. На выходе температура продуктов сгорания снижается, мощность второй ступени ниже мощности первой ступени, а мощность последней ступени почти вдвое ниже мощности первой ступени.

А теперь вспомним, кто изучал цикл Карно, что в нем сжатие и расширение происходят при постоянной температуре. Это полностью сделать невозможно, потому что, например, при сжатии в компрессоре выделяется тепло, которое трудно отвести из-за малой поверхности теплообмена. Более реально охладить воздух между ступенями в теплообменнике, например, холодной водой. Чтобы частично приблизиться к циклу Карно, можно, например, после первых двух ступеней компрессора установить водяной охладитель, а после второй ступени турбины установить еще одну камеру сгорания, на выходе которой температура восстанавливается до температуры, равной температуре на входе первой ступени.

Тогда мощность 3 и 4 ступеней компрессора будет такой же, как 1 и 2 ступеней соответственно. Аналогично будет и для турбины. Тогда суммарная мощность компрессора снизится с 417 кВт до 332 кВт, а турбины возрастет с 741 квт до 864 кВт. При этом разница мощностей возрастет с 324 кВт до 532 кВт, т.е. почти на 2/3. КПД также повысится, только в меньшей степени, ибо затраты тепла увеличатся. Во-первых, при охлаждении воздуха между 2 и 3 ступенями компрессора температура воздуха на выходе 4 ступени компрессора также снизится. Чтобы нагреть воздух до 1473 К, нужно будет дополнительно подвести 277 Квт, тепла, а во вторую камеру сгорания - 420 кВт тепла.

В результате КПД установки в целом даже несколько снизится. Но в запасе есть еще способ существенного увеличения КПД - регенерация тепла (рис.2). На выходе турбины расчетная температура газа довольно высокая (1053 К, или 780 Ц). Этот газ нагревает воздух после компрессора, температура которого 454К. При степени регенерации 75% температура воздуха на входе в камеру сгорания возрастает до 903 К. В первом варианте схемы нужно было нагреть воздух на 747 К, во втором варианте- всего на 570 К. В совокупности с увеличением мощности турбин и уменьшением мощности компрессоров дает уже вполне хороший КПД 46%.

-2

Рисунок 2. Уточненная схема установки (изменения выделены цветом)

Как соотносятся разобранные примеры с циклом Карно.

Эквивалентный цикл Карно

Есть такой показатель - степень карнотизации цикла. Это отношение КПД цикла к КПД цикла Карно между данными температурами. КПД цикла Карно при наших температурах составит (1473-288)/1473=80%! Для первого варианта схемы карнотизация получается 44%, для второго - 58%. Вообще цикл Карно считается нереализуемым технически, но можно в той или иной степени приблизиться к нему. Выше было показано, как можно приблизиться к изотерме (горизонтальный участок диаграммы на рис.3) - путем промежуточного охлаждения между ступенями компрессора и промежуточного перегрева между ступенями турбины. Гораздо труднее приблизиться к вертикальному участку диаграммы. На этом участке нагрев согласно Карно должен осуществляться только от сжатия, без применения топлива, причем в идеальном компрессоре, без потерь на трение в газе и без утечек через уплотнения. Так вот, чтобы нагреть воздух хотя бы до 800 Ц (1073К) нужно давления увеличить в 100 раз! А перед этим нужно еще сжать воздух с отводом тепла (T=const), хотя бы в 10 раз минимум! То есть общая степень повышения давления должна быть не менее 1000 (тысячи) раз!!!

-3

Обычный и эквивалентный циклы Карно

К тому же после давления 500 бар сжимаемость газа снижается, а после 1000 бар воздух ближе к жидкости, чем к газу. Дело выглядит вовсе безнадежным. К счастью, есть другая возможность - так называемый эквивалентный цикл Карно, состоящий из двух изотерм и двух эквидистантных кривых, например, изобар. КПД такого цикла в точности равно КПД цикла Карно, но осуществить его гораздо проще. Это цикл с идеальной регенерацией тепла уходящих продуктов сгорания в теплообменнике (аналогично схеме на рис.2). Чем выше степень регенерации, тем большая доля тепла перед камерой сгорания можно получить за счет утилизации тепла выбрасываемых продуктов сгорания. Кроме того, эффективность регенерации повышается при увеличении располагаемой разницы температур между выходами турбины и компрессора. Рекорд КПД, или эффективности лучших противоточных теплообменников составляет 98,75% (70-е годы, НПО "Гелиймаш".) Теоретически при степени повышения давления в компрессоре 4 и эффективности теплообменника 95% можно получить КПД газотурбинной установки свыше 60% при температуре на входе в турбину 1400К (не сверхвысокая температура при современных технологиях.)

Однако дело в том, что интенсивность теплообмена при низком давлении воздуха невелика, и при давлении за компрессором 4 бар, можно получить степень регенерации от силы 60-70%. Но при такой степени регенерации КПД получается ниже, чем у установки простого цикла. При увеличении давления за компрессором коэффициент теплоотдачи прямого потока растет, а низкую теплоотдачу от обратного потока можно компенсировать оребрением. Но снизится разность температур между выходами турбины и компрессора и общий выигрыш от введения регенерации. Эта дилемма так и не была решена, и мир пошел по пути увеличения КПД простого цикла за счет роста допустимой температуры турбин за счет охлаждаемых лопаток. Сейчас температура на входе турбин достигает 1600-1700К, а КПД достиг 40%. Если горячие газы с выхода турбины утилизовать в паротурбинном цикле, общий КПД комбинированного парогазового цикла достигает 60%

Я предложил путь решения указанной выше дилеммы за счет создания в составе газотурбинной установки частично замкнутого контура с небольшой степенью повышения давления, например, 5, но повышенным давлением на входе компрессора (например, на входе компрессора 5 бар, на выходе 25 бар). В результате коэффициенты теплоотдачи возрастают более чем на порядок и становится реальным создание теплообменника с КПД порядка 95%. При этом даже с учетом более низкого КПД разомкнутой части цикла общий КПД установки может достигать 53-57%. (без паровой турбины). По этой теме опубликованы статьи в журналах "Газотурбинные технологии", №3, 2009 год, "Теплоэнергетика", №4, 2010 год.

Почему паротурбинные ТЭС эффективней двигателей
внутреннего сгорания

В заключение разоблачу миф о крайне низкой эффективности паротурбинного цикла. В настоящее время примерно 70% электроэнергии вырабатывается на тепловых электростанциях, а большинство из них- -паротурбинные ТЭС. В последнее время все большее применение находят парогазотурбинные ТЭС. Так вот, в России большая часть ТЭС, работающих на угле, имеет КПД порядка 37%, а на природном газе - примерно 43%. (правда ведь, совсем не "паровозные" цифры?). Причем 40% - ная отметка КПД, достигнутая ГТУ лишь недавно, на паротурбинных ТЭС была превзойдена еще в 1970-е годы. При этом верхний уровень температуры обычно не выше 600-650 Ц, а степень карнотизации превышает 60%.

Все дело в свойствах рабочего тела - воды. Для газа большая часть энергии, вырабатывамой турбиной, затрачивается на получение газа высокого давления. В паротурбинной ТЭС сжимается вода, плотность которой на три порядка выше плотности воздуха, затраты мощности в десятки раз ниже мощности, вырабатываемой паровой турбиной. А газ (водяной пар) получается в результате нагрева воды. (Для ГТУ мощность компрессора соизмерима с мощностью турбины.)

И вторая особенность воды как рабочего тела - возможность расширения воды в вакуум за счет конденсации выходящего пара холодной водой. Пар можно дополнительно расширить с 1 атмосферы примерно до 0,05 атм, т.е примерно в 20 раз, увеличив общую мощность ступеней турбины на 10-20%.

Уважаемые читатели! Я хотел написать одновременно просто и доступно, и в то же время правильно, без "ляпов". Прошу оставлять комментарии, по результатам которых статья будет редактироваться.