Добавить в корзинуПозвонить
Найти в Дзене
Записки Айтишника

Мультивибратор — почему именно его собирали начинающие радиолюбители?

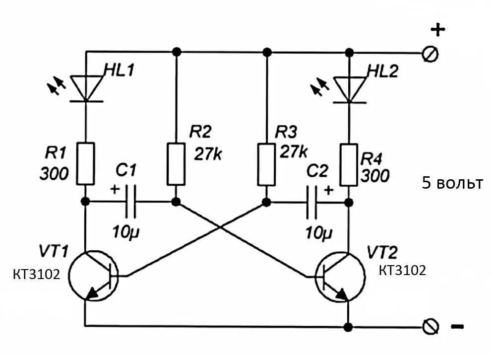
Вот парадокс — у кого ни спросишь про первую поделку, все сразу говорят: «Мультивибратор!» Да, у меня было также. Еще в возрасте 7 лет я вытащил первую лампочку из гирлянды и подсоединил ее к батарейке. Цоколь выдрать вытащить из гирлянды мне не разрешили, поэтому я соединял конструкцию проводками. Держать было неудобно, поэтому был взят я взял паяльник и с горем пополам припаял проводки к лампочке. Она светилась! Дальше нужно было усложнить схему и найти выключать выключатель. Кроме бытового, огромного, я ничего не нашел и приспособил его. Мне нравилось на него нажимать и включать свою лампочку. А потом батарейка села, и я расстроился. Уже не помню, где раздобыл какой-то старый радиоприемник еще на транзисторах с черными шляпками. Я был записан в детской библиотеке, и следующую книгу, которую я взял (точнее, журнал) — «Юный техник». Меня интересовало, как сделать, чтобы лампочка мигала. Понял, что мне нужно собирать свою первую серьезную схему — мультивибратор. Методом проб и ошибок

Вот парадокс — у кого ни спросишь про первую поделку, все сразу говорят: «Мультивибратор!» Да, у меня было также. Еще в возрасте 7 лет я вытащил первую лампочку из гирлянды и подсоединил ее к батарейке. Цоколь выдрать вытащить из гирлянды мне не разрешили, поэтому я соединял конструкцию проводками.

Держать было неудобно, поэтому был взят я взял паяльник и с горем пополам припаял проводки к лампочке. Она светилась!

Дальше нужно было усложнить схему и найти выключать выключатель. Кроме бытового, огромного, я ничего не нашел и приспособил его. Мне нравилось на него нажимать и включать свою лампочку. А потом батарейка села, и я расстроился.

Уже не помню, где раздобыл какой-то старый радиоприемник еще на транзисторах с черными шляпками. Я был записан в детской библиотеке, и следующую книгу, которую я взял (точнее, журнал) — «Юный техник». Меня интересовало, как сделать, чтобы лампочка мигала. Понял, что мне нужно собирать свою первую серьезную схему — мультивибратор.

Фото: https://sxemiy-dlya-nachinayushix-radiolyubiteley.rukamisami.ru/
Фото: https://sxemiy-dlya-nachinayushix-radiolyubiteley.rukamisami.ru/

Методом проб и ошибок я его собрал — на картонке навесным монтажом. И все работало: лампочка мигала. Потом пошел самый настоящий научный «тык» — я менял номиналы конденсаторов и резисторов. Лампочка светилась то быстрее, то медленнее. Чуть позже конструкция была модернизирована за счет переменного резистора — крутишь ручку и наслаждаешься миганием лампочки. А вместо лампочки я даже динамик подключал — мне же интересно, что же будет? Динамик щелкал, а я безумно радовался.

Второй мультивибратор уже был звуковым — издавал характерный писк в разных интервалах. Позже я раздобыл какой-то блок питания, и лампочка в моей комнате мигала всегда. С этого и начался мой путь в радиолюбительство.

Потом были многие «детские» поделки много «детских» поделок: металлоискатель, звуковой генератор, конечно же, приемник (и не только детекторный), примитивный усилитель НЧ, радиопередатчик и многое-многое другое. Это было очень увлекательно — никаких измерительных приборов не было, все собиралось методом тыка. Именно в этот момент приходило понимание того, как это все работает.

Это примерно как в автошколе — когда ты ходишь месяц на теорию, ты вообще ничего не понимаешь толком. Но стоит только сесть с инструктором за руль, ты заново начинаешь понимать ПДД и начинаешь понимать ПДД заново.

И вот почему же почти у всех радиолюбителей мультивибратор — это первое устройство?

  1. Он очень прост: для несимметричного нужно даже меньше деталей (только не всегда под рукой были разные транзисторы);
  2. Схема интуитивно понятна. По ней юный радиолюбитель понимает, как открывается и закрывается транзистор;
  3. Разброс параметров деталей не важен. Лампочка все равно будет мигать!
  4. Полная безопасность для новичка — работает от батареек;
  5. Мультивибратор дает понятие о том, как меняется схема при изменении номиналов резисторов и конденсаторов — можно в буквальном смысле «пощупать» частоту колебаний.

С очень теплыми чувствами вспоминаю то время — вся комната позже уже была завалена радиодеталями и различной старой аппаратурой, которая появлялась на помойках которую я находил на помойках. Собирал даже робота, который ездил по квартире, реагировал на луч света, а также имел концевой датчик препятствия.

А что вспомните вы? Что собирали? Какая была ваша первая поделка? Поставьте лайк за ностальгию!

Читайте далее: Как я в 90-е собрал радиопередатчик, удивил друзей и напугал бабушек