Добавить в корзинуПозвонить
Найти в Дзене
Х-СХЕМА

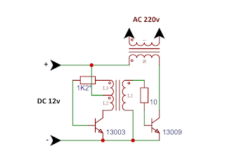
Повышающий преобразователь напряжения с 12 на 220 вольт

Схема простого но мощного повышающего преобразователя напряжения. Данный преобразователь питается от постоянного тока напряжением в 12 вольт а на выходе мы получаем переменное напряжение 220 вольт но данное напряжение высокочастотное которым можно питать импульсные источники питания а это современные зарядные устройства бп от пк, блоки питания множества электронных устройств нашего времени а так же постоянная нагрузка такая как лампочки накаливания, паяльники и пр. Одним словом преобразователь не подойдет для питания асинхронных двигателей и блоков питания с железным трансформатором так как они рассчитаны на частоту 50 герц. Преобразователь работает в диапазоне звуковой частоты поэтому трансформаторы мотаются на ферритовых кольцах марки мн2000 L1 имеет 12 витков а L2 и L3 имеют по 25 витков модного провода диаметром 1мм намотанных на кольце размером 40х20х10 Выходная мощность зависит от мощности силового трансформатора и силового ключа (транзистора) в моем случаи выходная мощность пор

преобразователь напряжения с 12 на 220
преобразователь напряжения с 12 на 220

Схема простого но мощного повышающего преобразователя напряжения.

Данный преобразователь питается от постоянного тока напряжением в 12 вольт а на выходе мы получаем переменное напряжение 220 вольт но данное напряжение высокочастотное которым можно питать импульсные источники питания а это современные зарядные устройства бп от пк, блоки питания множества электронных устройств нашего времени а так же постоянная нагрузка такая как лампочки накаливания, паяльники и пр. Одним словом преобразователь не подойдет для питания асинхронных двигателей и блоков питания с железным трансформатором так как они рассчитаны на частоту 50 герц.

Преобразователь работает в диапазоне звуковой частоты поэтому трансформаторы мотаются на ферритовых кольцах марки мн2000 L1 имеет 12 витков а L2 и L3 имеют по 25 витков модного провода диаметром 1мм намотанных на кольце размером 40х20х10

Выходная мощность зависит от мощности силового трансформатора и силового ключа (транзистора) в моем случаи выходная мощность порядка 40 ватт.

Данную схему можно использовать как повышающий так и понижающий преобразователь напряжения.

Источник: https://x-cxema.blogspot.com/2025/03/12-220.html