Добавить в корзинуПозвонить
Найти в Дзене

Фонокорректор РАЙСКАЯ ПТИЦА-Стародубцева .ПРОДОЛЖЕНИЕ.

Здравствуйте ,дорогие читатели! Бродя по просторам интернета в поисках чего нибудь новенького случайно наткнулся на интересную схему. И так,прошу любить и жаловать Вместо 4-х ламп 6н23п-ев здесь в первом каскаде стоят 6н2п-ев,а во втором 6н24п. Так же изменена цепь коррекции. Все изменения очень благотворно сказались на звучании,оно стало заметно чище,детальнее и прозрачнее. Появились нюансы которых не было слышно в старой версии. Появился очень хороший напор и упругость в Н.Ч. В диапазоне,С.Ч. и В.Ч. всё очень прозрачно и чисто. Все инструменты слышны очень детально. Эта версия фонокорректора ЗНАЧИТЕЛЬНО лучше предыдущей на 6н23п! Усовершенствования провёл сам господин Стародубцев. А вот собственно что у меня получилось Вот такой девайс у меня получился. Зучание великолепное!!!!

Здравствуйте ,дорогие читатели! Бродя по просторам интернета в поисках чего нибудь новенького случайно наткнулся на интересную схему.

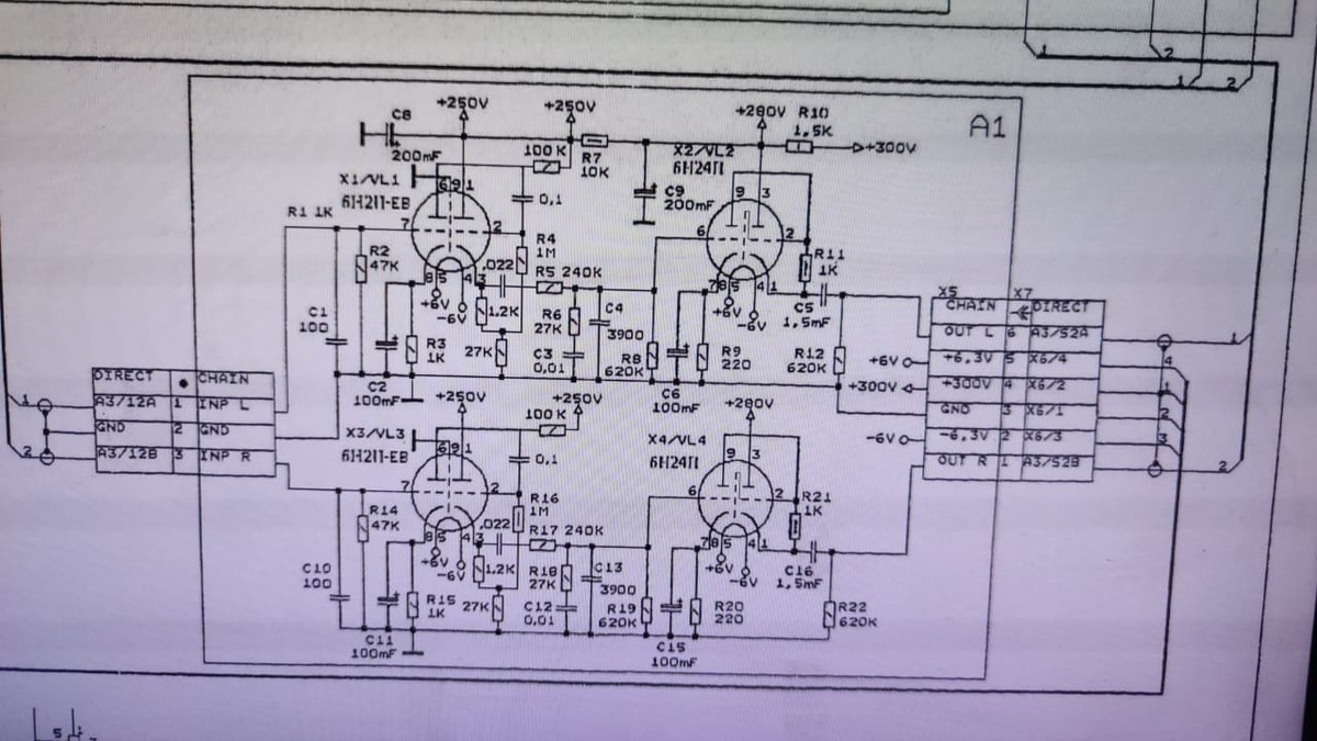
И так,прошу любить и жаловать

Усовершенствованная версия
Усовершенствованная версия

Вместо 4-х ламп 6н23п-ев здесь в первом каскаде стоят 6н2п-ев,а во втором 6н24п. Так же изменена цепь коррекции. Все изменения очень благотворно сказались на звучании,оно стало заметно чище,детальнее и прозрачнее.

Появились нюансы которых не было слышно в старой версии. Появился очень хороший напор и упругость в Н.Ч. В диапазоне,С.Ч. и В.Ч. всё очень прозрачно и чисто. Все инструменты слышны очень детально. Эта версия фонокорректора ЗНАЧИТЕЛЬНО лучше предыдущей на 6н23п! Усовершенствования провёл сам господин Стародубцев.

А вот собственно что у меня получилось

-2

-3

-4

Вот такой девайс у меня получился. Зучание великолепное!!!!