Найти в Дзене

Старые конструкции. Ю.Н. Прозоровский, КВ- радиоприемник.

Этот приемник был разработан известным советским радиоспортсменом Юрием Николаевичем Прозоровским (UA3AW), мастером спорта, кандидатом технических наук. В 1948 году сумел за 25 минут осуществить связи со всеми континентами, а в 1951 году провёл радиосвязи со 106 областями и был награждён дипломом «Р100О» №1.

Приемник был представлен на 11-й выставке радиолюбителей-конструкторов, а его описание появилось в 8-м номере журнала Радио за 1953 год.

Рис. 1. Из журнала Радио №8 за 1953 год
Рис. 1. Из журнала Радио №8 за 1953 год

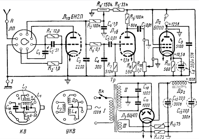
Приемник предназначен для прослушивания телеграфных и телефонных радиостанций в любительских КВ-диапазонах 160, 80, 40 и 20 м, а так же в диапазоне УКВ 70 - 90 МГц. На КВ-диапазонах приемник работает как регенератор, а на УКВ - как сверхрегенератор.

Приемник простой, всего две лампы, не считая кенотрона в выпрямителе, - 6Н2П и 6П1П.

Рис. 2. Из журнала Радио №8 за 1953 год
Рис. 2. Из журнала Радио №8 за 1953 год

В режиме регенерации сигнал положительной обратной связи из анодной цепи триода подается в контурную катушку через катушку связи, а антенна подключается через конденсатор небольшой емкости.

Рис. 3. Из журнала Радио №8 за 1953 год
Рис. 3. Из журнала Радио №8 за 1953 год

Регулирование глубины ПОС осуществляется путем изменения анодного напряжения с помощью потенциометра R4. Уменьшение анодного напряжения снижает усиление каскада и уменьшает глубину ПОС. Лампа при этом работает без смещения на управляющей сетке.

Рис. 4. Из журнала Радио №8 за 1953 год
Рис. 4. Из журнала Радио №8 за 1953 год

В диапазоне УКВ первый триод Л1 работает в режиме сверхрегенератора с самогашением. Антенна в этом случае подключается через катушку связи. Контур регенератора включен в анодную цепь, а нагрузкой по ВЧ является Др1. Сигнал ПОС из анодной цепи подается в цепь сетки, а через резистор высокого сопротивления (12 МОм) подается на сетку положительное смещение. Регулирования режима сверхрегенерации осуществляется также, как в случае регенерации.

В обоих случаях нагрузкой каскада по НЧ является резистор R3, откуда через ФНЧ С3,R6,С4 сигнал подается на вход двухкаскадного УНЧ. Первый каскад выполнен на втором триоде Л1, откуда усиленный сигнал через регулятор громкости подается на оконечный усилитель на Л2, в анодную цепь которой включены высокоомные наушники.

Питание приемника осуществляется от сетевого блока питания с выпрямителем на кенотроне 6Ц4П и LC-фильтре высокого напряжения. Кроме этого, для уменьшения фона переменного тока обмотка накала не имеет непосредственного соединения с общим проводом, а соединена с ним через резисторы 75 Ом, образующими виртуальную среднюю точку.

В приемнике нет переключателя диапазонов, для этого просто меняются катушки, которые смонтированы в цоколях от октальных ламп и вставляются в октальную панельку, которая закреплена на шасси приемника.

Рис. 5. Из журнала Радио №8 за 1953 год
Рис. 5. Из журнала Радио №8 за 1953 год

В статье подробно описана конструкция приемника и методика его налаживания.

Вот такая интересная конструкция.

Всем здоровья и успехов!