Найти в Дзене
Сам Себе Дом

Большие надежды на вентиляцию.

Про вентиляцию я и забыл. Лежит уже давно заготовочка про рекуператор тепла, но я тогда не смог найти фотографии процесса изготовления. Потом кураж прошел и все забылось.
Бармаглоту, как мотиватору доделать начатое, посвящается: https://dzen.ru/barmaglot?share_to=link
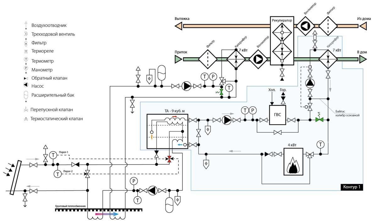
Итак, представляю вашему вниманию весьма амбициозный проект принудительной, комбинированной вентиляции, которая еще и с функцией отопления и кондиционирования (можно автоматизировать при желании). Каждый вкладывает в свой дом уникальную философию, и я тут отличился от всех в свою сторону. Вся затея стройки у меня, что-то вроде лаборатории. Мне, конечно, тоже хочется эстетики, но мне не интересно просто соорудить форму и придать ей цвет – не развлекает это, не мотивирует и не создает что-то новое. Для начала схемка... Если отбросить все сантехнические значки обвязки, то выделяются 4 части: 3 контура, имеющие отношение к отоплению и 4-й – вентиляция. Тут она упрощена до максимума, потому что я планировал ставить печь-камин
Оглавление

Про вентиляцию я и забыл. Лежит уже давно заготовочка про рекуператор тепла, но я тогда не смог найти фотографии процесса изготовления. Потом кураж прошел и все забылось.
Бармаглоту, как мотиватору доделать начатое, посвящается:
https://dzen.ru/barmaglot?share_to=link

Итак, представляю вашему вниманию весьма амбициозный проект принудительной, комбинированной вентиляции, которая еще и с функцией отопления и кондиционирования (можно автоматизировать при желании).

Проект

Каждый вкладывает в свой дом уникальную философию, и я тут отличился от всех в свою сторону. Вся затея стройки у меня, что-то вроде лаборатории. Мне, конечно, тоже хочется эстетики, но мне не интересно просто соорудить форму и придать ей цвет – не развлекает это, не мотивирует и не создает что-то новое.

Для начала схемка...

Если отбросить все сантехнические значки обвязки, то выделяются 4 части: 3 контура, имеющие отношение к отоплению и 4-й – вентиляция. Тут она упрощена до максимума, потому что я планировал ставить печь-камин с водяным контуром. Как понимаете, все было переработано.

Но, пройдемся по схеме 2, чтобы войти в курс дела.
На желтом поле у меня расположен контур солнечных коллекторов (водяных). Принцип их действия заключается в нагреве воды при помощи солнца, а затем сброс этого тепла в аккумулятор (помечен как ТА 9 куб.м). Так как аккумулятор большой, то в него можно сбрасывать тепло весь теплый сезон, а пользоваться в холодную половину года. 9 кубов конечно маловато, но я старался оптимизировать издержки.

На голубом поле силовой контур принудительного нагрева и подготовки ГВС. Вверху видно, что вода из него подается на выход системы вентиляции для подогрева воздуха.

Зеленое поле – самое интересное и не имеющее аналогов – это антишоковая система, которая в летнее время работает как кондиционер, а в зимнее как преднагрев входящего воздуха.

Объясню суть.

Антишоковая система

Принцип действия как у теплового насоса, только пассивного, а не активного. Кто не в курсе, поясню. Земля имеет круглый год примерно одинаковую температуру в нижних слоях (ниже уровня промерзания), примерно +10 градусов. А еще земля имеет большую массу и тепловую инерционность. Значит можно эти +10 закачивать к себе в дом и аккумулировать, что и делают с помощью тепловых насосов.

Суть моей идеи заключается в том, что мы не тратимся на дорогое оборудование, которое само по себе тоже расходует достаточно много энергии, а просто используем, что есть – эти 10 градусов.

Согласитесь, что если на улице, скажем, -10-15, то такой холодный воздух будет выстуживать нам помещение. Но если при помощи тепла земли подогреть его на входе до, скажем +8, то зима сразу превращается в сентябрь))) А так как теплоемкость земли большая, а воздуха маленькая, то можно в +8 превратить, и -20, и -30, и -40 градусов. То есть на входе мы получаем стабильную температуру вне зависимости от того, что у нас на улице.

Летом же мы можем или отключать совсем этот контур или, когда очень жарко и хочется прохлады, подключать на малой мощности и все тот же эффект: +35 превращаются, например, в +20 (если скорость прокачки насоса убрать до минимума и часть зондов выключить из оборота, чтобы понизить мощность) – ХАЛЯВА!

Сколько потребляет тепловой насос?
Сколько потребляет кондиционер?
А шоковая система потребляет только мощность насоса, который гоняет антифриз по кругу – примерно 40-120 Вт.

Но, со сваркой зондов не задалось и поэтому пересчитал их в другой конструктив.

Вуаля – зонд-змеевик на любую глубину!
Вуаля – зонд-змеевик на любую глубину!

принцип тот же, но площадь теплообмена ниже, а значит нужно просто глубже пробуриться, что для автобура не проблема. Прикидывал, как я буду делать такое в одиночку и плюнул на эту затею – нанять автобур не так уж дорого.

Проект 2

Эта схема уже ближе к той, которая дожила до реализации. разница лишь в том, что конечные калориферы я заменил на электрические, потому что не вывожу график монтажа коммуникаций))

Тут так же осталась солнечная и твердотопливная часть, от которых я отказался по причине невозможности использования воды как аккумулятора тепла в бытовых условиях. Наверное напишу об этом отдельную статью, так как материала по аккумуляторам тепла накопилось много.

Третья инкарнация комбинированного отопления
Третья инкарнация комбинированного отопления

Смотрим на схему вентиляции.

Там предельно все понятно, но есть и новинка в виде воздушного коллектора, который заложен в конструкцию, но использован не будет и останется только в виде лабораторного стенда (а времени на него потратил месяц или больше. На фотках он есть).

В Прямую сторону

Фильтр – коллектор – вентилятор – калорифер-антишок – рекуператор (по нему тоже статью доделаю) – вентилятор компенсации потерь давления – калориферы 5 штук (под каждое окно по одному)

В Обратную сторону

Фильтр – вентилятор – обратка рекуператора – обратка антишока.

Таким образом получаем систему воздушного отопления и кондиционирования по весьма гуманной цене, особенно, если рекуператор сделать самому. Это оказалось не сложно. Но можно и купить готовый.

Уже пятый год ждет своего часа)))
Уже пятый год ждет своего часа)))

Всем добра и внутренней мотивации.
Ну и терпения, разумеется.