Добавить в корзинуПозвонить
Найти в Дзене
Изучаю с НОЛЯ.

СХЕМА ИНВЕРТОРА

Не секрет, что эффективность переменного тока гораздо выше в
сравнении с постоянным током, это доказано как практически, так и
теоретически. Но очень часто случается так, что доступен только
постоянный ток, например, бортовая сеть автомобиля, аккумуляторы,
солнечные батареи и другие альтернативные источники энергии. В то же
время, например, при использовании солнечных батарей, в течение дня
солнечная энергия поступает в неравных количествах, вечером или в
облачную погоду ее значительно меньше, чем днем в ясную погоду. 
   Для выравнивания напряжения в схеме с солнечной батареей используют
аккумуляторы, которые при излишках солнечной активности заряжаются, а
при недостаточности солнечного света отдают накопленную за предыдущее
время энергию. Или бывает необходимость использования переменного тока,
но не со стандартными параметрами. Если при помощи трансформатора мы
можем понизить или повысить напряжение, то частоту переменного тока,
увы, с их помощью не изменишь. Для все

Не секрет, что эффективность переменного тока гораздо выше в
сравнении с постоянным током, это доказано как практически, так и
теоретически. Но очень часто случается так, что доступен только
постоянный ток, например, бортовая сеть автомобиля, аккумуляторы,
солнечные батареи и другие альтернативные источники энергии. В то же
время, например, при использовании солнечных батарей, в течение дня
солнечная энергия поступает в неравных количествах, вечером или в
облачную погоду ее значительно меньше, чем днем в ясную погоду. 



   Для выравнивания напряжения в схеме с солнечной батареей используют
аккумуляторы, которые при излишках солнечной активности заряжаются, а
при недостаточности солнечного света отдают накопленную за предыдущее
время энергию. Или бывает необходимость использования переменного тока,
но не со стандартными параметрами. Если при помощи трансформатора мы
можем понизить или повысить напряжение, то частоту переменного тока,
увы, с их помощью не изменишь. Для всех вышеописанных случаев можно
применить чудо современной технологии – инвертор электрической энергии. 



Согласно википедии:
Инвертор — устройство для преобразования постоянного в переменный ток с изменением величины частоты или напряжения.



   По сути инвертор - это преобразователь постоянного тока в переменный
ток. Причем получить на выходе можно любой ток, с практически любыми
необходимыми параметрами. Ток, получаемый на выходе инвертора, не
зависит от входящего. Единственное, что инвертор не может делать – это
увеличивать электрическую энергию, дабы не нарушить закон сохранения
энергии. Во всем остальном универсальность инверторов огромная, они
позволяют получать не статичные параметры тока на выходе, а регулировать
его.

Принцип работы инвертора, если упростить сам процесс, можно описать так: это трансформатор, к первичной обмотке которого подключены два ключа, которые поочередно открываются и закрываются. В результате работает либо левая, либо правая обмотки. В один момент времени электрический ток движется либо в одну сторону по первой обмотке, либо в противоположную по второй обмотке. В это время во вторичной обмотке индуцируется ток. Токи в обмотке нарастают и уменьшаются, во вторичной обмотке также, но при этом еще и меняя направление тока, в зависимости от того, какая первичная обмотка
сейчас активна. Правда, на выходе мы получаем ступенчатую (а), либо
апрокисмированую синусоиду (б), а не плавную (в), но это не существенно
для работы большинства бытовых приборов. Более дорогие инверторы
позволяют получать на выходе и синусоидальную форму выходного напряжения (в).

Инверторы можно разделить на автономные и сетевые. Автономные
инверторы получают питание от мощных аккумуляторных батарей. Питание от
них постоянное. Сетевые инверторы получают питание от постоянного тока,
но входное напряжение различается по времени. Например, в случае с
солнечными батареями оно может колебаться в диапазоне от 300 до 800
вольт. А вот ток на выходе должен оставаться постоянным по параметрам: и
по напряжению и по частоте. А значит, в таких инверторах система
контроля и коммутации более совершенная, поскольку в качестве генератора
частоты используется сама сеть, и работа инвертора синхронизируется с
этой сетью.

Итак, с теоретической частью разобрались. Но где же можно
встретить инверторы в повседневной жизни? В больших городах трёхфазные
инверторы обычно используются для создания тяги троллейбусов, трамваев,
да и вообще для питания трёхфазных асинхронных электродвигателей.
Однофазные инверторы есть практические в каждом офисе – источники
бесперебойного питания.



   Массовое использование ИБП связано с обеспечением бесперебойной
работы компьютеров, позволяющее подключенному к ИБП оборудованию при
пропадании электрического тока или при выходе его параметров за
допустимые нормы, некоторое непродолжительное время продолжить работу.
Самые распространенные бытовые ИБП оборудованы аккумулятором 12 вольт
7,2 А. 



   Конструктивно преобразователи сильно могут отличаться в зависимости
от необходимой выходной мощности. Если инвертор с выходной мощностью до
150 ватт можно собрать, как говорится, на коленках дома из подручных
радиодеталей, то с более высокими требованиями придется «повозиться».
Это связано, как и большей дороговизной и дефицитностью деталей, так и
возрастающим количеством выделяемой теплоты. Ниже приведу схему
относительно простого, но маломощного инвертора, мощностью не более 100
ватт:

-2

От автомобильного аккумулятора такой инвертор может питать устройство
мощностью 100 ватт в течение нескольких часов, что является достаточно
неплохим показателем. Вот самые необходимые параметры преобразователя:



Напряжение питания -------------------- 10,5 – 14 В

 Напряжение выходного сигнала ----- 190 - 240 В

 Частота переменного напряжения -- 48 - 52 Гц

 Мощность подключаемой нагрузки-- до 100 Вт




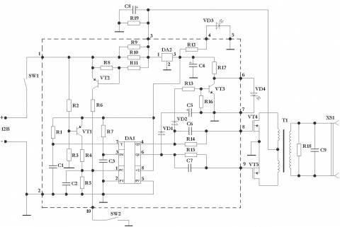
   В качестве задающего генератора DA1 в данном варианте используется
специализированная микросхема КР1211ЕУ1. Микросхема содержит
интегрированный тактовый генератор, частота генерации которого
определяется постоянной времени цепи, подключаемой к выводу 7
микросхемы. Для работы системы защиты используется вывод 1 микросхемы.
При подаче на него высокого уровня напряжения работа микросхемы
блокируется и на выходах устанавливается низкий уровень напряжения. В
рабочий режим микросхема переводится либо выключением и включением
питания, либо кратковременной подачей низкого уровня напряжения на вывод
3 микросхемы. Выходные импульсы DA1 поочерёдно открывают полевые
транзисторы VT4, VT5, которые создают в первичной обмотке трансформатора
T1 переменный электрический ток. При этом на выводах вторичной обмотки
T1 формируется выходное переменное напряжение.



   Питание для микросхемы DA1 поступает от маломощного интегрального
стабилизатора DA2. Наличие напряжения питания информируется светодиодом
VD3. Частота формируемого переменного напряжения определяется номиналами
R1, C1. Датчиком перегрузки служат параллельно соединённые резисторы R9
и R10. Протекающий по ним ток создаёт падение напряжения между базой и
эмиттером транзистора VT2 через делитель R8, R11. При перегрузке
транзистор VT2 открывается и через делитель R6, R5 на вывод 1 микросхемы
поступает напряжение высокого уровня. Пороговая величина тока
срабатывания защиты определяется номиналами R8, R11 и для данной схемы
составляет 10 А.

При пониженном напряжении питания открывается транзистор VT1. Ток,
протекающий через открытый транзистор VT1 и резисторы R4, R5 создаёт на
выводе 1 микросхемы DA1 напряжение высокого уровня. Транзисторы VT4, VT5
должны быть установлены на радиаторы площадью 30-50 кв. см. каждый. При
этом необходимо обеспечить электрическую изоляцию между радиатором и
корпусом транзистора. Рекомендуется использовать прокладки из слюды или
керамики, а также диэлектрические шайбы под винты и теплопроводящую
пасту. В качестве Т1 подойдёт понижающий трансформатор мощностью не
менее 150 Вт.

Рекомендуется использовать трансформатор ТП-190 после его
несложной доработки. Доработка трансформатора заключается в том, чтобы,
не прибегая к его разборке, отмотать 10 витков каждой секции вторичной
обмотки. Для самостоятельного изготовления трансформатора можно
рекомендовать сердечник ПЛМ27-40-58. Первичная обмотка должна содержать
две секции по 32 витка провода диаметром 2 мм, а вторичная (повышающая) –
700 витков провода диаметром 0,6 мм. Соединения в цепях истоков
транзисторов VT4, VT5 первичной обмотки трансформатора Т1, а также
конденсатора С8 должны быть выполнены проводом сечением не менее 1,5 кв.
мм.

Провода, соединяющие преобразователь с источником питания должны
иметь сечение не менее 2,5 кв. мм. Резистор R19 устанавливается
непосредственно на выводах конденсатора С8, а элементы R19, C9
устанавливаются на клеммах трансформатора Т1. В качестве выключателя SW1
рекомендуется использовать автомат на ток 16 А.

Элементы преобразователя, включая печатную плату, рекомендуется
закрепить на металлическом шасси, которое следует соединить с «минусом»
источника питания. Используемые в преобразователе полевые транзисторы
имеют сопротивление открытого канала около 25 МОм, они рассчитаны на
довольно большой допустимый ток стока 40 А, поэтому мощность
преобразователя может быть увеличена до 250 Вт путем изменения номиналов
схемы блокировки и использования соответствующего трансформатора. 



   Настройка инвертора сводится к подбору частотозадающего резистора R1.
При отсутствии измерительных приборов частоту формируемого напряжения
можно оценить с помощью простого устройства оценки частоты, схема
которого приведена на рис. 5. Разъём XР1 подключается к выходу
преобразователя, а разъём XР2 – в электросеть 220 В 50 Гц. При этом
частота мигания светодиода VD2 соответствует разности частот напряжений
преобразователя и электросети. Подбирая резистор R1, следует добиться
наиболее редких миганий светодиода.



   Перечень элементов для сборки данного преобразователя:



Позиция   Наименование   Количество



DA1 КР1211ЕУ1 - 1

DA2 78L06 Интегральный стабилизатор 2

VT1,VT2 КТ3107А - 1

VT3 KT3102A - 1

VT4,VT5 IRZ44 Полевой транзистор 2

VD1,VD2 КД522А - 2

VD3 LED 5мм,G Светодиод зелёный 1

VD4 LED 5мм,R Светодиод красный 1

R1 1,1MОм; 1,2МОм; 1,3МОм Требуется подбор 3

R2,R4 3,9 кОм Оранж., белый, красный 1

R3,R13 6,2 кОм Голубой, красный, красный 1

R5 10 кОм Коричн., чёрный, оранж. 1

R6 9,1 кОм Белый, коричн., красный 1

R7 100 кОм Коричн., чёрный, жёлтый 1

R8 2,2 кОм Красный, красный, красный 1

R16 1,8 кОм Коричн, серый, красный 2

R9,R10 0,1 Ом 5 Вт 2

R11 1,0 кОм Коричн., чёрный ., красный 1

R12,R17 620 Ом Голубой, красный , коричн. 2

R18 82 кОм 2 Вт серый, красный, оранжевый 1

R14,R15 100 Ом Коричн., чёрный, коричн. 2

R19 1,2 кОм коричневый, красный, красный 1

C1 1000 пФ - 1

C2,C3 0,1 мкФ - 2

C4 1000мкФ 16В - 1

C5 10 мкФ 16В - 1

C6,C7 0,047 мкФ - 2

C8 10000 мкФ 16В - 1

C9 0,047 мкФ 400В - 1



   В качестве корпуса использован блок питания с персонального
компьютера, транзисторы КТ315 с любым буквенным индексом, КТ209 можно
заменить на КТ361 так же с любым буквенным индексом. Стабилизатор напряжения 7805 лучше заменить на отечественный КР142ЕН5А. Резисторы любые, мощностью от 0,125 до 0,25 вт. Диоды подойдут тоже практически любые низкочастотные, например - КД105 или IN4002. Конденсаторы C1 типа
К73-11, К10-17В с малым уходом ёмкости при прогреве. Трансформатор был
взят от блока питания персонального компьютера, но можно использовать и
от старых ламповых телевизоров, например - "Весна" или "Рекорд", важно,
чтобы витки, сечение и железо совпадали. С радиодеталями разобрались,
теперь, как всё это собрать воедино. Ниже приведу неплохую схему
инвертора:

-3

Этот процесс можно описать так: на микросхеме D1 собран генератор
прямоугольных импульсов, частота следования которых около 200 гц -
диаграмма "A". С вывода 8 микросхемы импульсы поступают далее на
делители частоты, собранные на элементах D2.1 - D2.2 микросхемы D2. В
результате чего на выводе 6 микросхемы D2 частота следования импульсов
становится вдвое меньше - 100 гц - диаграмма "B", а на выводе 8 импульсы
становятся равным частоте 50 гц - диаграмма "C". С вывода 9 снимаются
неинвертируемые импульсы 50 гц - диаграмма "D".

-4

На диодах VD1-VD2 собрана логическая схема "ИЛИ". В результате чего
взятые с выводов микросхем D1 вывод 8, D2 вывод 6 импульсы образуют на
катодах диодов импульс соответствующий диаграмме "E". Каскад на
транзисторах V1 и V2 служит для увеличения амплитуды импульсов
необходимых для полного открывания полевых транзисторов. Транзисторы V3 и
V4, подключенные к выходам 8 и 9 микросхемы D2 поочерёдно открываются,
запирая тем самым то один полевой транзистор V5, то другой V6. В
результате чего управляющие импульсы формируются так, что между ними
существует пауза, из-за чего исключается возможность протекания
сквозного тока через выходные транзисторы и значительно повышается КПД.
На диаграммах "F" и "G" показаны сформированные импульсы управления
транзисторами V5 и V6. Вот так будет выглядеть печатная плата:

-5

Нам остается только подготовить трансформатор от блока питания. Для
этого обмотку на напряжение 220 вольт оставляем, а остальные обмотки
удаляются. Поверх этой обмотки наматываются две обмотки проводом ПЭЛ - 2
мм. Для лучшей симметрии их следует намотать одновременно в два
провода. При подключении обмоток необходимо учесть фазировку. Полевые
транзисторы закрепить через слюдяные прокладки на общий радиатор из
алюминия. Правильно собранный инвертор начинает работать сразу после
подачи питания. Единственное - бывает необходимость выставить частоту
50-60 гц подбором резистора R1 и конденсатора C1.

🔥 Привет! Добро пожаловать на канал! 🔥

Здесь
влоги о жизни, ремонте электроники, кулинарных экспериментах и многом
другом. Если ты любишь узнавать новые полезные лайфхаки или просто
интересуешься, как я провожу свой день, тебе точно понравится! 😊

🔔 Поделитесь мнением после просмотра!👍
Поставьте лайк и поделитесь видео с друзьями – это будет огромной
поддержкой! Ваша активность помогает каналу развиваться. Это несложно
для вас, но приятно для меня! 💪

💌 По вопросам сотрудничества и рекламы: fetch22091989@gmail.com

🎥 Не забывайте подписаться на канал: @Gerich174 – тут много интересного! 📲

💰 Если хотите поддержать развитие канала:

💳 Донат: https://yoomoney.ru/to/4100117056657007
🔧 Ваш вклад помогает улучшать контент!

👨‍👧‍👦 Канал для своих и для тех, кто в теме!

Подписывайтесь и становитесь частью моей маленькой, но дружной аудитории! 😎