Найти в Дзене
NPN-PNP

Новогодние гирлянды своими руками - автомат световых эфектов "бегущие огни"

Приближается новый год, и как всегда с опозданием вспоминаю о том что надо бы украсить дом, двор, работу... Покупать готовые гирлянды как то банально и не интересно. И вот как раз к этой теме подойдёт давно мною любимая схема, которая была собрана мной ещё в 9-м классе... Только представить себе сейчас - что бы нынешние школьники заточенным ножиком вырезали дорожки на ПП под 4 ИМС и кучку рассыпухи. Вот эта схема Называется она "электронные кости", суть простая - пока нажата кнопка работает генератор импульсов на D1, которые тактируют 6-ти разрядный сдвиговый регистр D2-D4. В регистр загружается инверсия с последнего выхода, в результате светодиоды по очереди загораются а затем так же гаснут. Если откинуть кнопку и постоянно подавать тактовые импульсы - получится залипательный эффект. Немного пораскинув мозгами ещё в детстве переделал эту схему на К561ТМ2 и К561ЛА7 - диапазон питания расширился и составил 3...12 В. Затем последовала модернизация на К561ТМ3 содержащую в себе 4 триггера

Приближается новый год, и как всегда с опозданием вспоминаю о том что надо бы украсить дом, двор, работу... Покупать готовые гирлянды как то банально и не интересно. И вот как раз к этой теме подойдёт давно мною любимая схема, которая была собрана мной ещё в 9-м классе... Только представить себе сейчас - что бы нынешние школьники заточенным ножиком вырезали дорожки на ПП под 4 ИМС и кучку рассыпухи.

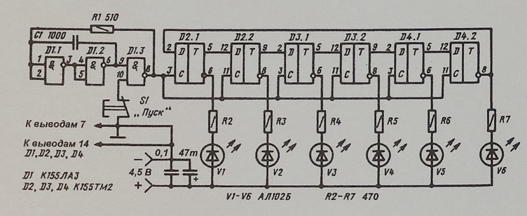
Вот эта схема

Добавьте описание
Добавьте описание

Называется она "электронные кости", суть простая - пока нажата кнопка работает генератор импульсов на D1, которые тактируют 6-ти разрядный сдвиговый регистр D2-D4. В регистр загружается инверсия с последнего выхода, в результате светодиоды по очереди загораются а затем так же гаснут. Если откинуть кнопку и постоянно подавать тактовые импульсы - получится залипательный эффект.

Немного пораскинув мозгами ещё в детстве переделал эту схему на К561ТМ2 и К561ЛА7 - диапазон питания расширился и составил 3...12 В. Затем последовала модернизация на К561ТМ3 содержащую в себе 4 триггера, а не два как у К561ТМ2.

И последний рабочий образец представляет собой генератор КР1006ВИ1 (NE555) и сдвиговый регистр 74HC164 с подключением уже 8-ми светодиодов, накидал вот схемку (это так сказать тестовая, номиналы нужно корректировать в зависимости от задач). Поскольку у 74HC164 нет вывода с инверсией последнего разряда, это функцию выполняет "цифровой" транзистор Q1. На R9C4 реализована цепочка начального сброса. R2 задаёт частоту тактового генератора, которая может изменяться в широком диапазоне.

Добавьте описание
Добавьте описание

И портировал в редактор печатных плат, вот что получилось:

Добавьте описание
Добавьте описание
3D модель устройства автомата световых эффектов.
3D модель устройства автомата световых эффектов.

А вот уже вытравленная плата:

-5

Вообще всё это хочу собрать с детьми, но для начала надо самому сделать, что бы минимизировать шероховатости. К стати в видео, посвящённом доработке LED ночника, на 6.10 есть кадры с созданием этой платы, ибо делались в одном цикле с платой драйвера ночника.

Прототип собрал, надо проверить но на плате не предусмотрено место для светодиодов.

Добавьте описание
Добавьте описание

Не беда!!! Прилепим SMD, временно конечно...

-7

Подключаем ЛБП и наблюдаем работу, ура! Это тот редкий случай, когда заработало сразу.

-8

А вот этой приблуде уже лет 5, здесь генератор на К561ЛА7. Видео работы обоих устройств.

Вообще мелкие должны собрать вот такое кольцо, и соединить светодиоды симметрично относительно центра, так что бы при работе получился "инь-янь"

Добавьте описание
Добавьте описание

Как соберу, сначала сам, выложу видео работы.

Вообще можно ставить буферный каскад на транзисторах, симисторах или ещё что понравится, и делать управление гирляндой хоть на 1000Вт.

10.12.2023 - собрал рабочий прототип, как вариант исполнения, результат можно посмотреть вот тут:

Для тех кто попробует повторить выкладываю трассировку двухсторонней ПП, на плате приведены размеры что бы можно было подогнать к фактическому без ошибок (30x58мм), присмотревшись можно увидеть что это 58 а не 50 :)

Это низ печатной платы, для ЛУТ так и печатаем.
Это низ печатной платы, для ЛУТ так и печатаем.
Это верх печатной платы, для ЛУТ изображение отзеркалено, так и печатаем.
Это верх печатной платы, для ЛУТ изображение отзеркалено, так и печатаем.