Добавить в корзинуПозвонить
Найти в Дзене
Изучаю с НОЛЯ.

УСТРОЙСТВО ЗАЩИТЫ ДЛЯ ЛЮБОГО БЛОКА ПИТАНИЯ

Это небольшой блок универсальной защиты от короткого замыкания, что предназначен для использования в сетевых источниках питания. Она специально разработана так, чтобы вписаться в большинство блоков питания без переделки их схемы. Схема, несмотря на наличие микросхемы, очень проста для понимания. Сохраните её на компьютер, чтоб увидеть в лучшем размере. Чтобы спаять схему вам понадобится: Здесь резистор с низким значением сопротивления соединен последовательно с выходом источника питания. Как только ток начинает течь через него, появится небольшое падение напряжения и мы будем использовать это падение напряжения, чтобы определить, является ли питание результатом перегрузки или короткого замыкания. В основе этой схемы операционный усилитель (ОУ) включенный в качестве компаратора. Правда это не имеет ничего общего с логическим 5 вольтовым уровнем обычных микросхем. Когда ОУ находится в "высоком уровне", его выход будет очень близким к положительному потенциалу напряжения питани
Оглавление

Это небольшой блок универсальной защиты от короткого замыкания, что предназначен для использования в сетевых источниках питания. Она специально разработана так, чтобы вписаться в большинство блоков питания без переделки их схемы. Схема, несмотря на наличие микросхемы, очень проста для понимания. Сохраните её на компьютер, чтоб увидеть в лучшем размере.

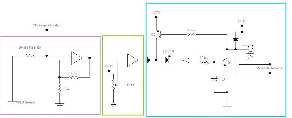
Схема блока защиты БП

Чтобы спаять схему вам понадобится:

  1. 1 - TL082 сдвоенный ОУ
  2. 2 - 1n4148 диод
  3. 1 - tip122 транзистор NPN
  4. 1 - BC558 PNP транзистор BC557, BC556
  5. 1 - резистор 2700 ом
  6. 1 - резистор 1000 ом
  7. 1 - резистор 10 ком
  8. 1 - резистор 22 ком
  9. 1 - потенциометр 10 ком
  10. 1 - конденсатор 470 мкф
  11. 1 - конденсатор 1 мкф
  12. 1 - нормально закрытый выключатель
  13. 1 - реле модели Т74 "G5LA-14"

Подключение схемы к БП

-2

Здесь резистор с низким значением сопротивления соединен последовательно с выходом источника питания. Как только ток начинает течь через него, появится небольшое падение напряжения и мы будем использовать это падение напряжения, чтобы определить, является ли питание результатом перегрузки или короткого замыкания. В основе этой схемы операционный усилитель (ОУ) включенный в качестве компаратора.

  • Если напряжение на неинвертирующем выходе выше, чем на инвертирующем, то на выходе устанавливается "высокий" уровень.
  • Если напряжение на неинвертирующем выход ниже, чем на инвертирующем, то на выходе устанавливается "низкий" уровень.

Правда это не имеет ничего общего с логическим 5 вольтовым уровнем обычных микросхем. Когда ОУ находится в "высоком уровне", его выход будет очень близким к положительному потенциалу напряжения питания, поэтому, если питание +12 В, "высокий уровень" будет приближаться к +12 В. Когда ОУ находится в "низком уровне", его выход будет почти на минусе напряжения питания, поэтому, близко к 0 В.

-3

При использовании ОУ в качестве компараторов, мы обычно имеем входной сигнал и опорное напряжение для сравнения этого входного сигнала. Итак, у нас есть резистор с переменным напряжением, которое определяется в соответствии с током, который течет через него и опорным напряжением. Этот резистор является наиболее важной частью схемы. Он подключен последовательно с питанием выходного. Вам необходимо выбрать резистор, падение напряжения на котором составляет примерно 0.5~0.7 вольт при перегрузке тока, проходящего через него. Ток перегрузки появляется в тот момент, когда схема защиты срабатывает и закрывает выход питания для предотвращения повреждений на нем.

-4

Вы можете выбрать резистор, используя закон Ома. Первое, что нужно определить, является перегрузка током блока питания. Для этого надо знать максимальный допустимый ток блока питания.

-5

Допустим, ваш блок питания может выдать 3 ампера (при этом напряжение блока питания не имеет значения). Итак, мы получили Р= 0,6 В / 3 А. Р = 0.2 Ом. Следующее, что вы должны сделать, это рассчитать рассеиваемую мощность на этом резисторе по формуле: Р=V*I. Если мы используем наш последний пример, то получим: Р=0.6 В * 3 А. Р = 1,8 Вт - 3 или 5 Вт резистора будет более чем достаточно.

-6

Чтобы заставить работать схему, вы должны будете подать на неё напряжение, которое может быть от 9 до 15 В. Для калибровки подайте напряжение на инвертирующий вход ОУ и поверните потенциометр. Это напряжение будет увеличиваться или уменьшаться в зависимости от стороны, куда вы поворачиваете его. Значение необходимо скорректировать согласно коэффициента усиления входного каскада 0.6 Вольт (что-то около 2.2 до 3 вольт если ваш усилительного каскада похож на мой). Эта процедура занимает некоторое время, и лучший способ для калибровки это метод научного тыка. Вам может потребоваться настроить более высокое напряжение на потенциометре, так чтоб защита не срабатывала на пиках нагрузки.

Обязательно поделись мнением после просмотра видео! :) Поддержите ролик лайком и репостом за старания. Вам несложно, а мне приятно!!!

*По вопросам сотрудничества и рекламы: Fetch74@mail.ru:

*Спасибо что смотрите! Не забываем подписаться на канал.