Найти в Дзене
Меандр Радиолюбитель

Синус из меандра, РЕШЕНО!!! Всё оказалось намного проще.

Всем доброго, недавно была статья с почти одноименным названием, в которой я озвучил свои мысли, а читатели в свою очередь озвучили свои. И так: прочел комментарии и решил посмотреть в сторону фильтров. Изучение темы вывело меня на эллиптические фильтры. Если из меандра удалить некоторые гармоники, можно получить очень чистый синус. Забегая наперёд, скажу - эксперимент удался! Сначала посчитал онлайн калькулятором номиналы фильтра. Фильтр выбрал самый простой - третьего порядка. То, что мне выдал калькулятор, собрал в железе "скруточным" монтажом. Далее засунул эту приблуду в рабочий трансивер Радио-76 М2 и посмотрел, что получается на выходе этого фильтра. На мой взгляд - результат просто ошеломительный! Вот так сигнал выглядит перед фильтром. А вот так после фильтра. Думаю комментарии тут не требуются, отмечу лишь то, что амплитуда немного подросла. Поскольку испытуемый синтезатор имеет функцию переключения ДПФов, в зависимости от частоты, то не составит большого труда, использова

Всем доброго, недавно была статья с почти одноименным названием, в которой я озвучил свои мысли, а читатели в свою очередь озвучили свои.

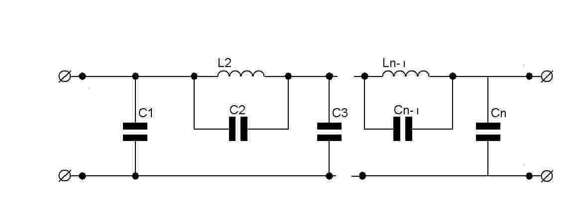
И так: прочел комментарии и решил посмотреть в сторону фильтров. Изучение темы вывело меня на эллиптические фильтры.

-2

Если из меандра удалить некоторые гармоники, можно получить очень чистый синус.

Забегая наперёд, скажу - эксперимент удался!

Сначала посчитал онлайн калькулятором номиналы фильтра. Фильтр выбрал самый простой - третьего порядка.

-3

То, что мне выдал калькулятор, собрал в железе "скруточным" монтажом.

-4

Далее засунул эту приблуду в рабочий трансивер Радио-76 М2 и посмотрел, что получается на выходе этого фильтра.

На мой взгляд - результат просто ошеломительный!

Вот так сигнал выглядит перед фильтром.

-5

А вот так после фильтра.

-6

Думаю комментарии тут не требуются, отмечу лишь то, что амплитуда немного подросла.

Поскольку испытуемый синтезатор имеет функцию переключения ДПФов, в зависимости от частоты, то не составит большого труда, использовать эту функцию для переключения эллиптических фильтров в том числе.

Да - схема немного усложнится, однако по бюджету ударит это усложнение сильно меньше, чем покупка специализированных на синусе синтезаторов, у которых как правило только один выход. У SI5351 примененной в моих синтезаторах, выходов аж три штуки, что для супергетеродинных радиваф очень полезно!

-7

Покрутил настройку трансивера и понял, что решение более чем оправдано - пораженных точек практически не осталось! Свисты и завывания в "пустых" местах полностью пропали.

Данное решение кроме собственных нужд, так же пойдет жить в заказанный подписчиком синтезатор с ретро шкалой, в этом варианте все очень просто, нужен только один диапазон, "Тройка", переключать ничего не нужно. Данный синтезатор будет работать задающим генератором АМ передатчика, синус ему просто жизненно необходим!

Спасибо за внимание и до скорого!

Пока пока - 73!