Добавить в корзинуПозвонить
Найти в Дзене
УЧИМСЯ САМИ

Частотомер "Чиэри" - 7. Проверка трех первых плат.

Жизненные обстоятельства автора задержали появление этой статьи, так что для читателей, взявшихся за дело сразу и энергично, она может оказаться запоздавшей. Но она должна быть, так как последовательная проверка и отладка всего, что можно проверить в деле на каждом этапе сборки - единственная тактика сборки сложных логических схем, гарантирующая результат. Кроме того, мы разберем еще несколько вещей, очень важных для цифровых схем. Как бы ни была трудоемка сборка плат отсчета и индикации, при должной настойчивости она когда-нибудь да закончится. Соединяем все вместе. Прежде всего привинтите к платам монтажные стойки. Благодаря этому ничего не случится, если вы положите их на стол, где могут оказаться обрезки выводов или что-то еще токопроводящее. А еще лучше временно собрать это все на какой-нибудь картонке. Гарантия, что вы, натянув какой-нибудь провод от вывода микросхемы, не приведете его к замыканию с соседним. Если на плате отсчета вы применили достаточно экономичные микросхемы, а

Жизненные обстоятельства автора задержали появление этой статьи, так что для читателей, взявшихся за дело сразу и энергично, она может оказаться запоздавшей. Но она должна быть, так как последовательная проверка и отладка всего, что можно проверить в деле на каждом этапе сборки - единственная тактика сборки сложных логических схем, гарантирующая результат. Кроме того, мы разберем еще несколько вещей, очень важных для цифровых схем.

Как бы ни была трудоемка сборка плат отсчета и индикации, при должной настойчивости она когда-нибудь да закончится. Соединяем все вместе. Прежде всего привинтите к платам монтажные стойки. Благодаря этому ничего не случится, если вы положите их на стол, где могут оказаться обрезки выводов или что-то еще токопроводящее. А еще лучше временно собрать это все на какой-нибудь картонке. Гарантия, что вы, натянув какой-нибудь провод от вывода микросхемы, не приведете его к замыканию с соседним.

Если на плате отсчета вы применили достаточно экономичные микросхемы, а стабилизатор, стоящий на плате опорного генератора, имеет достаточно хороший радиатор, то вы пока можете не собирать второй стабилизатор, а временно взять питание +5 В для новых узлов прямо с этой платы. Просто посмотрите, не перегревается ли стабилизатор.

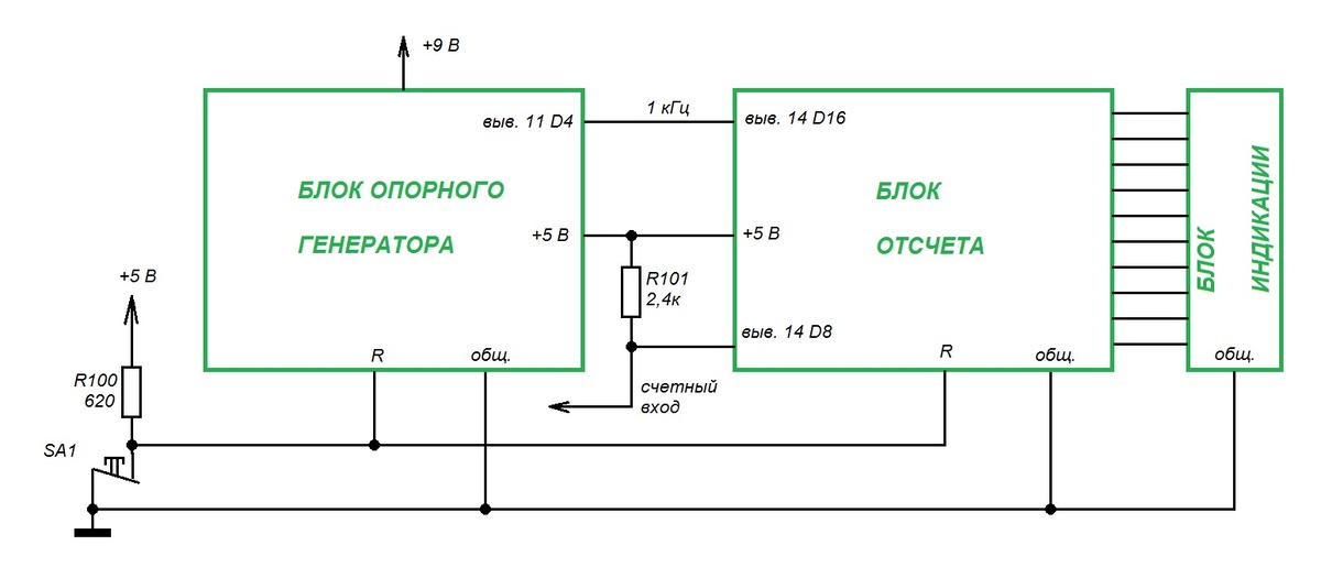
Итак, соединяем вместе цепи сброса по выводам 2 микросхем-счетчиков D2 - D7 в опорном генераторе и в основной линейке D8 - D15. Приделываем к ним временное ручное управление сбросом из резистора R100 в 0,6 - 1,5 кОм и кнопки SA1 с КОНТАКТАМИ НА РАЗМЫКАНИЕ (или просто тумблера). Заводим частоту 1 кГц из опорника (выв. 11 D4) на счетчик сканирования разрядов D16. Фиксируем лог. 1 на входе основного счетчика (выв. 14 D8) резистором R101 в несколько кОм.

  • Включаем. Убеждаемся, что светятся все разряды. Что ничего не меняется от сбоев, помех или самовозбуждений.
  • Даем сброс. Убеждаемся, что на индикаторах светятся нули. То есть, что сегмент G не перепутан с другими.
  • Отключаем сброс (отпускаем кнопку или переключаем тумблер). Тыкаясь проводом от входа счетчика в разные места опорного генератора, наблюдаем бег отсчета в разных разрядах с последовательно меняющейся скоростью. Убеждаемся, что разряды идут в правильном порядке и не перепутаны. Также проверяем, что не перепутаны остальные сегменты. Вы, наверное, заметили одну странность дешифраторов КР514-й серии. У большинства микросхем с 14-ю выводами общий провод - 7-й вывод. Последний в первом ряду. А вот в этих микросхемах - 6-й, предпоследний. Надеюсь, вы именно так и сделали, а не "исправили опечатку".

В следующей публикации будет чертеж платы управления.

- - - - - - - -

Ну, вот, всё работает. Вам, наверное, хочется убедиться, что счетчик может считать и нажатия клавиш. Дело нехитрое - цепляем к счетному входу и земле еще одну кнопку и... Что такое? Каждое нажатие увеличивает показания счетчика не на 1, а на несколько единиц, а то и на сотен. Дело в том, что процесс замыкания механических контактов не идеален. В процессе их движения возникает несколько случайных замыканий и размыканий. Это явление называется "дребезг контактов". И чем более быстродействующий у нас счетчик, тем больше импульсов он насчитает. (старинные электромеханические шаговые искатели в АТС с быстродействием в сотые доли секунды, например, дребезга почти никогда не замечали)

Примерно так в реальности выглядит срабатывание кнопки.
Примерно так в реальности выглядит срабатывание кнопки.

Как справиться с этим явлением? Вообще-то есть АБСОЛЮТНЫЙ способ, гарантирующий идеальную четкость на любых частотах и скоростях. Это - применение кнопки с тремя контактами на переключение и RS-триггера. Первое же замыкание контакта переключает триггер в соответствующее положение. А при размыкании триггер запоминает это состояние. До тех пор, пока не произойдет первое касание с другим контактом.

-3

Понятно, что здесь нужна кнопка с группой контактов на переключение. А таковых нет ни в крошечном мр-3 плеере, ни в прерывателе контактно-транзисторной системы зажигания. Поэтому приходится использовать другие способы, хотя они-то абсолютной гарантии не дают.

Самое простое - схватить первое касание, а дальше просто подождать, пока дребезг кончится. Это можно сделать программно в компьютерных системах или аппаратно при использовании жесткой схемной логики. По факту это в нашем частотомере получилось само собой, поэтому-то автор и не парится насчет дребезга кнопки сброса. Пока закончится измерение, пока пройдет время индикации минимум в полсекунды - все уже прекратится.

Недостаток понятен: при слишком малой задержке дребезг все-таки пройдет и одно нажатие вызовет несколько срабатываний кнопки. Наверняка вы с этим сталкивались в самых разных устройствах. При слишком большой задержке невозможно будет быстро-быстро сделать несколько переключений быстрыми нажатиями.

Еще один аппаратный способ - использование конденсатора, сглаживающего импульсы дребезга. Недостаток - тот же, что и в предыдущем способе, связанный с выбором величины емкости.

Цепь кнопки сброса компьютера советских самодельщиков "ЮТ-88"
Цепь кнопки сброса компьютера советских самодельщиков "ЮТ-88"

Есть и еще один недостаток - выходной импульс получается плавным, с медленно нарастающими фронтами или срезами. А многие логические микросхемы - счетчики, сдвиговые регистры этого не любят.

И тут на помощь приходит еще одно устройство - триггер Шмитта. Оно обладает свойством, имеющим место не только в электронике, но и в механике и в других явлениях природы. Называется оно гистерезис. Суть в том, что включение (переход из одного состояния в другое) происходит при большем уровне управляющего воздействия, чем выключение (обратный переход).

-5

Простейший пример механического гистерезиса - советский микропереключатель - "миклик". Или кнопка на хорошей качественной мыши. Как приятно и четко на ней фиксируется момент переключения! А если вы сделаете примитивную кнопку из отогнутой пружинящей полоски металла, то там такого не будет.

Вот вам пример того, как отреагировали бы цепи с триггером Шмитта и без него на грязноватый сигнал от кнопки с конденсаторами. Синими пунктирами показаны пороги включения и выключения ТШ, а красный пунктир - единственный порог переключения обычной цепи.

-6

Как видите, возможности схемы с триггером Шмитта хороши, но не абсолютны - самый длинный первый импульс дребезга она все-таки пропустила. Обычная схема пропустила 2 импульса, но с последним коротким все-таки справилась.

Понятно, что применение схем с гистерезисом уменьшает чувствительность. Но есть у схем с триггером Шмитта одно важнейшее достоинство. Если уровень на входе все-таки превзошел порог включения, то процесс переключения нарастает лавинообразно и происходит очень быстро. Так что на выходе мы получаем импульсы не только хорошо откалиброванные по амплитуде, но и с четкими, крутыми фронтами и срезами. Даже если входной сигнал нарастал очень медленно - хоть несколько минут.

Как это выглядит на практике? Есть несколько подобных микросхем. Из быстродействующих можно, например, взять советскую К531ТЛ3, импортный аналог - 74HC132. В сущности, они представляют собой такую же сборку из 4-х элементов 2И-НЕ, как микросхемы ЛА3, только с триггерами Шмитта на входе.

-7

Если мы поставим такую микросхему в логическое устройство, где и так уже бродят хорошо сформированные прямоугольные импульсы, то ее работа не будет ничем отличаться от обычной сборки таких логических элементов.