Добавить в корзинуПозвонить
Найти в Дзене
ЕгорСлесарь

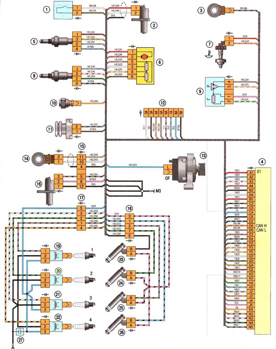
Соединения жгута проводов системы управления двигателем Лада Веста.

1 – выключатель света заднего хода ; 2 – датчик положения коленчатого вала ; 3 – муфта компрессора кондиционера; 4 – ЭБУ двигателя ; 5 – управляющий датчик концентрации кислорода ; 6 – дроссельный узел ; 7 – датчик температуры охлаждающей жидкости ; 8 – диагностический датчик концентрации кислорода ; 9 – датчик абсолютного давления и температуры воздуха на впуске ; 10 – датчик аварийного падения давления масла ; 11 – электромагнитный клапан управления заслонками модуля впуска ; 12 – колодка жгута проводов системы управления двигателем к колодке жгута проводов переднего ; 13 – генератор ; 14 – датчик детонации ; 15, 18 – колодка жгута проводов системы управления двигателем к колодке жгута проводов форсунок ; 16 – датчик фаз ; 17 – колодка жгута проводов системы управления двигателем к колодке жгута проводов катушек зажигания ; 19,20,21,22 – катушки зажигания; 23,24,25,26 – топливные форсунки; 27 – конденсатор.

1 – выключатель света заднего хода ; 2 – датчик положения коленчатого вала ; 3 – муфта компрессора кондиционера; 4 – ЭБУ двигателя ; 5 – управляющий датчик концентрации кислорода ; 6 – дроссельный узел ; 7 – датчик температуры охлаждающей жидкости ; 8 – диагностический датчик концентрации кислорода ; 9 – датчик абсолютного давления и температуры воздуха на впуске ; 10 – датчик аварийного падения давления масла ; 11 – электромагнитный клапан управления заслонками модуля впуска ; 12 – колодка жгута проводов системы управления двигателем к колодке жгута проводов переднего ; 13 – генератор ; 14 – датчик детонации ; 15, 18 – колодка жгута проводов системы управления двигателем к колодке жгута проводов форсунок ; 16 – датчик фаз ; 17 – колодка жгута проводов системы управления двигателем к колодке жгута проводов катушек зажигания ; 19,20,21,22 – катушки зажигания; 23,24,25,26 – топливные форсунки; 27 – конденсатор.