Добавить в корзинуПозвонить
Найти в Дзене
ЕгорСлесарь

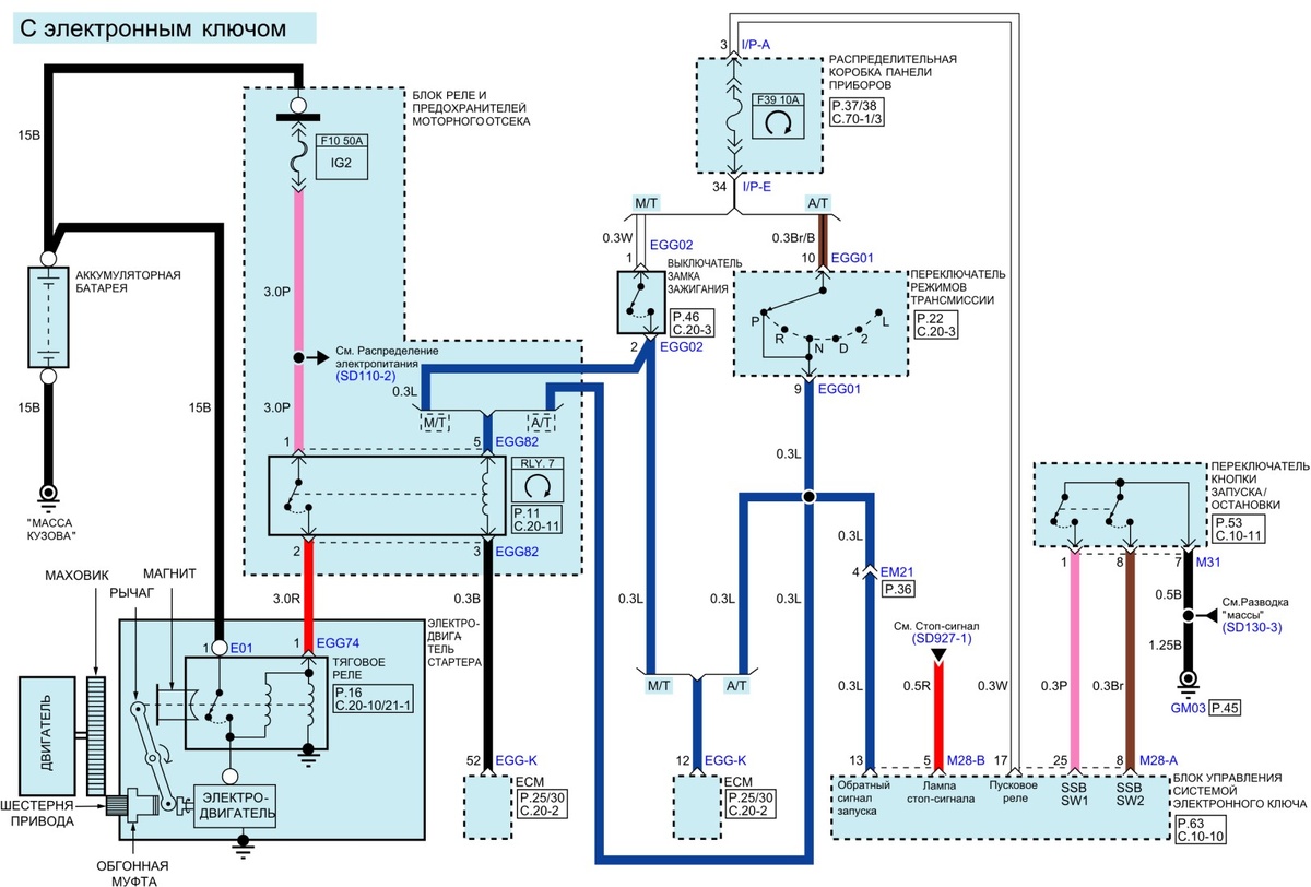
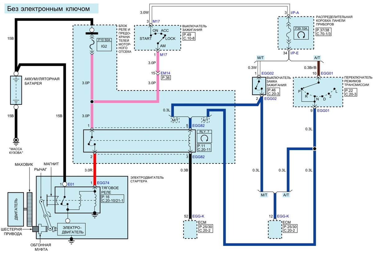
схема системы запуска автомобиля Kia Rio (с 2011 года).

Схема системы запуска с электронным ключом. Схема системы запуска без электронного ключа. Если педаль тормоза для автомобилей с АКПП и педаль сцепления для автомобилей с МКПП не нажата при нажатии кнопки запуска-остановки, переключение состояния OFF ACC ON OFF state продолжается, но двигатель не может быть запущен.

Схема системы запуска с электронным ключом.

Схема системы запуска без электронного ключа.

-2

Если педаль тормоза для автомобилей с АКПП и педаль сцепления для автомобилей с МКПП не нажата при нажатии кнопки запуска-остановки, переключение состояния OFF ACC ON OFF state продолжается, но двигатель не может быть запущен.