Добавить в корзинуПозвонить
Найти в Дзене

Усилитель диапазона 2м

Понадобилось мне сделать макет приемного тракта L-диапазона с двойным преобразованием частоты. Для верности все узлы решил собрать отдельно, а потом либо соединить – либо воспроизвести на одной большой плате заново. По прикидкам первая ПЧ должна составить 102 с копейками мегагерца, полоса – 4 МГц, что в принципе не слишком далеко от популярного любительского диапазона 144 МГц («двойка») поэтому по этой же схеме и с теми же конструктивными решениями можно сделать предварительный широкополосный усилитель для любительского трансивера или приемника. Трассировать и травить плату мне было лень, да и на таком диапазоне в принципе лучше делать навесной монтаж на пятачках по методике Жутяева. Купил сверло по дереву за 18 рублей, доработал его болгаркой и начал экспериментировать. Один из удачных результатов – широкополосный фильтр на 736 МГц для умножителя частоты. Полоса, конечно, 100МГц, но при умножении частоты в три раза это вполне сносно. Полосу можно и заузить, раздвинув индуктивности. Н
Оглавление

Понадобилось мне сделать макет приемного тракта L-диапазона с двойным преобразованием частоты. Для верности все узлы решил собрать отдельно, а потом либо соединить – либо воспроизвести на одной большой плате заново.

По прикидкам первая ПЧ должна составить 102 с копейками мегагерца, полоса – 4 МГц, что в принципе не слишком далеко от популярного любительского диапазона 144 МГц («двойка») поэтому по этой же схеме и с теми же конструктивными решениями можно сделать предварительный широкополосный усилитель для любительского трансивера или приемника.

Предварительные выкладки

Трассировать и травить плату мне было лень, да и на таком диапазоне в принципе лучше делать навесной монтаж на пятачках по методике Жутяева.

Купил сверло по дереву за 18 рублей, доработал его болгаркой и начал экспериментировать. Один из удачных результатов – широкополосный фильтр на 736 МГц для умножителя частоты.

Полоса, конечно, 100МГц, но при умножении частоты в три раза это вполне сносно. Полосу можно и заузить, раздвинув индуктивности. Но это закономерно приведет к увеличению потерь в фильтре.

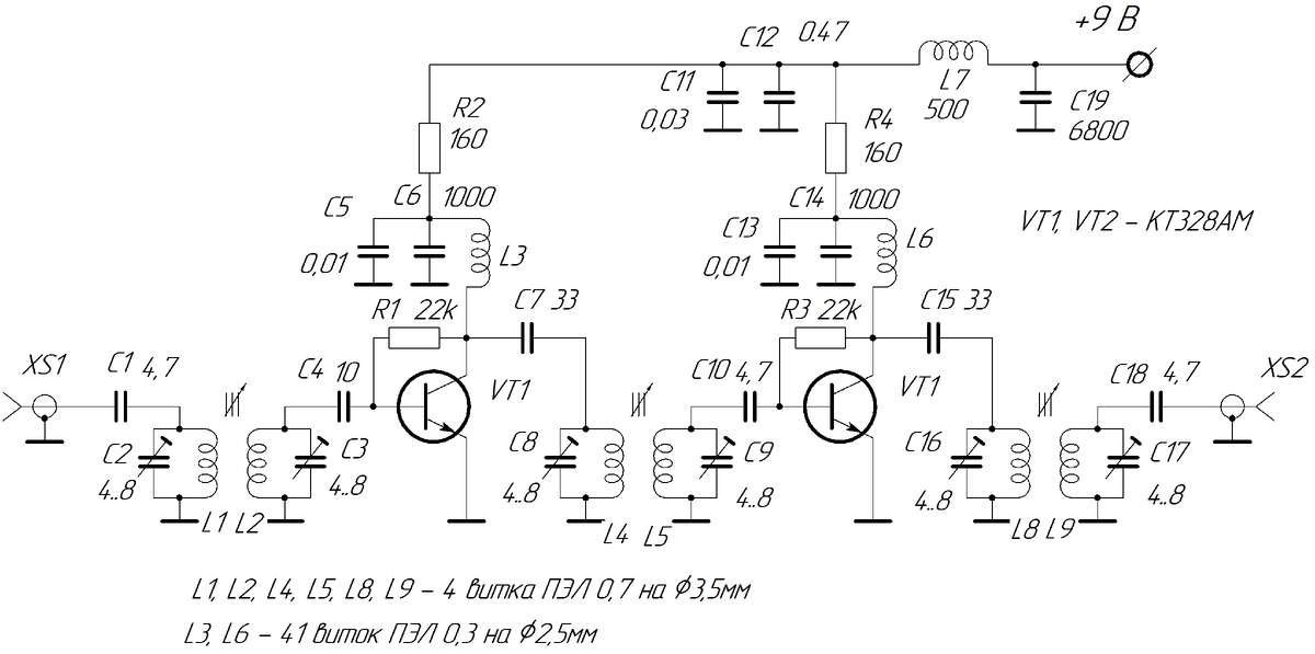
Схема

Нашел в запасниках кучку транзисторов КТ328АМ в заводской упаковке, накидал вот такую схему.

Прослеживается некоторое влияние конструкций Жутяева
Прослеживается некоторое влияние конструкций Жутяева

Ничего примечательного в ней, наверное, нет, разве что дросселя в цепи коллектора, намотанные проводом ПЭЛ 0,3 на стержне от шариковой ручки. Дроссель на 500 мкГн и слюдяной конденсатор на 6800 пФ появились в процессе борьбы со свистом и отчасти помогли. Ряд экспериментов показал, что выход фильтра нужно как можно слабее связывать с базой транзистора (выбирать конденсатор поменьше) а вот вход, напротив, как можно сильнее с коллекторной цепью транзистора.

Номиналы конденсаторов ориентировочные – есть там и 8.. 15 пФ и 4…12 пФ.

Сборка

На прокручивание пятачков, лужение и монтаж ушло, наверно, часа два и горка подстроечных конденсаторов, которые я навыпаивал в чудесные школьные годы из выброшенных телевизоров (надо наконец переходить к китайским).

Плата усилителя
Плата усилителя

Сперва настроил полностью фильтр (сначала намотал катушку из трех витков, затем пришлось поменять на 4, т.к. конденсаторы не вытягивали). Методика простая – настроить конденсаторами оба контура так, чтобы пара резонансных пиков появилась в районе центральной частоты, затем, раздвигая друг относительно друга сами катушки добиться, чтобы пики сошлись вместе и провал на АЧХ исчез, а потом подкрутить конденсаторы (или немного раздвинуть витки катушек), чтобы добиться узкой полосы и хорошего КСВ в ней (привык смотреть на S11 – он должен быть не больше -10дБ).

Затем собрал первый каскад и второй фильтр, подобрал рабочую точку транзистора меняя резистор R2, подобрал конденсаторы связи с фильтрами. Чтобы полоса не расширялась экстремально, затем распаял и подключил к питанию второй каскад, перенеся SMA-шный разъем. Один каскад давал усиление порядка 20 дБ с учетом двух фильтров. Но оказавшись на плате вдвоем транзисторы решили по этому случаю загудеть. Причем при настройке свиста не было, а при повторном включении экран ВАЦ покрывался кучей разрозненных пиков на всех графиках. Победить фильтрацию удалось немного расстроив фильтры, тем самым занизив коэффициент усиления с 40 до 36 дБ, но это приемлемо, т.к. мне требовался КУ не менее 30 дБ.

АЧХ усилителя после настройки
АЧХ усилителя после настройки

Полоса получилась чуть шире запланированной, но это не страшно – фазоманипулированный сигнал - шумоподобный, поэтому захватить в полосу что-то помимо главного лепестка спектра не так плохо. Неравномерность в полосе - порядка децибелла. А вот с КСВ я, конечно. напортачил.

Вывод

Усилитель вышел неплохой и легким вращением конденсатора перестраиваемый на любительский диапазон 2м или вещательный диапазон УКВ-2 (который все зовут FM). Однако без специализированного оборудования настроить такой усилитель очень сложно. Нужно иметь хотя бы панорамник или на худой конец осциллограф и генератор. Какое счастье, что на работе есть векторный анализатор цепей до двадцати шести гигов.