Добавить в корзинуПозвонить
Найти в Дзене

Приложение 4. Как устранить мигание света во время сварки

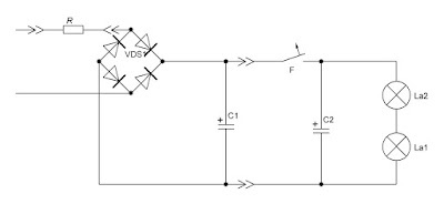
Устраняем мигание света во время сварки. Способ 1. Накопительные конденсаторы. Схема разработана для сварочных инверторов, имеющих систему плавной зарядки конденсаторов фильтра. Резистор R инвертора заменяем на более мощный, например проволочный ПЭВ мощностью 50 Ватт и сопротивлением 47 – 51 Ом. Можно использовать ТЭН от электроплиты мощностью 800 – 1000 Ватт. WDS1 – выпрямитель инвертора, оставляем без изменений. C1 – конденсаторы фильтра инвертора, оставляем без изменений. F – автоматический выключатель на 20-40 Ампер, тип «А». Амперы зависят от мощности инвертора и емкости конденсаторной батареи. C2 – батарея оксидных конденсаторов с напряжением не ниже 400 Вольт. Марки конденсаторов любые. Можно попробовать ионисторы. Общая емкость конденсаторов зависит от мощности вашего аппарата и характеристик питающей проводки. Емкость требуется значительная, от 1 Фарады и выше. La1, La2 – лампочки на 220 Вольт, мощностью по 15 Ватт. Дополнительную информацию по устранению мигания света во врем

Устраняем мигание света во время сварки. Способ 1. Накопительные конденсаторы.

Схема разработана для сварочных инверторов, имеющих систему плавной зарядки конденсаторов фильтра.

-2

Резистор R инвертора заменяем на более мощный, например проволочный ПЭВ мощностью 50 Ватт и сопротивлением 47 – 51 Ом. Можно использовать ТЭН от электроплиты мощностью 800 – 1000 Ватт.

WDS1 – выпрямитель инвертора, оставляем без изменений.

C1 – конденсаторы фильтра инвертора, оставляем без изменений.

F – автоматический выключатель на 20-40 Ампер, тип «А». Амперы зависят от мощности инвертора и емкости конденсаторной батареи.

C2 – батарея оксидных конденсаторов с напряжением не ниже 400 Вольт. Марки конденсаторов любые. Можно попробовать ионисторы. Общая емкость конденсаторов зависит от мощности вашего аппарата и характеристик питающей проводки. Емкость требуется значительная, от 1 Фарады и выше.

La1, La2 – лампочки на 220 Вольт, мощностью по 15 Ватт.

Дополнительную информацию по устранению мигания света во время сварки можно посмотреть здесь и здесь.

Видео: "Устраняем мигание света во время сварки. Способ 1. Накопительные конденсаторы"

Уменьшение колебаний питающей сети при проведении сварочных работ.

Бытовые сварочные трансформаторы мощностью 2,2-3,3 кВт, изготовленные самостоятельно, при проведении сварочных работ вызывают уменьшение напряжения сети по нагрузке на несколько вольт (сеть "садится"). Это приводит к пригасанию осветительных ламп и отражается на работе радиоаппаратуры, что вызывает нарекания со стороны соседей, напряжение в дома которых подается по одной линии.

Уменьшить колебания напряжения питающей сети можно с помощью конденсатора, подключенного к первичной обмотке сварочного трансформатора (рис.1), емкость которого зависит от мощности сварочного трансформатора.

-3

При выборе величины емкости конденсатора, необходимо воспользоваться графиком, приведенным на рис.2.

-4

Если менять величину емкости, меняется ток первичной обмотки трансформатора. Этот ток имеет минимальную величину при определенной емкости конденсатора С1 (случай параллельного резонанса первичной обмотки I и емкости конденсатора С1).

Кривая 1 соответствует току холостого хода, а кривая 2 - проведению сварки. При сварке потребляемый ток возрастает, что на том же самом напряжении сети и неизменной частоте говорит об уменьшении индуктивности первичной обмотки. Кривая 2 более полога - добротность контура тем меньше, чем меньше индуктивность. Точка "а" пересечения двух кривых тока дает оптимальное значение емкости. Ток, потребляемый от сети при сварке будет практически равен току при разрыве сварочной дуги. Практически оптимальная емкость определяется так: к первичной обмотке подключается емкость и измеряется ток в общей цепи. Если при зажигании дуги потребляемый ток увеличивается, то емкость следует увеличить.


При точном подборе емкости можно добиться постоянства потребляемого тока при сварочной дуге и ее отсутствию. Конденсаторы следует применять типа МБГО, МБГВ, К75-11 на рабочее напряжение не ниже 600 В при напряжении сети 220 В. Величина емкости порядка 50-100 мкФ (в зависимости от мощности сварочного трансформатора).


Автор: В.Ф. Яковлев. Электрик, № 8, 2005 г.

Видео: "Действительно ли косинусные конденсаторы уменьшают мигание света во время сварки?"

Устраняем мигание света во время сварки. Способ 2. Балластный резистор.

-5

Схема установки, устраняющей мигание света во время сварки.

Установка рассчитана для совместной работы с любыми сварочными аппаратами.

VD – любые диоды, рассчитанные на напряжение не менее 400 В и ток не менее 20 А каждый. Устанавливаются на радиаторы.

La1 – контрольная лампочка на 220 В 15 Вт.

R3 – проволочный балластный резистор. Изготавливается из хромоникелевой проволоки диаметром 2 мм.

VT1 – любой составной транзистор (транзистор Дарлингтона), рассчитанный на напряжение 350 – 400 В.

VS1 – любой тиристор, рассчитанный на напряжение не менее 400 В и ток не менее 50 А. Устанавливается на радиатор.

Перед началом сварки необходимо включить сварочный аппарат и установить необходимый сварочный ток. Затем  зажечь дугу и вольтметром замерить напряжение в питающей сети. Погасить дугу.

Установить движок резистора R2 в нижнее, а резистора R3 в правое (по схеме) положение. Включить установку в сеть и вращать движок резистора R2 до тех пор, пока не загорится контрольная лампочка La1.

Регулировкой резистора R3 установить такое же напряжение в питающей сети, какое было при горении дуги.

Устранение мигания света достигается тем, что ток, потребляемый из сети сварочным аппаратом и ток, потребляемый из сети установкой, равны. Свет мигнет один раз при ручном включении установки в сеть. При зажигании дуги установка автоматически отключается. При погашении дуги установка автоматически включается. Можно варить или не варить, свет мигать не будет. Свет мигнет второй раз при ручном выключении установки из сети.

Видео: "Устраняем мигание света во время сварки. Способ 2. Балластный резистор"

Способы повышения КПД установки, устраняющей мигание света во время сварки.

В те моменты времени, когда не горит сварочная дуга, балластный резистор R3 потребляет мощность, равную мощности сварочного аппарата. Мощность превращается в тепло, которое рассеивается в окружающей среде. Это выделяемое тепло можно направить либо на отопление сварочного цеха, либо на нагрев воды, что значительно повысит КПД установки. Как при нагреве воды, так и при отоплении сварочного цеха, используется тепловой аккумулятор.

В летнее время установка используется для нагрева воды, которую затем можно использовать для душа или других целей. Вода здесь служит тепловым аккумулятором. Нагрев производится в бойлере достаточной емкости. Простейшим бойлером может стать 200-литровая бочка с установленными внизу ТЭНами. ТЭНы подключаются к установке вместо переменного резистора R3. ТЭНы лучше использовать небольшой мощности, подключая их параллельно. Это позволит точно подстроиться к мощности сварочного аппарата.

В зимний период установка применяется для отопления сварочного цеха. Казалось бы, балластный резистор может выполнять эту роль и без дополнительного оборудования. Ведь он нагревается и отдает тепло в сварочный цех. Однако не будем забывать, что при сварке работает вентиляция, которая это тепло тут же уносит наружу. Поэтому здесь тоже необходим тепловой аккумулятор.

Хорошие результаты показал песчаный тепловой аккумулятор. Он представляет собой металлическую или асбестовую трубу большого диаметра (автором этих строк применялась металлическая труба диаметром 30 см.). Труба укладывается вдоль одной из стен сварочного цеха и не мешает работе. С торцов трубы устанавливаются заглушки. Вверху вдоль всей трубы прорезается широкая щель, через которую засыпается песок и укладывается нихромовая спираль. Для точной подстройки можно параллельно уложить несколько нихромовых спиралей небольшой мощности. Нихромовые спирали подключаются к установке вместо переменного резистора R3. Труба с песком, нагревшись во время выполнения сварочных работ, достаточно долго отдает тепло, отапливая тем самым сварочный цех.

Видео: "Что делать, если проводка не позволяет подключить сварочный аппарат и обогреватель?"