Найти в Дзене

Проходной и перекрёстный выключатели

Надёжная электрическая проводка важна для безопасности и функциональности освещения в зданиях. Принцип работы проходных и перекрёстных выключателей ключевой. Они обеспечивают удобство управления светом и создают гибкие схемы электрификации. Проходные и перекрёстные выключатели широко используются в домах и офисах. Они управляют освещением из разных точек. Это делает управление электрикой удобным и гибким. Проходные выключатели управляют одной цепью через несколько точек. Это удобно для лестниц и длинных коридоров. Нажав на любой выключатель, можно включить свет. Перекрёстные выключатели управляют двумя цепями через два выключателя. Это позволяет управлять светом в разных комнатах. Это удобно для управления светом в нескольких местах. Знание особенностей выключателей поможет выбрать лучшее решение для управления освещением. Это может быть важно для вашего дома или офиса. При установке проходных и перекрёстных выключателей важно правильно выбрать материалы и инструменты. Это обеспечит б
Оглавление

Схема проводки проходного и перекрёстного выключателя

Надёжная электрическая проводка важна для безопасности и функциональности освещения в зданиях. Принцип работы проходных и перекрёстных выключателей ключевой. Они обеспечивают удобство управления светом и создают гибкие схемы электрификации.

Ключевые моменты:

  • Понимание принципов работы проходных и перекрёстных выключателей
  • Выявление особенностей монтажа и подключения этих устройств
  • Знание необходимых материалов и инструментов для выполнения работ
  • Изучение схем проводки и цветовой маркировки проводов
  • Ознакомление с правилами безопасности при электромонтажных работах

Принцип работы проходных и перекрёстных выключателей

Проходные и перекрёстные выключатели широко используются в домах и офисах. Они управляют освещением из разных точек. Это делает управление электрикой удобным и гибким.

Особенности проходных выключателей

Проходные выключатели управляют одной цепью через несколько точек. Это удобно для лестниц и длинных коридоров. Нажав на любой выключатель, можно включить свет.

Функционал перекрёстных выключателей

Перекрёстные выключатели управляют двумя цепями через два выключателя. Это позволяет управлять светом в разных комнатах. Это удобно для управления светом в нескольких местах.

Различия между типами выключателей

  • Проходные управляют освещением из двух мест, а перекрёстные - от трёх различных мест.
  • Проходные включают свет из разных мест, а перекрёстные - в разных комнатах.
  • Установка проходных проще, но перекрёстные сложнее.

Знание особенностей выключателей поможет выбрать лучшее решение для управления освещением. Это может быть важно для вашего дома или офиса.

Необходимые материалы и инструменты для монтажа

При установке проходных и перекрёстных выключателей важно правильно выбрать материалы и инструменты. Это обеспечит безопасность и эффективность подключения. Также гарантирует надёжную работу электрики.

Список основных материалов и инструментов для монтажа:

  • Проходные или перекрёстные выключатели - качественные изделия от проверенных производителей
  • Распределительные коробки - для удобного подключения и разводки проводов
  • Электрические провода - с подходящим сечением и маркировкой для безопасного подключения
  • Клеммные колодки - для надёжного соединения проводов
  • Изолента - для защиты и изоляции соединений
  • Отвёртки - для фиксации выключателей и работы с клеммами
  • Бокорезы - для аккуратной зачистки и обрезки проводов
  • Мультиметр - для проверки правильности монтажа и работы электрической цепи

При выборе материалов и инструментов отдавайте предпочтение надёжным брендам. Это обеспечит безопасность и долгую службу электрики.

-2

"Качество используемых материалов и инструментов - залог успешного и безопасного монтажа проходных и перекрёстных выключателей."

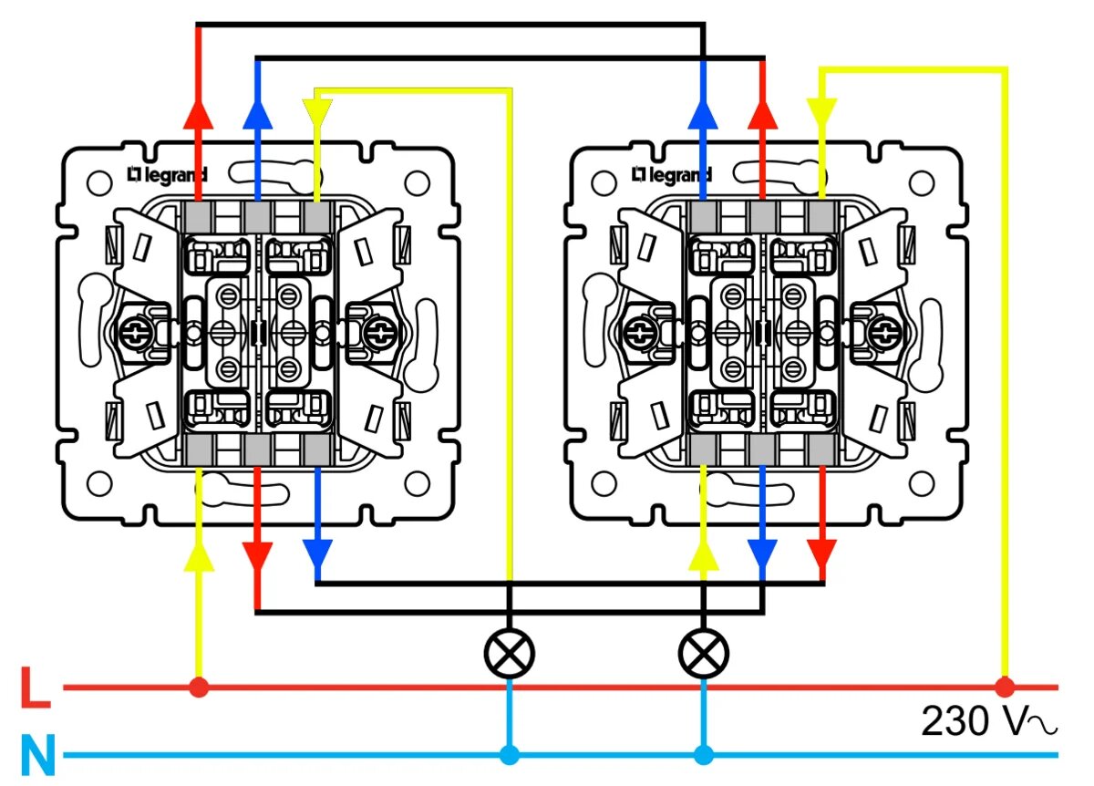
Схема проводки проходного и перекрёстного выключателя

Чтобы понять, как ставить проходные и перекрёстные выключатели, нужно изучить их схемы проводки. Эти схемы имеют свои особенности. Важно их знать для безопасности и надежности электрики.

Основные элементы схемы

В схема проходного выключателя и схема перекрёстного выключателя есть ключевые части:

  • Источник питания (вводной автоматический выключатель)
  • Распределительная коробка или джампер-пучок
  • Электрические провода разных цветов
  • Выключатели (одноклавишные или двухклавишные)
  • Электрические соединения

Цветовая маркировка проводов

Для безопасной работы используют цветную маркировку проводов:

  1. Фазный провод - коричневый или чёрный
  2. Нейтральный провод - синий
  3. Провод заземления - жёлто-зелёный

Требования к проводке

При монтаже схема проходного выключателя и схема перекрёстного выключателя нужно следовать правилам:

  • Использовать провода подходящего сечения
  • Правильно маркировать и подключать провода
  • Обеспечить надёжную изоляцию соединений
  • Установить коробки и выключатели в доступных местах
  • Следовать правилам электробезопасности

Соблюдение этих правил обеспечит правильную работу и безопасность электрики.

-3

Подготовительные работы перед монтажом

До начала установки выключателей нужно выполнить подготовительные работы. Это важно для безопасности и эффективности. Электрик должен тщательно спланировать расположение выключателей. Также нужно подготовить поверхности и обеспечить безопасное рабочее место.

Сначала нужно выбрать место для установки выключателей. Важно, чтобы место было удобно доступным и имело достаточно пространства. Также проверьте, в каком состоянии стены, где будут устанавливаться подрозетники.

  • Очистите поверхности от загрязнений и выровняйте их при необходимости.
  • Убедитесь, что в месте монтажа нет скрытой электропроводки или других коммуникаций.
  • Подготовьте инструменты и материалы, необходимые для инструкции по подключению выключателей.

Следуя этим простым правилам, вы сможете упростить монтаж и обеспечить безопасность. Не игнорируйте подготовку - это ключ к успешному подключению выключателей.

Пошаговая инструкция монтажа проходного выключателя

Установка проходного выключателя требует внимания к деталям. Начнем с разметки и установки подрозетников.

Разметка и установка подрозетников

Сначала определите, где будет выключатель. Нанесите разметку на стену и установите подрозетники. Они должны быть надежно закреплены и ровно.

Прокладка кабельных линий

Далее - электромонтаж. Проложите кабель от источника питания до подрозетников. Следуйте правилам для проводов.

Подключение выключателя

Окончательный шаг - подключение выключателя. Соедините провода по схеме, следуя цветовой маркировке. Установите выключатель и проверьте его.

Следуя этой инструкции, вы сможете безопасно установить выключатели в доме или квартире.

Особенности монтажа перекрёстного выключателя

Монтаж перекрёстного выключателя требует особого подхода. Он отличается от установки проходного выключателя. Для его правильной установки и работы нужно учитывать дополнительные шаги и нюансы.

Перекрёстный выключатель управляет светом из двух мест. Это достигается благодаря дополнительному переключателю. Он позволяет переключать свет между двумя точками управления.

  1. Перед монтажом нужно разметить и установить дополнительные подрозетники. Они нужны для размещения переключателя.
  2. Нужно проложить кабель от источника питания к точкам управления и к светильнику.
  3. Следует подключить все элементы схемы: выключатели, переключатель и светильник. Это делается по инструкции электроустановочных изделий.

Соблюдение правил монтажа выключателей гарантирует безопасность и непрерывность работы освещения.

"Правильно установленный перекрёстный выключатель значительно повышает удобство и функциональность системы управления светом в помещении."

Типичные ошибки при установке и их устранение

Установка проходных и перекрёстных выключателей может быть сложной задачей. Но, если знать о распространённых проблемах и их решении, процесс станет проще. Это обеспечит работу системы без сбоев.

Распространённые проблемы

  • Неправильное подключение проводов к выключателям
  • Неисправность или повреждение кабелей
  • Неверная последовательность монтажа элементов
  • Некорректная установка подрозетников
  • Ошибки в инструкции по подключению выключателей

Методы диагностики

Чтобы найти проблему, нужно тщательно проверить электрическую схему. Включает в себя:

  1. Визуальный осмотр проводки и выключателей на наличие повреждений
  2. Использование мультиметра для проверки целостности цепей
  3. Сравнение подключения с инструкцией по установке
  4. Тестирование выключателей на работоспособность

Только после детальной диагностики можно начинать устранять неисправности.

"Своевременная диагностика и корректировка ошибок значительно упростят процесс монтажа и сэкономят время."

Следуя рекомендациям и устраняя типичные проблемы, вы сможете быстро и безопасно установить проходные или перекрёстные выключатели в вашем доме.

Правила безопасности при электромонтажных работах

При работе с электропроводкой и схемами важно следовать правилам безопасности. Сначала убедитесь, что электрика отключена. Надевайте резиновые перчатки, коврики и используйте изолированные инструменты.

Будьте осторожны с проводами под напряжением. Правильное использование электроинструментов также важно. Убедитесь, что они исправны и безопасны.

Не допускайте влаги к электрическим компонентам. Оберегайте себя от травм, соблюдая технику безопасности. Регулярно проверяйте проводку и устраняйте неисправности.

Это предотвратит возгорания и поражения током. Следуйте инструкциям и требованиям нормативных документов для безопасной эксплуатации.

FAQ
Что такое проходной и перекрёстный выключатель и чем они отличаются?
Проходной и перекрёстный выключатели управляют освещением из разных мест. Проходной выключатель позволяет включать свет с двух точек. Перекрёстный выключатель управляет светом из трёх и более мест.

Какие материалы и инструменты необходимы для монтажа проходных и перекрёстных выключателей?
Для монтажа нужны: выключатели, распределительные коробки, кабель, клеммники. Также нужны отвёртки, кусачки, стриппер, мультиметр. Важно использовать качественные материалы и следовать нормам безопасности.

Как выглядит схема проводки проходного и перекрёстного выключателя?
Схема включает источник питания, распределительные коробки, кабель. Также нужны выключатели и линии сети. Цвета проводов важны для правильного подключения. Важно, чтобы проводка была надёжной и безопасной
.

Какие подготовительные работы нужно выполнить перед монтажом выключателей?
Нужно спланировать расположение выключателей и подготовить поверхности. Также важно обеспечить безопасность рабочего места. Нужно правильно рассчитать длину кабеля и продумать его маршрут.

Как правильно установить проходной выключатель?
Для монтажа проходного выключателя нужно разметить и установить подрозетники. Затем прокладывается кабель, а выключатель подключается по схеме. Важно следовать техническим требованиям для безопасности.

Какие особенности нужно учитывать при монтаже перекрёстного выключателя?
Установка перекрёстного выключателя требует особого внимания. Нужно правильно распределить цепи и подключить дополнительные выключатели. Важно соблюдать все требования к электромонтажу.

Какие типичные ошибки могут возникнуть при установке выключателей и как их устранить?
Ошибки включают неправильную прокладку и некорректное подключение. Также может использоваться некачественные комплектующие. Для решения проблем требуется диагностика и ремонт.

Какие правила безопасности нужно соблюдать при электромонтажных работах?
Важно использовать средства защиты, обращаться с инструментами с осторожностью. Нужно отключать питание и соблюдать электробезопасность. Монтаж требует особой осторожности.