Найти в Дзене
УЧИМСЯ САМИ

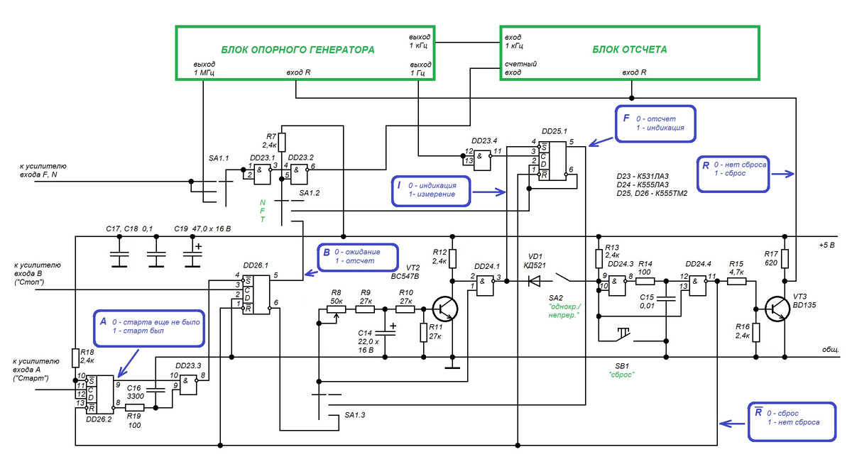
Частотомер "Чиэри" - 6. Блок управления.

Сегодня мы не только разберем работу блока управления, но и получим первые сведения о том, как пользоваться таким многофункциональным прибором. ОБЩИЕ УЗЛЫ. Логический элемент DD23.2 - важнейшая часть подобных систем. Его еще называют "клапан". Из логики работы микросхем И-НЕ понятно, что когда на нижнем его входе лог. 1 - импульсы с верхнего входа проходят на выход и идут на основной счетчик. А когда на нижнем входе 0, то на выходе уже независимо ни от чего будет 1. Элемент D23.1 перед ним призван окончательно сформировать импульсы соответствующими стандарту этих логических микросхем. Эти элементы - и есть та вторая микросхема, от которой зависит быстродействие частотомера. Поэтому была использована микросхема одной из самых быстрых советских серий - 531-й. Она может быть заменена на К1531ЛА3 или на какой-нибудь импортный аналог. А теперь пора вспомнить о таком узле, как формирователь отрицательных импульсов по фронту входного импульса. Вот вам классический вариант такого на элементах

Сегодня мы не только разберем работу блока управления, но и получим первые сведения о том, как пользоваться таким многофункциональным прибором.

ОБЩИЕ УЗЛЫ.

Логический элемент DD23.2 - важнейшая часть подобных систем. Его еще называют "клапан". Из логики работы микросхем И-НЕ понятно, что когда на нижнем его входе лог. 1 - импульсы с верхнего входа проходят на выход и идут на основной счетчик. А когда на нижнем входе 0, то на выходе уже независимо ни от чего будет 1. Элемент D23.1 перед ним призван окончательно сформировать импульсы соответствующими стандарту этих логических микросхем.

Эти элементы - и есть та вторая микросхема, от которой зависит быстродействие частотомера. Поэтому была использована микросхема одной из самых быстрых советских серий - 531-й. Она может быть заменена на К1531ЛА3 или на какой-нибудь импортный аналог.

А теперь пора вспомнить о таком узле, как формирователь отрицательных импульсов по фронту входного импульса. Вот вам классический вариант такого на элементах D24.3 и D24.4. Он формирует импульсы сброса всей системы. Постоянная времени цепочки R14 C15 составляет около 1 мкс. Для микросхем, способных считать десятки мегагерц более, чем достаточно для четкого надежного сброса. Отрицательные импульсы сброса идут на некоторые триггеры в этой плате - у них как раз входы сброса инверсные. Но есть проблемы со счетчиками как в задающем генераторе, так и в основной линейке отсчета. Во-первых, для их прямых входов сброса требуются положительные импульсы. А во-вторых, хоть мы и сократили вдвое число задействованных входов, но их все равно 14 штук - слишком много. Поэтому сами сделаем инвертор не на микросхеме, а на мощном транзисторе VT3. Будьте внимательны: в отличие от ранее рассмотренных узлов, использовавших p-n-p транзисторы BD136, здесь стоит n-p-n BD135.

Еще один формирователь импульсов определяет длительность индикации показаний. Но тут возникает проблема - резистор в этом узле невозможно сделать более килоома - следующий логический элемент просто не сработает. Это ж какая нужна будет емкость, чтобы подержать показания на индикаторе секунду-полторы? Поэтому и тут мы применим нестандартный инвертор на транзисторе, на этот раз на маломощном. Обратите внимание - здесь применен выведенный на лицевую панель переменный резистор R8. Дело в том, что при грубой быстрой настройке нам будет удобнее быстрая смена показаний. А при точной настройке лучше подержать насчитанную частоту на индикаторах подольше. Вот вы и сможете подстроить по своему вкусу время индикации где-то от 0,4 до 1,5 секунд. Не увеличивайте сопротивление переменного резистора сверх указанного на схеме, иначе транзистор VT2 может не срабатывать.

Итак, получив сигнал об окончании отсчета, срабатывает формирователь импульса индикации. Его окончание запускает формирователь импульса сброса. Но тут в прибор заложена еще одна функция - установлен тумблер SA2 "непрерывно - однократно" и кнопка сброса. Когда вы измеряете частоту, тумблер лучше поставить в замкнутое положение "непрерывно". И у вас будут постоянно происходить новые и новые отсчеты, как в любом другом измерительном приборе. А вот при измерении времени возможны варианты. Если вы измеряете, например, период или длительность непрерывно следующих импульсов, то переключатель лучше так и оставить в положении "непрерывно". Но представьте себе, что вы хотите измерить длительность некоего процесса в ходе физического опыта, который вы, быть может, два дня готовили. И это только для того, чтобы результат мигнул на индикаторе на секунду? В этом случае переключатель ставится в положение "однократно", разрывая цепь сброса. Теперь отсчитанный результат так и останется на индикаторах. Но стоит нажать кнопку сброса, показания обнулятся и прибор начнет новый цикл измерения. Диод VD1 защищает логический элемент D24.1 от короткого замыкания выхода на землю в случае нажатия кнопки при включенном тумблере.

Эти узлы работают при всех видах измерений. Теперь разберем их по отдельности. Переключаются они переключателем SA1.

ИЗМЕРИТЕЛЬ ЧАСТОТЫ.

Понятно, что для отсчета интервала времени в 1 сек частота в 1 Гц не годится. Нам надо поделить ее вдвое, получая сначала логический 0 в течении 1 сек. Способ классический - D-триггер D25, у которого вход D соединен с инверсным выходом. Вот только для такого правильного счета нужно, чтобы счетчик срабатывал по срезу, а микросхемы ТМ2 срабатывают по фронту на входе С. Поэтому сигнал 1Гц с платы опорного генератора инвертируется элементом D23.4.

Итак, после сброса у нас на прямом выходе 0, а на инверсном - 1, поступающая через переключатель рода работ SA1 на клапан D23.2 и открывающая его. Через 1 секунду прямой выход перебрасывается из 0 в 1. Этот фронт запускает формирователь времени индикации. А если мы поставили время индикации больше секунды? Неужели импульс 1 Гц повторно переключит триггер в режим отсчета и прибор станет "добавлять" к показаниям? На такой случай отрицательный импульс индикации подается на инверсный вход S-установки триггера в 1, принудительно удерживая его в режиме индикации.

На схеме синим цветом подписан смысл сигналов на прямых выходах триггеров. На инверсных выходах, понятно, все наоборот.

Временные диаграммы работы прибора в режиме измерения частоты. Красными стрелочками показано, какие фронты какие отрицательные импульсы запускают.
Временные диаграммы работы прибора в режиме измерения частоты. Красными стрелочками показано, какие фронты какие отрицательные импульсы запускают.

ИЗМЕРИТЕЛЬ ВРЕМЕНИ.

Весьма "злопамятный" узел, использующий оба триггера из микросхемы D26 и многое запоминающий. Нам важно, чтобы отсчет начинался именно по фронту - перепаду из 0 в 1. А не по уровню в 1 - какой смысл в измерении длительности импульса, который уже начался неизвестно когда? Поэтому сигнал старта заводится на вход С триггера D26.2. А на вход D этого триггера постоянно подается лог. 1 через резистор R18. Так что сработать этот триггер за один цикл измерений может только в одну сторону и только один раз. Это переключение запускает еще один формирователь импульсов по сбросу на элементе D23.3. Особенность его схемы в том, что ему не нужен свой инвертор, раз уж триггер выдает и прямой и инверсный сигнал. Постоянная времени - около 0,3 мкс. Тоже достаточно для четкого срабатывания. Этот краткий отрицательный импульс через инверсный вход S переводит триггер D26.1 из состояния "ожидание" в состояние "отсчет". Сигнал с прямого выхода триггера открывает клапан, управляющий вход которого в этом режиме подключен к нему. А счетный вход соединяется теперь уже не со входом, а с сигналом в 1 МГц с задающего генератора, чем и достигается отсчет времени в миллионных долях секунды. Когда со входа стопа на вход С триггера придет фронт, то в триггер запишется 0 с заземленного входа D. Так что здесь переключение триггера тоже возможно только один раз. Никаких сбивающих показания повторных запусков и остановов, пока не завершится цикл индикации и сброса не будет - до поступления сигнала сброса триггеры помнят, что всё это уже было.

Понятно, что проинвертировав сигналы на одном или обеих входах измерителя времени, мы добьемся того, что соответствующие входы будут срабатывать не на фронт, а на срез импульса. Также возможно соединить входы друг с другом. Тогда прибор станет измерять не сдвиг сигналов в разных цепях или от разных фотодатчиков относительно друг друга, а параметры импульса в какой-то одной цепи. Например, установив полярность старта и стопа одинаковой ("фронт-фронт" или "срез-срез"), мы сможем измерять период поступающего на вход А колебания. Все эти коммутации будут делаться в несложном блоке входных усилителей.

РЕЖИМ СЧЕТА ИМПУЛЬСОВ.

Переключение прибора в этот режим подобно измерению частоты, за исключением того, что управляющий вход клапана никуда не подключается. Благодаря резистору R7 на нем фиксируется логическая единица и импульсы со входа F, N беспрепятственно идут на счетчик. Если вы поставите тумблер SA2 в положение "однократно", то сможете в любой момент обнулять показания счетчика вручную, нажимая на кнопку сброса.

ДЕТАЛИ.

Переключатель рода работ - миниатюрный галетный типа ПМ 3П3Н. Он одноплатный. То, что у автора стоит здоровенная бандура, это от того, что нашелся только трехплатный.

Триггеры ТМ2 - из серий 155, 555 или 1533 без разницы.

Диод - практически любой маломощный импульсный. Сгодятся КД503, КД522, Д9, 1N34A, 1N4148 и т.д.

Как видите, автор стремится не плодить излишнюю разнотипицу деталей, вплоть до номиналов резисторов. Достаточно сказать, что чтобы собрать любую из описанных на нашем канале конструкций, достаточно всего 5 типов обычных транзисторов и 1 тип полевых. Так что читатели могут купить на Али пакетик с несколькими десятками нужных деталей и не знать проблем с их постройкой и ремонтом. Подобная унификация - одно из достоинств оснащения своей лаборатории именно приборами собственной разработки.

В такой конфигурации наш прибор уже может полноценно измерять частоту и считать количество входных импульсов. Можете для примера померять частоты в разных точках опорного генератора или на счетчике сканирования разрядов. Но пока все это возможно только для импульсов, не слишком отличающихся от стандартных для ТТЛ микросхем. Однако, например в гетеродинах радиоприемников, таких не сыщешь. Поэтому нам понадобится достаточно чувствительный и быстродействующий входной усилитель. Но об этом позднее.