Найти в Дзене
Старые схемы...

Уменьшение усиления усилителя на микросхеме.

Иногда возникает необходимость снизить выходную мощность усилителя на микросхеме, например, когда к выходу усилителя подключены слабо мощные колонки, для того что бы их не вывести из строя. Первый способ, снизить выходную мощность, поставить на входе усилителя делитель напряжения и таким образом понизить входное напряжение. Но в таком случае мы уменьшаем входной сигнал, для того, что бы его потом усилить. Но многие микросхемы позволяют уменьшить их коэффициент усиления. На рисунке 1 показана типовая схема включения микросхемы К174УН7, A210K, TBA – 810. К выводу 6 этой микросхемы подключен конденсатор C4 и сопротивление R3, если увеличить номинал этого сопротивления, то коэффициент усиления усилителя на этой микросхеме уменьшится. На рисунке 2 показана типовая схема включения микросхемы К174УН14, TDA2003. Уменьшить усиление этого усилителя, можно увеличив значение сопротивления R1. На рисунке 3 показана измененная схема включения микросхемы TDA2822, KA2209. В схему добавлены резисторы R

Иногда возникает необходимость снизить выходную мощность усилителя на микросхеме, например, когда к выходу усилителя подключены слабо мощные колонки, для того что бы их не вывести из строя. Первый способ, снизить выходную мощность, поставить на входе усилителя делитель напряжения и таким образом понизить входное напряжение. Но в таком случае мы уменьшаем входной сигнал, для того, что бы его потом усилить. Но многие микросхемы позволяют уменьшить их коэффициент усиления.

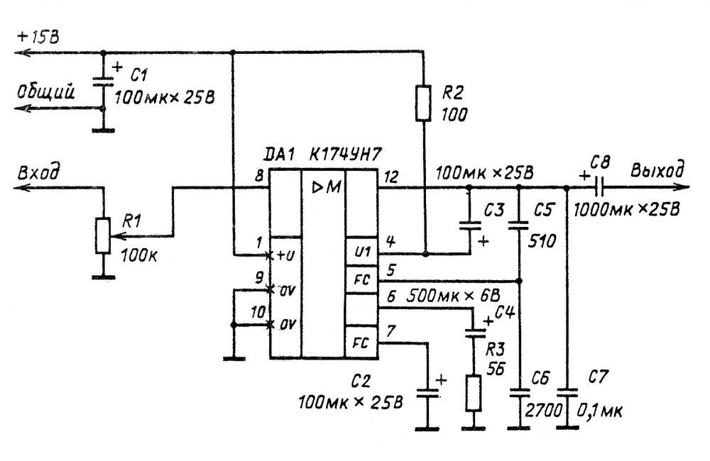
Рисунок 1.
Рисунок 1.

На рисунке 1 показана типовая схема включения микросхемы К174УН7, A210K, TBA – 810. К выводу 6 этой микросхемы подключен конденсатор C4 и сопротивление R3, если увеличить номинал этого сопротивления, то коэффициент усиления усилителя на этой микросхеме уменьшится.

Рисунок 2.
Рисунок 2.

На рисунке 2 показана типовая схема включения микросхемы К174УН14, TDA2003. Уменьшить усиление этого усилителя, можно увеличив значение сопротивления R1.

Рисунок 3.
Рисунок 3.

На рисунке 3 показана измененная схема включения микросхемы TDA2822, KA2209. В схему добавлены резисторы R1 и R2, которые снижают коэффициент усиления приблизительно в два раза.