Добавить в корзинуПозвонить
Найти в Дзене
УЧИМСЯ САМИ

Частотомер "Чиэри" - 1. Повторение пройденного.

Эпиграф: Слово «запретить» в России выходит в топовое. Ни дня без запрета чего угодно. Теперь вот запрещают измерение скорости интернета. Вражеский ресурс может передавать данные государственной важности о скорости интернета в разных локациях России вражеским спецслужбам.
Ну тогда давайте запретим все смартфоны - они передают позиционирование людей в пространстве. Заодно грохнутся все программы, использующие позиционирование - навигаторы, к примеру. Будем ездить как в старые добрые времена - по картам. Правда, их тоже уже почти нет, их уже практически не печатают. Да и они как бы могут выдать важные секреты - скажем, направление стратегической грунтовой дороги из Гадюкино в Звездякино.
Абсурдность запретов всего уже никого не смущает. Важна не содержательная часть запретов, а сам факт того, что что-то еще осталось не запрещенным. Ответом мертвецам, желающим запретить ненавистную им жизнь в любых ее проявлениях, будет начало работ по нашему новейшему частотомеру. Сейчас существует м

Эпиграф:

Слово «запретить» в России выходит в топовое. Ни дня без запрета чего угодно. Теперь вот запрещают измерение скорости интернета. Вражеский ресурс может передавать данные государственной важности о скорости интернета в разных локациях России вражеским спецслужбам.

Ну тогда давайте запретим все смартфоны - они передают позиционирование людей в пространстве. Заодно грохнутся все программы, использующие позиционирование - навигаторы, к примеру. Будем ездить как в старые добрые времена - по картам. Правда, их тоже уже почти нет, их уже практически не печатают. Да и они как бы могут выдать важные секреты - скажем, направление стратегической грунтовой дороги из Гадюкино в Звездякино.

Абсурдность запретов всего уже никого не смущает. Важна не содержательная часть запретов, а сам факт того, что что-то еще осталось не запрещенным.

Ответом мертвецам, желающим запретить ненавистную им жизнь в любых ее проявлениях, будет начало работ по нашему новейшему частотомеру.

Сейчас существует масса схем и даже готовых наборов для сборки таких приборов, основанных чаще всего на специализированных микросхемах или даже на программируемых микроконтроллерах. Почему же автор продолжает политику канала действовать по старинке и не использовать специализированные микросхемы? Вот наглядный пример: В позднесоветские годы была создана микросхема для подобного устройства - цифровой шкалы радиоприемника КР1508ХЛ5. Ну, и где вы ее найдете сейчас, если захотите собрать такое устройство или отремонтировать уже готовое, но со сгоревшей схемой? На что сейчас годна плата, рассчитанная именно на ее установку? Кому сейчас нужны знания по ее применению? А ведь рано или поздно судьба любого радиотехнического устройства на специализированных микросхемах будет именно такой. Тогда как микросхемы, на которых мы будем собирать наш частотомер - отдельные счетчики, дешифраторы и логические элементы выпускаются уже полвека, оставаясь всё так же совместимыми по питанию, логике работы и цоколевкам, и становясь со временем всё экономичнее.

Кроме того, самостоятельное конструирование прибора позволяет буквально нашпиговать его конструкторскими решениями, направленными на повышение точности и функциональности, многие из которых просто невозможно внедрить в уже готовые наборы. Вы в этом убедитесь даже в этой самой первой статье.

Посмотрите на этот старый советский прибор, использовавшийся в промышленности. Наш аппарат будет иметь почти такой же функционал, только будет проще, компактнее и экономичнее.

По первым экспериментам возможности прибора ориентировочно будут следующими:

Измерение частоты электрических колебаний до 40 МГц.

Погрешность измерения ожидается не хуже 0,001% + +/- 1 единица младшего разряда.

Прибор сможет измерять интервалы времени с точностью до 1 мкс, как в одной цепи, так и между двух раздельных цепей.

При оборудовании прибора двумя фотодатчиками он уже сможет исследовать не только электрические цепи, но и самые разные явления окружающего мира. Предварительные прикидки характеристик прибора показывают, что мы сможем измерить даже скорость летящей пули. А при наличии достаточно мощной и дальнобойной лазерной указки - произвести прямое измерение скорости света!

Наконец, в приборе имеется и режим простого подсчета входных импульсов - иногда и это пригодится.

------------------

Мы начинаем с создания задающего генератора. Для тех из читателей, которые сделали себе кварцевый калибратор, это будет во многом повторением пройденного. Но с некоторыми дополнениями:

1. Мы доведем деление частоты задающего генератора до 1 Гц.

2. Кварцевый калибратор просто непрерывно молотил свои импульсы. Здесь же нам будет необходимо для четкого начала каждого нового цикла измерений производить сброс всех счетчиков и некоторых других устройств в приборе.

3. Будут приняты меры по еще большему увеличению точности и стабильности прибора.

-2

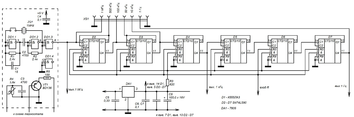
Начинаем с кварцевого генератора на микросхеме D1. Элементы D1.1 и D1.2 - собственно генератор, а D1.3 - буферный каскад, изолирующий задающий генератор от влияния любых других узлов прибора и окончательно формирующий импульсы частотой 1 МГц. И сразу же - первый сюрприз. Дело в том, что в этом простейшем узле, оказывается, можно запросто напороться на то, что генератор заведется на второй, а то и на третьей гармонике кварцевого резонатора. Когда мы делали кварцевый калибратор, мы с этой проблемой не сталкивались. Там стоял кварц на частоту 8 МГц - около половины максимального быстродействия примененных там микросхем. Где уж тут генерить на гармониках, тут бы на основной частоте завестись. А здесь нам пришлось искусственно ограничить быстродействие микросхемы с помощью конденсатора С1. Это кажется невероятным, но без этой пустяковой емкости в 15 пикофарад, сравнимой с емкостью самого печатного монтажа, прибор запросто может занижать показания ровно в 2, а то и в 3 раза. Из-за уменьшения времени отсчета измеряемого сигнала. Причем, если вы для пробы станете измерять частоту на самой этой линейке счетчиков, то показания будут какими надо - коэффициенты пересчета-то правильные!

Четвертый логический элемент в микросхеме остался свободным. Я уже писал, что эти микросхемы воспринимают "висящие в воздухе" входы как лог. 1, но легко переключающуюся от помех. Чтобы надежно зафиксировать режим работы этого элемента и предотвратить какие-то нестабильности, его входы заземлены.

Дальнейшая часть схемы понятна - линейка счетчиков, каждый раз делящих частоту на 10. Но вот со сбросом возникают проблемы. Как вы уже, наверное, знаете, такие счетчики имеют два входа сброса. Сброс произойдет только если на оба входа будет подана логическая единица. Итак, 6 счетчиков в этой линейке + 8 разрядов основного счетчика - итого 28 входов! Недопустимо по нагрузочной способности микросхем. К тому же, неизвестно еще, как отреагирует схема, если ее "встряхнуть" таким импульсом тока. Поэтому сделаем так - на одни входы всех микросхем будем постоянно подавать логическую 1 через резистор R3. Тогда для управления микросхемами будет достаточно задействовать по одному входу.

Плата запитывается через отдельную микросхему - 5В стабилизатор, установленную прямо на ней. Таким образом, никакие события в цепях питания индикатора или подключаемых к прибору устройств не повлияют на задающий генератор. А общим источником питания для всего прибора будет блок питания на 9 вольт. При применении достаточно экономичных микросхем и индикаторов потребляемый ток не превышает 0,25 А. Но если вы наводните плату старыми микросхемами 155-й серии и используете старые неэффективные индикаторы, то ток потребления может подняться примерно до 0,8 А.

Вполне возможно использовать и блок питания на 12 вольт. Это ничего не изменит, только лишь увеличит мощность, бесполезно рассеиваемую на микросхемах-стабилизаторах. Но при радиаторах достаточной площади это не составит проблемы.

Данный узел почти не имеет связей с органами управления на лицевой панели. Поэтому при конструировании прибора его следует разместить вдоль задней стенки. На той же стенке можно разместить многоконтактный разъем с гнездами, выводящими разные частоты. Таким образом прибор можно будет использовать и в качестве обычного кварцевого калибратора - все-таки этот прибор весьма удобен для градуировки SSB-приемников. 1 Гц тоже выведем - такой сигнал может иметь немало применений.

Детали. Как вы уже поняли, частота в 1 МГц весьма далека от пределов быстродействия ТТ-микросхем. Поэтому в этом узле следует использовать самые медленные, но зато экономичные микросхемы. В задающем генераторе - К555ЛА3, К1533ЛА3 или импортный аналог 74LS00. Счетчики - К555ИЕ2, К1533ИЕ2 или 74LS90. Автор рекомендует последние - очень экономичные и обладающие хорошим быстродействием. Закупите их на Али сразу в количестве не меньшем 15 шт. на все остальные узлы прибора. В крайнем случае можно использовать старье 155-й серии, хотя это приведет к значительному увеличению потребляемого тока. Микросхема стабилизатор - 7805 или же старые советские КР142ЕН5А и КР142ЕН5В, они ничуть не хуже. Но ни в коем случае не КР142ЕН5Б или КР142ЕН5Г - это 6-вольтовые стабилизаторы! Для должного теплоотвода к микросхеме прикручивается алюминиевая пластинка размерами 30х40 мм и толщиной не менее 1,5 мм. Кстати, для этой цели неплохо подходят обрезки дюралевого проката для мебели - разные окантовки, направляющие для стекол и т.п. Частенько у них даже сечение как раз ребристое. А если вам пришлось применять микросхемы 155-й серии, то понадобится уже небольшой настоящий ребристый радиатор - у них ток потребления примерно в 3 раза выше. Блокировочные конденсаторы по питанию - обязательно керамические. Конденсаторы С1 - С3 должны быть термостабильными. Например, старыми советскими трубчатыми конденсаторами КТК серого цвета.

Итак, буферный каскад, термостабильные конденсаторы, стабилизированное питание. На схеме вы еще видите и экранировку задающего генератора. Казалось бы, куда уж больше? Ведь с такими конструкторскими решениями даже на обычном LC колебательном контуре можно получить более-менее приличную стабильность частоты. Что уж говорить о кварце? Но у автора есть еще один "камень за пазухой". Понятно, что изменения температуры влияют на характеристики всех деталей, даже на резонансную частоту кварцевого резонатора. В промышленных приборах кварцевые генераторы помещались в термостат. А ведь создать схемку, которая при температурах в 27-30 градусов и выше молчала бы, а при более низких - начинала бы слегка подогревать внутренности экрана, даже для радиолюбителя средней руки - дело нехитрое. Так зачем закрывать себе эту возможность? Вот почему в корпус задающего генератора засажены терморезистор и мощный транзистор с достаточно мощным резистором в цепи эмиттера. Пусть у нас сразу все емкости монтажа будут такими, как в максимальном варианте. А потом, при желании, мы соберем схему, которая будет управлять всем этим хозяйством. Терморезистор - любой, сопротивлением от 5 до 50 кОм, оно непринципиально. Например, старого советского типа КМТ-4. Транзистор - прямой проводимости, что позволяет заземлить его коллектор и, соответственно, радиатор. Резистор R5 - мощностью не менее 0,5 Вт.

Но это всё - про стабильность частоты. Однако частота может быть очень стабильной, но... неточной! Поэтому, обратите внимание - кварц включен в схему не непосредственно, а через перемычку. Дело в том, что частоту кварцевого генератора все же возможно слегка подвинуть. Включив последовательно с кварцем небольшую катушку (бескаркасную в десяток витков толстого провода) мы можем немного понизить частоту. А включив кварц последовательно с конденсатором в сотни пикофарад - повысить.

Собрав прибор, мы его поверим - включим на отсчет секунд по сигналам точного времени по радио ровно на сутки. (Вот для чего нам понадобится гнездо выхода 1 Гц). Включив же прибор на 12 суток, мы получим отсчет более миллиона секунд. И таким образом точно установим реально допускаемую прибором погрешность с точностью до одной десятитысячной процента!

Проверка функционирования узла - элементарна. Припаяйте к цепи сброса по выв.2 длинный провод для соединения с цепями управления, но пока временно заземлите его свободный конец, чтобы отключить сброс. Подключите к выходу 1 Гц через резистор в несколько килоом любой светодиод. При правильном и исправном монтаже он должен неспешно мигать с частотой 1 Гц. Но подробнее о конструкции этого узла - в следующий раз.

И еще одно примечание. Вполне возможна следующая конфигурация прибора: кварц заменить на 10 МГц, С1 - долой, в линейку счетчиков добавить еще один. В такой конфигурации прибор сможет измерять время с точностью до 0,1 мкс. Однако автор опытов по подобному разгону прибора не проводил. Все-таки кварцы на 1 МГц более доступны даже в магазинах с небогатым ассортиментом, да и хорошо, когда нет проблем с устойчивостью работы на максимальных скоростях.