Найти в Дзене

Для начинающих. Очень простой, экономичный, но ...

Взял в руки касетницу с микросхемами и взгляд упал на "осьминожки" TDA7050. Это стерео усилитель, который работает на наушники. Измеренный мной потребляемый ток без входного сигнала всего 3,5 мА. Вот только максимальное напряжение питания всего 6 В, но для одного Li-ion аккумулятора (4 В) вполне нормально. Что подкупает в этой малышке - так это практически полное отсутствие "обвеса". Но еще больше меня заинтересовала схема использования микросхемы в мостовом включении в режиме "моно". В этом случае не нужны даже конденсаторы на выходе. Конечно, я немного добавил деталей. Смонтировать усилитель можно на плате 20х20 мм, но у меня нашелся кусочек макетки 20х30, на нем и собрал. Подключил вместо наушников сопротивление 33 Ома. На вход делителя подал сигнал от генератора с амплитудой около 100 мВ, т.е. на входе усилителя было 10 мВ. На выходе амплитуда была около 170 мВ. Форма сигнала на выходе была с подвозбудом. Припаял С2 параллельно нагрузке и сигнал очистился. АЧХ была равномерной до

Взял в руки касетницу с микросхемами и взгляд упал на "осьминожки" TDA7050. Это стерео усилитель, который работает на наушники. Измеренный мной потребляемый ток без входного сигнала всего 3,5 мА. Вот только максимальное напряжение питания всего 6 В, но для одного Li-ion аккумулятора (4 В) вполне нормально.

Что подкупает в этой малышке - так это практически полное отсутствие "обвеса".

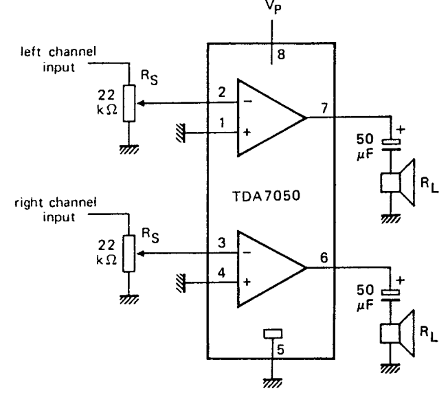
Рис. 1. Из даташита.
Рис. 1. Из даташита.

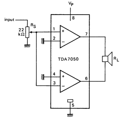
Но еще больше меня заинтересовала схема использования микросхемы в мостовом включении в режиме "моно". В этом случае не нужны даже конденсаторы на выходе.

Рис. 2. Из даташита.
Рис. 2. Из даташита.

Конечно, я немного добавил деталей.

Рис. 3.
Рис. 3.

Смонтировать усилитель можно на плате 20х20 мм, но у меня нашелся кусочек макетки 20х30, на нем и собрал.

Рис. 4.
Рис. 4.

Подключил вместо наушников сопротивление 33 Ома. На вход делителя подал сигнал от генератора с амплитудой около 100 мВ, т.е. на входе усилителя было 10 мВ. На выходе амплитуда была около 170 мВ. Форма сигнала на выходе была с подвозбудом. Припаял С2 параллельно нагрузке и сигнал очистился. АЧХ была равномерной до 50 кГц.

Увеличил немного входной сигнал - вроде все нормально, добавил до 50 мВ, и почувствовал, что микросхема начинает греться. При дальнейшем увеличении входного сигнала нагревание быстро увеличивалось.

Попробовал подключить вместо резистора нагрузки динамик 8 Ом. При минимальном входном сигнале все работало (мощность, правда, была мизерная), но стоило немного увеличить входной сигнал, как микросхема начинала разогреваться.

Вывод: для наушников нормально, очень экономичная, но вот для 8-ми омного динамика не пойдет, нужно что-то типа 0,25 ГДШ-2-50.

Всем здоровья и успехов!