Найти в Дзене
Грамотный Сантехник

ПОЛНЫЙ КУРС - КАК РАБОТАЕТ КОТЕЛ? - Часть 5

Всем привет!
С вами Дмитрий Пыжьянов, автор книги Грамотный сантехник.
Продолжаем серию статей о работе настенного котла. Это пятая часть. Первые части статьи вы можете найти по ссылке:
1. https://dzen.ru/a/ZwqSi3Klgg6zoaNZ 2. https://dzen.ru/a/ZwtVEKVsI0WP8qV3 3. https://dzen.ru/a/ZwyVlrPXEU1MutRs 4.https://dzen.ru/a/Zw5A9tVFrQtVrRCn В этой части статьи мы разберем, как работает котел в теории. Итак, есть запрос на отопление: Задаем 50 градусов. В первую очередь идет контроль термостата перегрева. Он понимает, что мы не перегреты, температура у нас приемлемая для работы. Далее идет контроль давления в контуре отопления - реле минимального давления в системе отопления. Если оно ниже 0,5 - 0,8 , то котел выдаст ошибку. Оптимальное давление 1,5−2БАР. После этого осуществляется контроль пневмореле, то есть плата смотрит, замкнуты контакты или разомкнуты. Должны быть разомкнуты. Далее идет переключение трехходового клапана на контур: мотор пружиной выдавливает шток. Происходит включе

Всем привет!
С вами Дмитрий Пыжьянов, автор книги Грамотный сантехник.
Продолжаем серию статей о работе настенного котла. Это пятая часть. Первые части статьи вы можете найти по ссылке:

1.
https://dzen.ru/a/ZwqSi3Klgg6zoaNZ

2. https://dzen.ru/a/ZwtVEKVsI0WP8qV3

3. https://dzen.ru/a/ZwyVlrPXEU1MutRs

4.https://dzen.ru/a/Zw5A9tVFrQtVrRCn

В этой части статьи мы разберем, как работает котел в теории.

Итак, есть запрос на отопление:

Схема начала работы котла на отопление. Часть 1
Схема начала работы котла на отопление. Часть 1

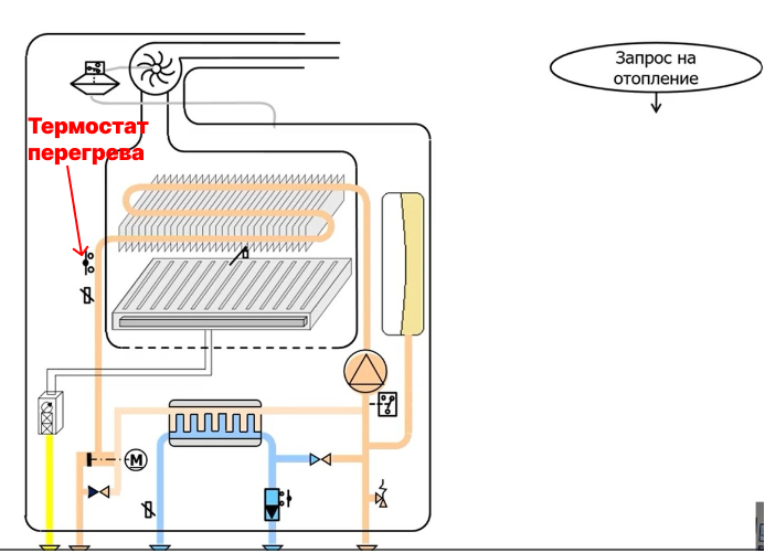
Задаем 50 градусов. В первую очередь идет контроль термостата перегрева. Он понимает, что мы не перегреты, температура у нас приемлемая для работы. Далее идет контроль давления в контуре отопления - реле минимального давления в системе отопления.

Схема начала работы котла на отопление. Часть 2
Схема начала работы котла на отопление. Часть 2

Если оно ниже 0,5 - 0,8 , то котел выдаст ошибку. Оптимальное давление 1,5−2БАР.

После этого осуществляется контроль пневмореле, то есть плата смотрит, замкнуты контакты или разомкнуты. Должны быть разомкнуты.

Схема начала работы котла на отопление. Часть 3
Схема начала работы котла на отопление. Часть 3

Далее идет переключение трехходового клапана на контур: мотор пружиной выдавливает шток.

Схема начала работы котла на отопление. Часть 4
Схема начала работы котла на отопление. Часть 4

Происходит включение насоса:

Схема начала работы котла на отопление. Часть 5
Схема начала работы котла на отопление. Часть 5

Насос запускает включение вентилятора.

Схема начала работы котла на отопление. Часть 6
Схема начала работы котла на отопление. Часть 6

Вентилятор запускается, нагнетается воздух в камере, камера продувается воздухом с улицы и далее идет контроль пневмореле.

Схема начала работы котла на отопление. Часть 7
Схема начала работы котла на отопление. Часть 7

Далее готовность к работе.
Время безопасности одна секунда. Генерация искры и открытие газового клапана на токах розжига.

Схема начала работы котла на отопление. Часть 8
Схема начала работы котла на отопление. Часть 8

То есть, есть определенное давление розжига, он его запускает, разжигается и идет контроль пламени.

Схема начала работы котла на отопление. Часть 9
Схема начала работы котла на отопление. Часть 9

Контроль пламени - это ионизация. Ионизация происходит в этот момент между корпусом и электродом. Когда газ горит, он пропускает через себя 10 микроампер и плата понимает, что у нас пламя контролируется, всё в порядке. Пламя загорелось. Далее происходит работа на систему отопления. Теплоноситель нагревается в основном теплообменнике и поступает в радиатор и обратно возвращается более холодный.

Схема начала работы котла на отопление. Часть 10
Схема начала работы котла на отопление. Часть 10

После этого происходит модуляция пламени, то есть, увеличение либо уменьшение в зависимости от температуры, которое нам необходимо на подачу. Если мы задали 50, а он у нас нагрелся до 45, то он может пламя понизить и начнется контроль температуру на датчике.

Схема начала работы котла на отопление. Часть 11
Схема начала работы котла на отопление. Часть 11

Он какое-то время поработает, пойдем уйдет в минимум и пойдет работать на заданную температуру.
Когда котел нагреет до заданной температуры, либо до максимальной, он какое-то время проработает на поддержании.

С датчика котел поймет, какая температура и постепенно будет вот такой "елочкой" работать на систему отопления.

Зависимость мощности котла от времени.
Зависимость мощности котла от времени.

Осталось разобрать самую интересную часть курса - запуск котла на практике. Ее мы разберем с вами в следующей статье.

Друзья, пишите в комментариях свои вопросы по работе настенного котла.

-14


С вами был Дмитрий Пыжьянов.
Всем отличного настроения, счастья, здоровья, любви и до встречи!


Мои контакты для связи:


Мои контакты для связи:

- YouTube - Грамотный сантехник

- Сайт - Грамотный сантехник

- WhatsApp/ Viber / Telegram - 89321124452

- Почта - bestsantexnik@mail.ru

- СЕКРЕТНЫЙ TELEGRAM КАНАЛ - sekretsantex

-15