Добавить в корзинуПозвонить
Найти в Дзене
Дачный СозонТ

Блок управления температурой в пивоварне (схема, деталировка, стоимость)

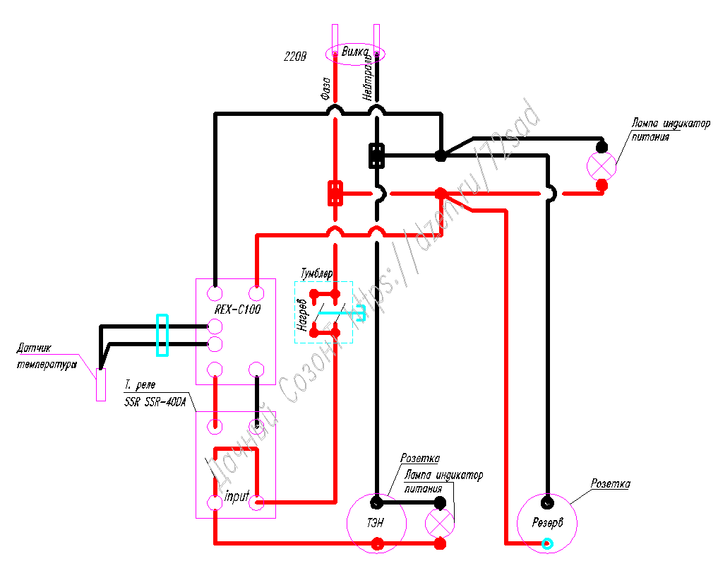
Необходимое оборудование и материалы 1) Цифровой ПИД-регулятор температуры REX-C100 REX C100, термостат + реле SSR 40DA + Термопара K, зонд 1m RKC. В моем случае датчик был заменен на такой – см. позиция 2. Цена 1314 руб. (приобреталось на али) 2) Термопара типа K, 1м, М8, тип К, длина зонда 200 мм. Как показала практика лучше взять с 2-х метровым проводником. Цена 204 руб. (приобреталось на Али) 3) Вилка невидимка 16А, Цена 190 руб. (приобреталось на СД (Строительный двор) 4) Розетка 1-местная накладная, 16 А, 2шт. Цена 204 руб. х 2 шт (приобреталось на СД) 5) Лампа индикатор питания 220 В, 2шт. Цена 140 руб. х 2 шт (приобреталось на Али) 6) Вентилятор 80х80 RQA 8038HSL 220VAC цена 400 р (приобреталось на валберис) 7) Корпус для рэа Z10-11 (160x160x120) / ZTM-ELECTRO 1060 руб (приобреталось на Озон) 8) Зажим ВАГО 2 входа - 4 выхода - 80 руб. (приобреталось на Али) 9) Сетка для динамика 6,5 см. -120 руб (приобреталось на Али) 10) Тумблер ON-OFF (15A 250VAC), две к
-2

Необходимое оборудование и материалы

1) Цифровой ПИД-регулятор температуры REX-C100 REX C100, термостат + реле SSR 40DA + Термопара K, зонд 1m RKC.

-3

В моем случае датчик был заменен на такой – см. позиция 2.

Цена 1314 руб. (приобреталось на али)

2) Термопара типа K, 1м, М8, тип К, длина зонда 200 мм. Как показала практика лучше взять с 2-х метровым проводником.

-4

Цена 204 руб. (приобреталось на Али)

3) Вилка невидимка 16А, Цена 190 руб. (приобреталось на СД (Строительный двор)

-5

4) Розетка 1-местная накладная, 16 А, 2шт. Цена 204 руб. х 2 шт (приобреталось на СД)

-6

5) Лампа индикатор питания 220 В, 2шт. Цена 140 руб. х 2 шт (приобреталось на Али)

-7

6) Вентилятор 80х80 RQA 8038HSL 220VAC цена 400 р (приобреталось на валберис)

-8
-9

7) Корпус для рэа Z10-11 (160x160x120) / ZTM-ELECTRO 1060 руб (приобреталось на Озон)

-10

8) Зажим ВАГО 2 входа - 4 выхода - 80 руб. (приобреталось на Али)

9) Сетка для динамика 6,5 см. -120 руб (приобреталось на Али)

-11

10) Тумблер ON-OFF (15A 250VAC), две контактные группы, (приобреталось на Али) 120

-12

11) Провод ШВП 2х0,5 – 2 метра для подключения маломощных потребителей, 50 руб.

12) ПВС 2х2,5 силовая часть запитки тэна – 2м, 200 руб

13) Клемма 10 А – 1уп. (10 шт) 125 руб.

-13

Итого, в ценах (сентябрь 2024 г.) 4600 руб.

Еще винты М3 с гайками 20 шт. длиной 35 мм.

Продолжение следует...