Добавить в корзинуПозвонить
Найти в Дзене
Паяльник

Ремонт светодиодной подсветки электрочайника

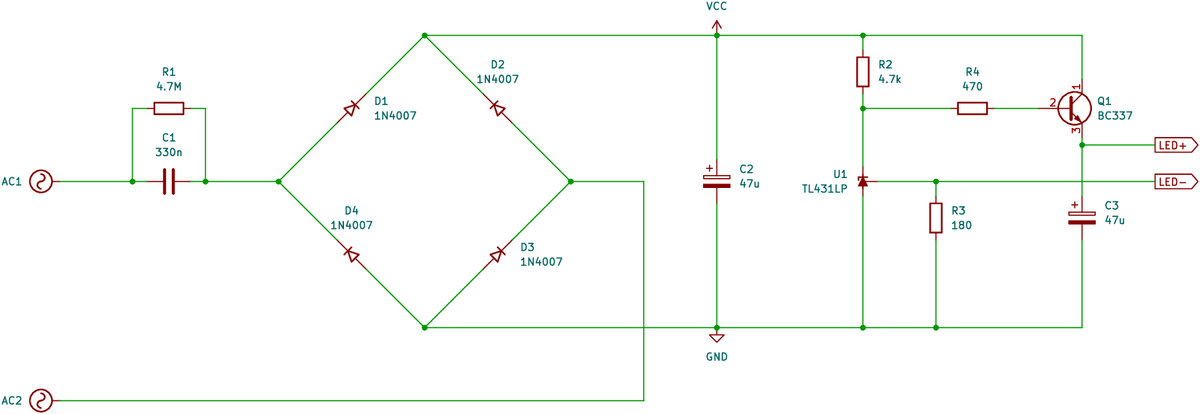
Однажды у меня сломалась подсветка электрочайника. Разобрав чайник, я обнаружил внутри 2 светодиода и сгоревший (светодиоды, как ни странно, остались целы) резистор, соединяющий светодиоды с питанием нагревательного элемента. После этого решил сделать более надёжную подсветку. Полученное миниатюрное устройство можно использовать и в других местах, где требуется питание индикаторных светодиодов от электрической сети. Меры предосторожности: На рисунке показана принципиальная схема устройства. Схема собрана на регулируемом источнике опорного напряжения TL431. Его выход усилен транзистором BC337. Резистор R4 предотвращает самовозбуждение TL431 из-за выходного конденсатора. Резистор R3 измеряет протекающий через светодиоды ток. Чтобы изменить ток, пересчитайте сопротивление R3 по закону Ома. Ёмкость гасящего конденсатора C1 определяется по следующей формуле. Учтите, что в ней используется не напряжение на нагрузке (светодиодах), а напряжение после диодного моста. С номиналами, как на схеме

Однажды у меня сломалась подсветка электрочайника. Разобрав чайник, я обнаружил внутри 2 светодиода и сгоревший (светодиоды, как ни странно, остались целы) резистор, соединяющий светодиоды с питанием нагревательного элемента. После этого решил сделать более надёжную подсветку. Полученное миниатюрное устройство можно использовать и в других местах, где требуется питание индикаторных светодиодов от электрической сети.

Меры предосторожности:

  • Устройство гальванически соединено с сетью 230 В, прикосновение к нему смертельно опасно;
  • Если вы будете использовать устройство для подсветки электрочайника, как и я, учтите, что оно работает при высокой температуре. Поэтому используйте термостойкие материалы: провода во фторопластовой или силиконовой изоляции, а не в изоляции из ПВХ. Заизолируйте плату полиимидным (каптоновым) скотчем, если возможно, проложите между ней и нагревателем теплоизолирующую прокладку из асбестокартона или слюды.

На рисунке показана принципиальная схема устройства.

Схема собрана на регулируемом источнике опорного напряжения TL431. Его выход усилен транзистором BC337. Резистор R4 предотвращает самовозбуждение TL431 из-за выходного конденсатора. Резистор R3 измеряет протекающий через светодиоды ток. Чтобы изменить ток, пересчитайте сопротивление R3 по закону Ома.

-2

Ёмкость гасящего конденсатора C1 определяется по следующей формуле. Учтите, что в ней используется не напряжение на нагрузке (светодиодах), а напряжение после диодного моста. С номиналами, как на схеме и нагрузкой в виде двух светодиодов оно составляет примерно 25—27 В.

-3

Через TL431 должен протекать ток 3—5 мА. При другом напряжении на нагрузке может потребоваться изменить сопротивление резистора R2.

-4

Резистор R1 разряжает C1 после отключения питания. Его номинал можно изменять в широких пределах.

Устройство собирается на печатной плате, созданной в KiCad. Сглаживающие конденсаторы паяются с обратной стороны платы и кладутся набок, TL431 устанавливается с обратной стороны платы под R2 и R4. BC337 кладётся набок плоской стороной к плате. Гасящий конденсатор C1 может выступать за пределы платы. Всё это позволило сделать плату крайне компактной, 32 на 34 мм, что позволило ей уместиться в электрочайнике. На следующем рисунке показано готовое устройство, установленное в чайник. Светодиоды закреплены в предназначенные для них места с помощью прозрачного полиуретанового клея.

-5

На следующей картинке показана работа подсветки. Изначально стояли синие светодиоды, но я решил поставить зелёные.

-6

Скачать список элементов (PDF)

Прикрепленные файлы:

Автор: wakoo1337